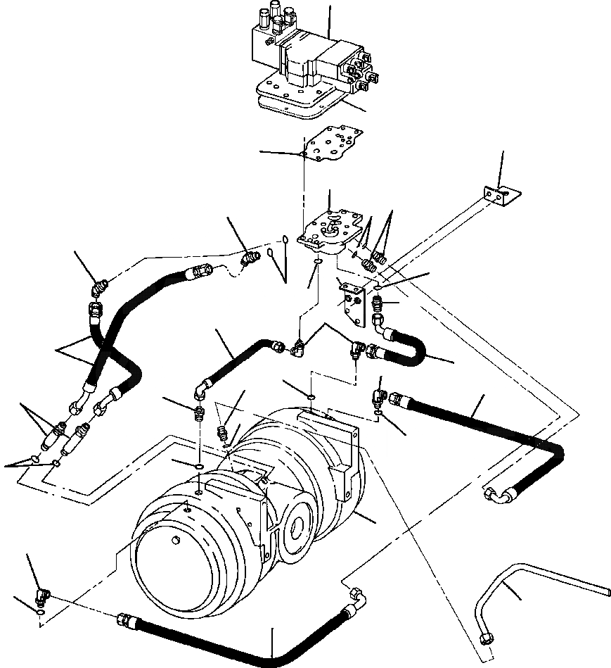
Запчасти Komatsu D87P-2 FIG. F-8A РУЛЕВ. УПРАВЛЕНИЕ ПРИВОД - TWO SPEED РУЛЕВ. УПРАВЛЕНИЕ ПРИВОД ТРУБЫ СИЛОВАЯ ПЕРЕДАЧА И КОНЕЧНАЯ ПЕРЕДАЧА

Схема запчастей Komatsu D87P-2 - FIG. F-8A РУЛЕВ. УПРАВЛЕНИЕ ПРИВОД - TWO SPEED РУЛЕВ. УПРАВЛЕНИЕ ПРИВОД ТРУБЫ СИЛОВАЯ ПЕРЕДАЧА И КОНЕЧНАЯ ПЕРЕДАЧА
1
25
24
2
3
5
4
21
21
23
12
4
23
22
10
6
11
6
17
9
14
18
7
22
15
16
8
19
17
16
13
20
9
FIT
1:1
100%

Артикул

Название

Примечание

Количество

|$0

1298 149 H91

DRIVE, TWO SPEED STEERING

SN: Ser Num-UP

1шт.

1

VALVE (SEE FIG. F2300-41A0)

SN: Ser Num-UP

1шт.

2

733 805 C2

GASKET

SN: Ser Num-UP

1шт.

3

MANIFOLD (SEE FIG. F2300-23A0)

SN: Ser Num-UP

1шт.

4

368 269 R1

O-RING

SN: Ser Num-UP

4шт.

5

9410 205

CONNECTOR

SN: Ser Num-UP

2шт.

6

742 932 C3

HOSE

SN: Ser Num-UP

2шт.

7

666 284 C1

CONNECTOR

SN: Ser Num-UP

2шт.

8

368 269 R1

O-RING

SN: Ser Num-UP

2шт.

9

368 269 R1

O-RING

SN: Ser Num-UP

2шт.

10

9410 979

ELBOW

SN: Ser Num-UP

2шт.

11

742 934 C3

HOSE

SN: Ser Num-UP

2шт.

12

1298 167 H91

BRACKET

SN: Ser Num-UP

1шт.

|$13

24 860 R1

BOLT

SN: Ser Num-UP

2шт.

13

657 534 C1

TUBE

SN: Ser Num-UP

1шт.

|$15

24 859 R1

BOLT

SN: Ser Num-UP

1шт.

|$16

103 343

WASHER

SN: Ser Num-UP

1шт.

14

574 018 R1

CONNECTOR

SN: Ser Num-UP

1шт.

15

368 269 R1

O-RING

SN: Ser Num-UP

1шт.

16

364 885 R1

O-RING

SN: Ser Num-UP

2шт.

17

673 391 R1

ELBOW

SN: Ser Num-UP

2шт.

18

742 935 C3

HOSE

SN: Ser Num-UP

1шт.

19

DRIVE, TWO SPEED (SEE FIG. F2300-19A0)

SN: Ser Num-UP

1шт.

|$23

25 918 R1

BOLT

SN: Ser Num-UP

2шт.

|$24

25 540 R1

WASHER

SN: Ser Num-UP

2шт.

20

742 932 C3

HOSE

SN: Ser Num-UP

1шт.

21

9411 107

ELBOW

SN: Ser Num-UP

2шт.

22

9410 205

CONNECTOR

SN: Ser Num-UP

2шт.

23

368 269 R1

O-RING

SN: Ser Num-UP

2шт.

24

1299 580 H91

BRACKET

SN: Ser Num-UP

1шт.

|$30

24 860 R1

BOLT

SN: Ser Num-UP

2шт.

|$31

103 343

WASHER

SN: Ser Num-UP

2шт.

25

709 851 C1

SPACER

SN: Ser Num-UP

1шт.

Выбрано товаров: 33