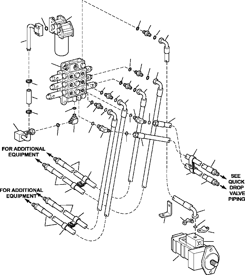
Запчасти Komatsu D87P-2 FIG. H-A THREE СЕКЦ. КЛАПАН ТРУБЫ ГИДРАВЛИКА

Схема запчастей Komatsu D87P-2 - FIG. H-A THREE СЕКЦ. КЛАПАН ТРУБЫ ГИДРАВЛИКА
22
21
2
3
4
5
20
25
26
1
27
28
25
24
27
25
33
31
24
27
29
19
10
12
25
15
33
24
14
27
18
30
11
16
11
17
10
12
32
13
13
31
32
32
14
28
32
30
5
32
6
7
23
29
6
32
8
9
FIT
1:1
100%

Артикул

Название

Примечание

Количество

1

VALVE, THREE SPOOL (SEE FIG. H0120-07A0)

SN: Ser Num-UP

1шт.

|$1

24 863 R1

BOLT

SN: Ser Num-UP

3шт.

|$2

Q 311

WASHER

SN: Ser Num-UP

3шт.

2

O-RING (SEE FIG. H0100-15A0)

SN: Ser Num-UP

1шт.

3

CONNECTOR (SEE FIG. H0100-15A0)

SN: Ser Num-UP

1шт.

4

O-RING (SEE FIG. H0100-15A0)

SN: Ser Num-UP

1шт.

5

HOSE (SEE FIG. H0100-15A0)

SN: Ser Num-UP

1шт.

6

FLANGE (SEE FIG. H0100-15A0)

SN: Ser Num-UP

2шт.

|$8

25 262 R1

BOLT

SN: Ser Num-UP

4шт.

7

O-RING (SEE FIG. H0100-15A0)

SN: Ser Num-UP

1шт.

8

BLOCK (SEE FIG. H0100-15A0)

SN: Ser Num-UP

1шт.

9

PUMP (SEE FIG. H0100-15A0)

SN: Ser Num-UP

1шт.

10

1297 734 H1

ELBOW

SN: Ser Num-UP

1шт.

11

296 247 R1

O-RING

SN: Ser Num-UP

2шт.

12

384 376 R1

O-RING

SN: Ser Num-UP

1шт.

13

1500 818 H1

HOSE

SN: Ser Num-UP

1шт.

14

1500 817 H1

HOSE

SN: Ser Num-UP

1шт.

15

307 915 R1

O-RING

SN: Ser Num-UP

1шт.

16

1303 318 H91

TEE

SN: Ser Num-UP

1шт.

17

343 901 R1

O-RING

SN: Ser Num-UP

1шт.

18

1298 200 H91

ELBOW

SN: Ser Num-UP

1шт.

19

654 097 H1

HOSE

SN: Ser Num-UP

1шт.

20

1303 322 H91

TUBE

SN: Ser Num-UP

1шт.

|$23

24 865 R1

BOLT

SN: Ser Num-UP

4шт.

21

343 923 R1

O-RING

SN: Ser Num-UP

1шт.

22

FILTER, RETURN (SEE FIG. H0120-12A0)

SN: Ser Num-UP

1шт.

23

645 360 C1

BRACKET

SN: Ser Num-UP

1шт.

24

1298 338 H1

CONNECTOR

SN: Ser Num-UP

3шт.

25

296 247 R1

O-RING

SN: Ser Num-UP

4шт.

26

1297 960 H1

CONNECTOR

SN: Ser Num-UP

1шт.

27

384 376 R1

O-RING

SN: Ser Num-UP

1шт.

28

1500 833 H1

HOSE

SN: Ser Num-UP

1шт.

29

1500 834 H1

HOSE

SN: Ser Num-UP

1шт.

30

1500 824 H1

HOSE

SN: Ser Num-UP

1шт.

31

1500 825 H1

HOSE

SN: Ser Num-UP

1шт.

32

623 567 C1

CLIP

SN: Ser Num-UP

8шт.

|$36

24 862 R1

BOLT

SN: Ser Num-UP

3шт.

|$37

25 536 R1

WASHER

SN: Ser Num-UP

3шт.

33

690 063 C2

CLAMP

SN: Ser Num-UP

2шт.

Выбрано товаров: 39