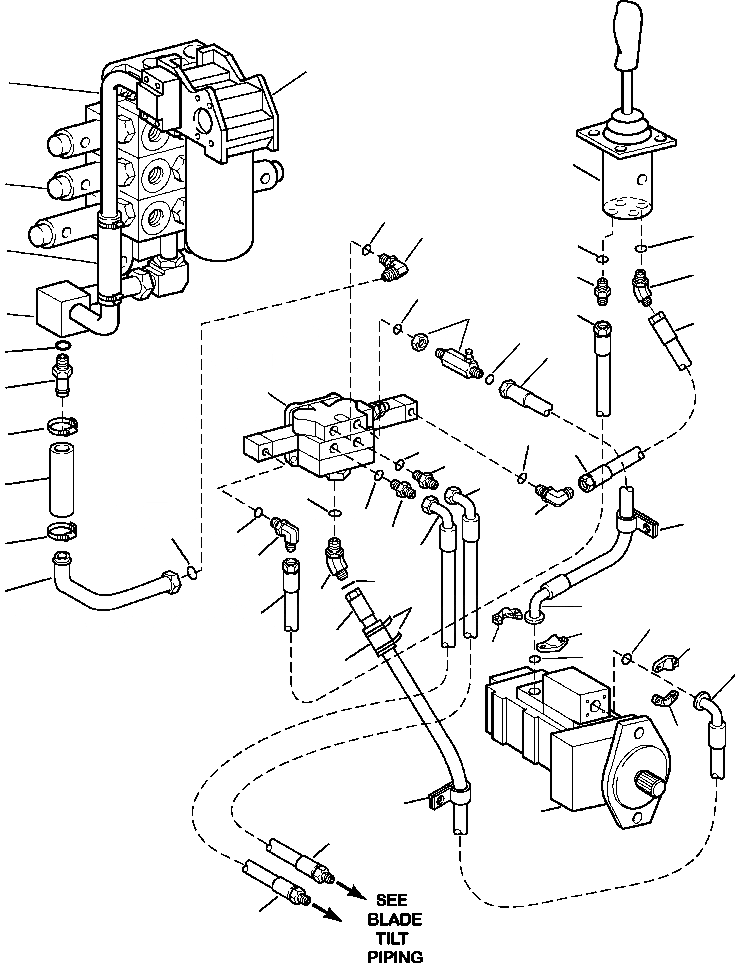
Запчасти Komatsu D87P-2 FIG. H-A НАКЛОН. КЛАПАН ТРУБЫ ГИДРАВЛИКА

Схема запчастей Komatsu D87P-2 - FIG. H-A НАКЛОН. КЛАПАН ТРУБЫ ГИДРАВЛИКА
27
26
33
43
17
18
38
32
25
37
31
2
3
30
24
36
4
5
23
22
1
34
42
36
14
15
16
21
13
14
35
39
19
15
28
42
16
29
11
20
41
12
5
30
8
6
10
9
6
7
10
40
9
39
44
16
16
FIT
1:1
100%

Артикул

Название

Примечание

Количество

1

1298 157 H91

VALVE, TILT

SN: Ser Num-UP

1шт.

|$1

24 586 R1

BOLT

SN: Ser Num-UP

2шт.

|$2

374 831 R1

BOLT

SN: Ser Num-UP

1шт.

|$3

25 534 R1

WASHER

SN: Ser Num-UP

3шт.

2

O-RING (SEE FIG. H0100-15A0)

SN: Ser Num-UP

1шт.

3

CONNECTOR (SEE FIG. H0100-15A0)

SN: Ser Num-UP

1шт.

4

O-RING (SEE FIG. H0100-15A0)

SN: Ser Num-UP

1шт.

5

HOSE (SEE FIG. H0100-15A0)

SN: Ser Num-UP

1шт.

6

FLANGE (SEE FIG. H0100-15A0)

SN: Ser Num-UP

2шт.

|$9

180 122

BOLT

SN: Ser Num-UP

4шт.

7

O-RING (SEE FIG. H0100-15A0)

SN: Ser Num-UP

1шт.

8

380 794 R1

O-RING

SN: Ser Num-UP

1шт.

9

283 172 R1

FLANGE

SN: Ser Num-UP

2шт.

|$13

180 122

BOLT

SN: Ser Num-UP

4шт.

10

1500 823 H1

HOSE

SN: Ser Num-UP

1шт.

11

384 943 R1

O-RING

SN: Ser Num-UP

1шт.

12

1298 206 H91

CONNECTOR

SN: Ser Num-UP

1шт.

13

364 885 R1

O-RING

SN: Ser Num-UP

1шт.

14

364 885 R1

O-RING

SN: Ser Num-UP

2шт.

15

9410 204

CONNECTOR

SN: Ser Num-UP

2шт.

16

1500 835 H1

HOSE

SN: Ser Num-UP

2шт.

17

368 269 R1

O-RING

SN: Ser Num-UP

1шт.

18

1298 202 H91

ELBOW

SN: Ser Num-UP

1шт.

19

384 376 R1

O-RING

SN: Ser Num-UP

1шт.

20

1501 041 H91

TUBE

SN: Ser Num-UP

1шт.

21

636 825 C1

HOSE

SN: Ser Num-UP

1шт.

22

1303 329 H91

TUBE

SN: Ser Num-UP

1шт.

23

296 247 R1

O-RING

SN: Ser Num-UP

1шт.

24

ELBOW (SEE FIG. H0100-12A0)

SN: Ser Num-UP

1шт.

25

HOSE (SEE FIG. H0100-12A0)

SN: Ser Num-UP

1шт.

26

TUBE (SEE FIG. H0100-12A0)

SN: Ser Num-UP

1шт.

27

FILTER (SEE FIG. H0120-12A0)

SN: Ser Num-UP

1шт.

28

364 839 R1

O-RING

SN: Ser Num-UP

1шт.

29

615 667

ELBOW

SN: Ser Num-UP

1шт.

30

1500 836 H1

HOSE

SN: Ser Num-UP

1шт.

31

9410 203

CONNECTOR

SN: Ser Num-UP

1шт.

32

570 828 R1

O-RING

SN: Ser Num-UP

1шт.

33

VALVE (SEE FIG. H0120-02A0)

SN: Ser Num-UP

1шт.

34

364 839 R1

O-RING

SN: Ser Num-UP

1шт.

35

615 667

ELBOW

SN: Ser Num-UP

1шт.

36

1500 847 H1

HOSE

SN: Ser Num-UP

1шт.

37

9411 105

ELBOW

SN: Ser Num-UP

1шт.

38

570 828 R1

O-RING

SN: Ser Num-UP

1шт.

39

361 656 C1

CLIP

SN: Ser Num-UP

2шт.

|$44

24 839 R1

BOLT

SN: Ser Num-UP

2шт.

|$45

25 544 R1

WASHER

SN: Ser Num-UP

2шт.

40

1269 262 H1

HOSE

SN: Ser Num-UP

1шт.

41

306 132 C2

STRIP

SN: Ser Num-UP

2шт.

42

27 724 R1

CLAMP

SN: Ser Num-UP

2шт.

43

VALVE, THREE SPOOL (SEE FIG. H0120-07A0)

SN: Ser Num-UP

1шт.

44

PUMP (SEE FIG. H0100-15A0)

SN: Ser Num-UP

1шт.

|$51

-1шт.

|$53

-1шт.

Выбрано товаров: 53