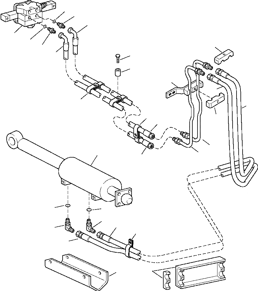
Запчасти Komatsu D87P-2 FIG. H-AD87P ONLY ПЕРЕКОС. ОТВАЛА ТРУБЫ - BULLDOZER ГИДРАВЛИКА

Схема запчастей Komatsu D87P-2 - FIG. H-AD87P ONLY ПЕРЕКОС. ОТВАЛА ТРУБЫ - BULLDOZER ГИДРАВЛИКА
2
3
4
1
2
10
3
4
5
17
18
8
6
7
6
9
4
20
16
19
4
15
15
14
7
14
13
8
12
11
FIT
1:1
100%

Артикул

Название

Примечание

Количество

|$0

1500 913 H91

PIPING, BLADE TILT

SN: Ser Num-UP

1шт.

1

VALVE (SEE FIG. H0100-13A0)

SN: Ser Num-UP

1шт.

2

O-RING (SEE FIG. H0100-13A0)

SN: Ser Num-UP

2шт.

3

CONNECTOR (SEE FIG. H0100-13A0)

SN: Ser Num-UP

2шт.

4

HOSE (SEE FIG. H0100-13A0)

SN: Ser Num-UP

2шт.

5

21 842 R1

BOLT

SN: Ser Num-UP

1шт.

6

308 579 R1

CLIP

SN: Ser Num-UP

14шт.

|$7

24 839 R1

BOLT

SN: Ser Num-UP

6шт.

|$8

25 544 R1

WASHER

SN: Ser Num-UP

7шт.

7

1500 946 H1

HOSE

SN: Ser Num-UP

1шт.

8

1500 947 H1

HOSE

SN: Ser Num-UP

1шт.

9

1500 892 H1

CLAMP

SN: Ser Num-UP

1шт.

|$12

30 023 R1

BOLT

SN: Ser Num-UP

1шт.

|$13

30 176 R1

WASHER

SN: Ser Num-UP

1шт.

10

1501 411 H1

CLAMP

SN: Ser Num-UP

1шт.

|$15

24 862 R1

BOLT

SN: Ser Num-UP

1шт.

|$16

25 536 R1

WASHER

SN: Ser Num-UP

1шт.

11

1210 798 H91

CHANNEL

SN: Ser Num-UP

1шт.

|$18

24 862 R1

BOLT

SN: Ser Num-UP

2шт.

|$19

25 536 R1

WASHER

SN: Ser Num-UP

2шт.

|$20

1208 915 H1

CLAMP

SN: Ser Num-UP

1шт.

12

647 564 C1

GUARD

SN: Ser Num-UP

1шт.

|$22

25 293 R1

BOLT

SN: Ser Num-UP

2шт.

|$23

9412 230

NUT

SN: Ser Num-UP

2шт.

|$24

26 273 R1

WASHER

SN: Ser Num-UP

2шт.

13

317 262 R1

CLIP

SN: Ser Num-UP

1шт.

|$26

24 839 R1

BOLT

SN: Ser Num-UP

1шт.

|$27

25 544 R1

WASHER

SN: Ser Num-UP

1шт.

14

9410 978

ELBOW

SN: Ser Num-UP

2шт.

15

364 885 R1

O-RING

SN: Ser Num-UP

2шт.

16

CYLINDER (SEE FIG. T2152-01A0)

SN: Ser Num-UP

1шт.

|$31

25 918 R1

BOLT

SN: Ser Num-UP

4шт.

|$32

317 386 R1

SHIM

SN: Ser Num-UP

5шт.

17

603 046 R1

BUSHING

SN: Ser Num-UP

1шт.

18

1500 891 H91

BRACKET

SN: Ser Num-UP

1шт.

|$35

931 458 R1

BOLT

SN: Ser Num-UP

2шт.

|$36

30 176 R1

WASHER

SN: Ser Num-UP

2шт.

19

1500 889 H91

TUBE

SN: Ser Num-UP

1шт.

20

1500 890 H91

TUBE

SN: Ser Num-UP

1шт.

|$39

-1шт.

|$40

F1 PART NUMBER IS A NON-SERVICE PART AND IS LISTED FOR REFERENCE ONLY. ORDER INDIVIDUAL PIECE PARTS.

-1шт.

|$41

-1шт.

Выбрано товаров: 42