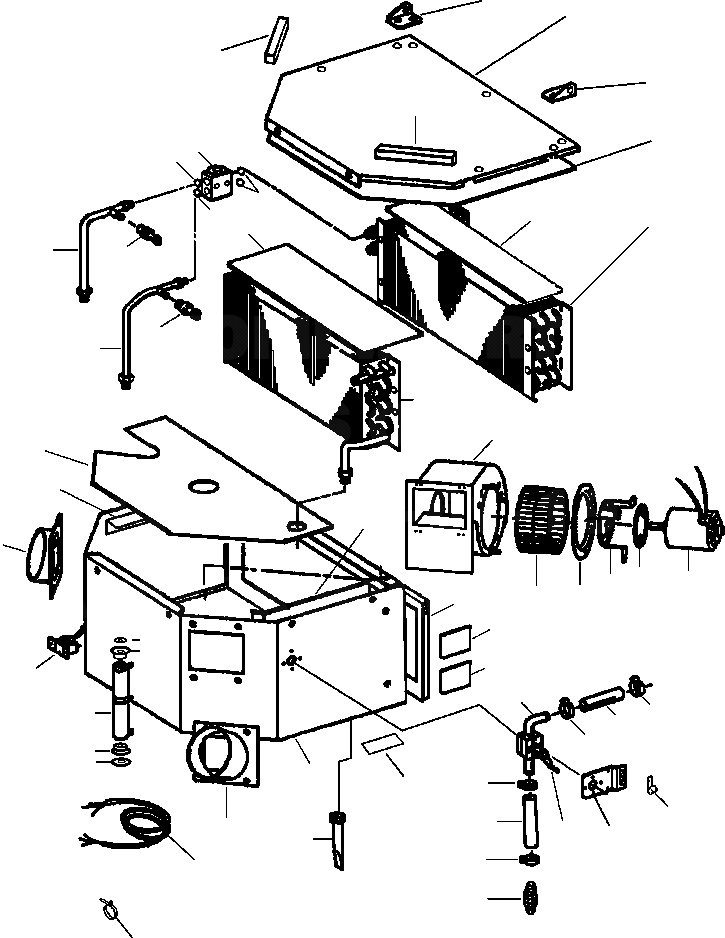
Запчасти Komatsu D87P-2 FIG. K7-A КОНДИЦ. ВОЗДУХА ASSEMBLY КАБИНА ОПЕРАТОРА И СИСТЕМА УПРАВЛЕНИЯ

Схема запчастей Komatsu D87P-2 - FIG. K7-A КОНДИЦ. ВОЗДУХА ASSEMBLY КАБИНА ОПЕРАТОРА И СИСТЕМА УПРАВЛЕНИЯ
6
9
16
7
16
17
21
30
27
15
1
28
14
22
40
38
23
2
44
19
47
18
45
12
3
8
4
13
26
34
37
31
36
39
43
33
41
24
33
31
32
20
33
29
5
49
46
11
10
25
33
42
48
35
FIT
1:1
100%

Артикул

Название

Примечание

Количество

|$0

1301 386 H93

ASSEMBLY, AIR CONDITIONER

SN: Ser Num-UP

1шт.

1

1439 617 H1

COIL, EVAPORATOR

SN: Ser Num-UP

1шт.

2

1437 224 H91

COIL, HEATER

SN: Ser Num-UP

1шт.

|$3

1439 635 H1

SCREW, TORX M6x16

SN: Ser Num-UP

4шт.

|$4

LA 0 729

NUT, JAM - 7/8-14

SN: Ser Num-UP

1шт.

|$5

1437 230 H1

WASHER, LOCK - 7/8

SN: Ser Num-UP

1шт.

3

1439 699 H1

MOTOR, BLOWER

SN: Ser Num-UP

2шт.

|$7

31 107 R1

LOCKNUT - M6

SN: Ser Num-UP

6шт.

4

LA 0 692

RING, ORIFICE

SN: Ser Num-UP

2шт.

|$9

1500 083 H1

LOCKNUT, #10

SN: Ser Num-UP

4шт.

5

1500 071 H1

CLIP, CABLE

SN: Ser Num-UP

1шт.

|$11

1500 084 H1

SCREW, HEX SLF TP

SN: Ser Num-UP

1шт.

6

1500 067 H1

ANGLE, LUG

SN: Ser Num-UP

1шт.

7

1500 068 H1

ANGLE, LUG

SN: Ser Num-UP

1шт.

8

1500 074 H1

BRACKET, MOTOR MOUNTING

SN: Ser Num-UP

4шт.

9

1316 361 H1

PLATE, COVER

SN: Ser Num-UP

1шт.

|$16

01010-81015

BOLT

SN: Ser Num-UP

11шт.

|$17

1314 067 H1

WASHER, HDN - M10

SN: Ser Num-UP

11шт.

10

1500 075 H1

BRACKET, CABLE LEVER

SN: Ser Num-UP

1шт.

|$19

1500 087 H1

SCREW, PAN HD - #8x7/16

SN: Ser Num-UP

4шт.

11

1500 076 H1

PLATE, CABLE LEVER

SN: Ser Num-UP

1шт.

|$21

LA 0 724

CLIP, COMPRESSION

SN: Ser Num-UP

1шт.

|$22

1500 062 H1

PUSHNUT, 1/4

SN: Ser Num-UP

1шт.

12

1270 184 H1

GASKET

SN: Ser Num-UP

2шт.

13

1500 077 H1

SEAL

SN: Ser Num-UP

1шт.

14

1439 622 H1

GASKET, TOP COIL

SN: Ser Num-UP

1шт.

15

1439 623 H1

GASKET, BOTTOM COIL

SN: Ser Num-UP

1шт.

16

1500 069 H1

GASKET, SPACER

SN: Ser Num-UP

2шт.

17

1500 080 H1

GASKET, COVER

SN: Ser Num-UP

1шт.

18

1316 362 H1

GASKET, SIDE

SN: Ser Num-UP

2шт.

19

1316 363 H1

GASKET, BOTTOM

SN: Ser Num-UP

1шт.

20

1316 365 H1

CASE

SN: Ser Num-UP

1шт.

21

1439 629 H1

VALVE, EXPANSION

SN: Ser Num-UP

1шт.

22

1500 102 H1

TUBE, SUCTION

SN: Ser Num-UP

1шт.

|$34

LA 0 729

NUT, JAM - 7/8-14

SN: Ser Num-UP

1шт.

|$35

1437 230 H1

WASHER, LOCK - 7/8

SN: Ser Num-UP

1шт.

23

1500 103 H1

TUBE, LIQUID

SN: Ser Num-UP

1шт.

|$37

LA 0 735

WASHER, LOCK - INT-5/8

SN: Ser Num-UP

1шт.

|$38

LA 0 727

NUT, JAM - 5/8-18

SN: Ser Num-UP

1шт.

24

HOSE - 121.9MM(4.8 IN)

SN: Ser Num-UP

1шт.

25

1439 637 H1

TUBE, DRAIN

SN: Ser Num-UP

2шт.

26

938 514 C1

BLOWER, WHEEL

SN: Ser Num-UP

2шт.

27

1309 636 H1

O-RING

SN: Ser Num-UP

2шт.

28

1440 151 H1

O-RING

SN: Ser Num-UP

1шт.

29

1314 055 H1

DECAL, WATER FLOW

SN: Ser Num-UP

1шт.

30

1440 152 H1

O-RING

SN: Ser Num-UP

1шт.

31

1439 633 H1

WASHER, CENTERING

SN: Ser Num-UP

2шт.

32

LA 0 716

WASHER, RUBBER

SN: Ser Num-UP

2шт.

33

1439 634 H1

BELT

SN: Ser Num-UP

4шт.

34

425-963-A260

DECAL, WARNING

SN: Ser Num-UP

1шт.

35

08034-20519

STRAP, TIE

SN: Ser Num-UP

5шт.

36

LA 0 722

DECAL, NAMEPLATE

SN: Ser Num-UP

1шт.

37

30 325 R1

WASHER, FLAT - M6

SN: Ser Num-UP

7шт.

38

1439 683 H1

SWITCH, HIGH PRESSURE

SN: Ser Num-UP

1шт.

39

1439 681 H91

SWITCH, FREEZE CONTROL

SN: Ser Num-UP

1шт.

|$55

57 227

WASHER, LOCK - #8

SN: Ser Num-UP

2шт.

|$56

1439 680 H1

SCREW, #8-32

SN: Ser Num-UP

2шт.

40

1439 682 H2

SWITCH, LOW PRESSURE

SN: Ser Num-UP

1шт.

41

LA 0 738

RESISTOR

SN: Ser Num-UP

1шт.

|$59

LA 0 718

SCREW, 1/4-20x7.5

SN: Ser Num-UP

1шт.

42

1500 085 H91

HARNESS, WIRE

SN: Ser Num-UP

1шт.

43

1500 090 H91

VALVE, WATER

SN: Ser Num-UP

1шт.

44

1439 691 H91

HOUSING, BLOWER

SN: Ser Num-UP

2шт.

|$63

1439 632 H1

CLIP, BLOWER WHEEL

SN: Ser Num-UP

2шт.

45

1500 092 H91

OUTLET, RIGHT AIR

SN: Ser Num-UP

1шт.

|$65

1500 086 H1

SCREW, #10 TAPPING

SN: Ser Num-UP

4шт.

46

1500 093 H91

OUTLET, LEFT AIR

SN: Ser Num-UP

1шт.

|$67

1500 086 H1

SCREW, #10 TAPPING

SN: Ser Num-UP

4шт.

47

1316 364 H1

ANGLE

SN: Ser Num-UP

1шт.

48

1431 254 H1

FITTING

SN: Ser Num-UP

2шт.

49

HOSE - 259.1MM(10.2 IN)

SN: Ser Num-UP

1шт.

|$71

-1шт.

|$72

F1 MAKE FROM BULK HOSE 364 359 C1.

-1шт.

|$73

-1шт.

Выбрано товаров: 74