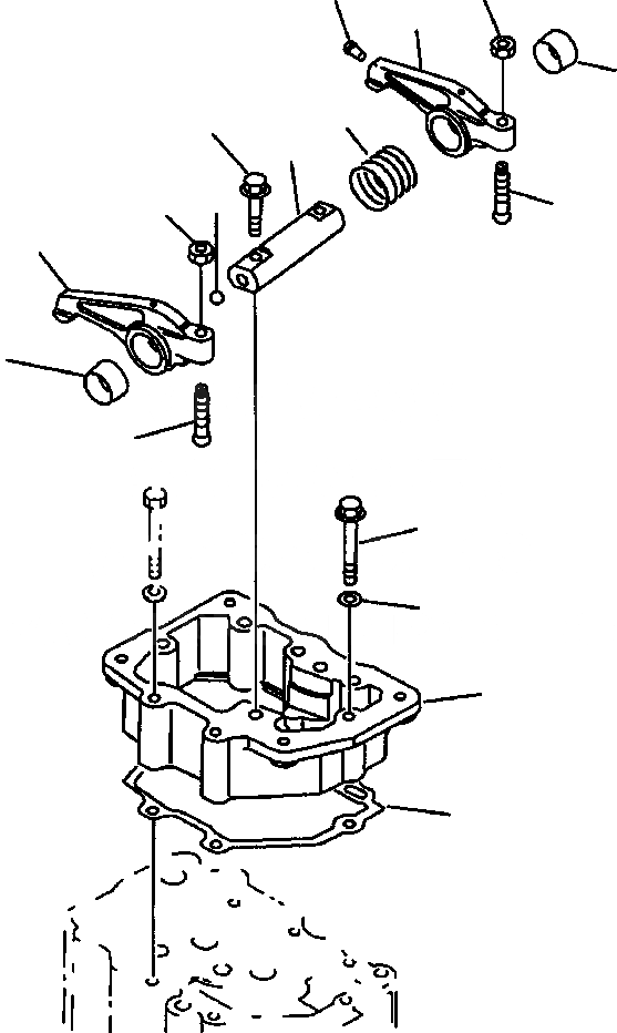
Запчасти Komatsu D87P-2 FIG. A-AA КОРОМЫСЛО ДВИГАТЕЛЬ

Схема запчастей Komatsu D87P-2 - FIG. A-AA КОРОМЫСЛО ДВИГАТЕЛЬ
13
10
9
11
16
17
14
15
8
12
5
6
7
3
4
1
2
FIT
1:1
100%

Артикул

Название

Примечание

Количество

1

6150-11-7110

HOUSING, ROCKER ARM

6шт.

2

6150-11-7812

GASKET

6шт.

3

01437-01075

BOLT

40шт.

4

01643-31032

WASHER

40шт.

|$4

6150-41-5450

ROCKER ARM ASSEMBLY (INTAKE)

6шт.

|$5

6150-41-5400

ARM ASSEMBLY

1шт.

5

NSS

ARM, ROCKER

1шт.

6

6150-41-5420

BUSHING

1шт.

7

6150-41-5540

SCREW

1шт.

8

01582-01008

NUT

1шт.

|$10

6150-41-5550

ROCKER ARM ASSEMBLY, EXHAUST

6шт.

|$11

6150-41-5500

ARM ASSEMBLY

1шт.

9

NSS

ARM, ROCKER

1шт.

10

6162-43-5340

RIVET

1шт.

11

6150-41-5420

BUSHING

1шт.

12

6150-41-5540

SCREW

1шт.

13

01582-01008

NUT

1шт.

|$17

6150-42-5300

ROCKER ARM SHAFT ASSEMBLY

6шт.

14

NSS

SHAFT

1шт.

15

6710-41-5340

RIVET

1шт.

16

6150-41-5320

SPRING

6шт.

17

6150-81-9370

BOLT

12шт.

|$22

-1шт.

|$23

F1 THESE ITEMS ARE ALSO INCLUDED IN CYLINDER HEAD GASKET KIT. REFER TO FIG. A8122-A3A8.

-1шт.

|$24

-1шт.

Выбрано товаров: 25