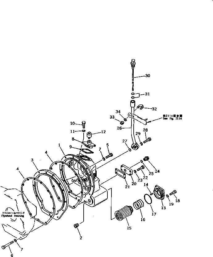
Запчасти Komatsu DDM020-5K-AC ОСНОВН. МУФТА КОРПУС (ДЛЯ TОБОД КОЛЕСАMING DOZER) ОСНОВН. МУФТА¤ТРАНСМИССИЯ¤ РУЛЕВ. УПРАВЛЕНИЕ И КОНЕЧНАЯ ПЕРЕДАЧА

Схема запчастей Komatsu DDM020-5K-AC - ОСНОВН. МУФТА КОРПУС (ДЛЯ TОБОД КОЛЕСАMING DOZER) ОСНОВН. МУФТА¤ТРАНСМИССИЯ¤ РУЛЕВ. УПРАВЛЕНИЕ И КОНЕЧНАЯ ПЕРЕДАЧА
FIT
1:1
100%

Артикул

Название

Примечание

Количество

|$0

102-10-00021

CASE ASS'Y

SN: 60001-UP

1шт.

1

0

CASE

SN: 60001-UP

1шт.

2

07043-01019

PLUG

SN: 60001-UP

1шт.

3

10F-10-13110

PLATE

SN: 60001-UP

1шт.

4

103-12-21120

GASKET

SN: 60001-UP

2шт.

5

01010-51050

BOLT

SN: 60001-UP

9шт.

6

01010-51095

BOLT

SN: 60001-UP

3шт.

7

01602-21030

WASHER,SPRING

SN: 60001-UP

12шт.

8

102-10-53130

BRACKET

SN: 60001-UP

1шт.

9

102-10-43140

GASKET

SN: 60001-UP

1шт.

10

01010-50820

BOLT

SN: 60001-UP

4шт.

11

01602-20825

WASHER,SPRING

SN: 60001-UP

4шт.

12

07030-00252

BREATHER

SN: 60001-UP

1шт.

13

102-10-43212

COVER

SN: 60001-UP

1шт.

14

04025-00640

PIN,SPRING

SN: 60001-UP

1шт.

15

102-10-43222

STRAINER

SN: 60001-UP

1шт.

16

102-10-43260

SPRING

SN: 60001-UP

1шт.

17

07000-02085

O-RING

SN: 60001-UP

1шт.

18

01010-50825

BOLT

SN: 60001-UP

4шт.

19

01602-20825

WASHER,SPRING

SN: 60001-UP

4шт.

20

102-10-43151

PLATE

SN: 60001-UP

1шт.

21

102-10-43160

GASKET

SN: 60001-UP

1шт.

22

01010-50830

BOLT

SN: 60001-UP

4шт.

23

01602-20825

WASHER,SPRING

SN: 60001-UP

4шт.

24

07044-12412

PLUG

SN: 60001-UP

1шт.

25

07002-02434

O-RING

SN: 60001-UP

1шт.

26

101-10-53240

TUBE

SN: 60001-UP

1шт.

27

07000-03025

O-RING

SN: 60001-UP

1шт.

28

01010-51030

BOLT

SN: 60001-UP

2шт.

29

01602-21030

WASHER,SPRING

SN: 60001-UP

2шт.

30

102-10-43251

GAUGE,LEVEL

SN: 60001-UP

1шт.

31

07000-03022

O-RING

SN: 60001-UP

2шт.

32

07283-22236

CLIP

SN: 60001-UP

1шт.

33

01599-01011

NUT

SN: 60001-UP

2шт.

34

01643-31032

WASHER

SN: 60001-UP

2шт.

Выбрано товаров: 35