Запчасти Komatsu DDM053-1A MODIFIED ЧАСТИ (/) TОБОД КОЛЕСАMING DOZER

Схема запчастей Komatsu DDM053-1A - MODIFIED ЧАСТИ (/) TОБОД КОЛЕСАMING DOZER
FIT
1:1
100%

Артикул

Название

Примечание

Количество

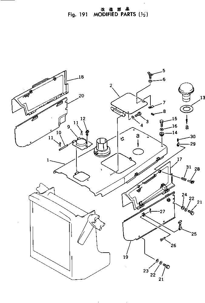
1

134-Y16-1110

HOOD

SN: (83001)-UP

1шт.

1

134-Z16-8620

HOOD

SN: (80001)-(83000)

1шт.

2

130-54-71151

COVER

SN: (80001)-UP

1шт.

3

01010-51025

BOLT

SN: (80001)-UP

2шт.

4

01602-21030

WASHER

SN: (80001)-UP

2шт.

5

135-54-31290

HANDLE

SN: (80001)-UP

1шт.

6

01643-31032

WASHER

SN: (80001)-UP

1шт.

7

135-54-31310

STOPPER

SN: (80001)-UP

1шт.

8

04025-00316

PIN

SN: (80001)-UP

1шт.

9

130-54-61140

COVER

SN: (80001)-UP

1шт.

10

131-54-11270

PIN

SN: (80001)-UP

1шт.

11

04050-11610

PIN

SN: (80001)-UP

2шт.

12

09459-00000

LOCK

SN: (80001)-UP

1шт.

13

130-A46-1120

COVER

SN: (80001)-UP

1шт.

14

120-54-31351

WASHER

SN: (80001)-UP

3шт.

15

01010-51235

BOLT

SN: (80001)-UP

3шт.

16

01602-21236

WASHER

SN: (80001)-UP

3шт.

17

134-54-38560

COVER,L.H.

SN: (83163)-UP

1шт.

17

134-Z16-8650

COVER,L.H.

SN: (80001)-(83162)

1шт.

18

134-54-38570

COVER,R.H.

SN: (83163)-UP

1шт.

18

134-Z16-8660

COVER,R.H.

SN: (80001)-(83162)

1шт.

19

134-Y16-1120

COVER,L.H.

SN: (83001)-UP

1шт.

19

134-Z16-8630

COVER,L.H.

SN: (80001)-(83000)

1шт.

20

134-Y16-1130

COVER,R.H.

SN: (83001)-UP

1шт.

20

134-Z16-8640

COVER,R.H.

SN: (80001)-(83000)

1шт.

21

01010-51225

BOLT

SN: (80001)-UP

8шт.

22

01602-21236

WASHER

SN: (80001)-UP

8шт.

23

01643-31232

WASHER

SN: (80001)-UP

4шт.

24

130-54-61230

WASHER

SN: (80001)-UP

4шт.

25

09450-00000

CATCH

SN: (80001)-UP

4шт.

26

09450-00002

PIN

SN: (80001)-UP

4шт.

27

04050-11610

PIN

SN: (80001)-UP

4шт.

28

11G-Z16-3130

HANDLE

SN: (80001)-UP

4шт.

29

11G-Z16-3140

PLATE

SN: (80001)-UP

4шт.

30

04025-00524

PIN

SN: (80001)-UP

4шт.

31

09466-10004

SPRING

SN: (80001)-UP

4шт.

Выбрано товаров: 36