Запчасти Komatsu DNP031-3C-P МЕХ-М ОТБОРА МОЩН-ТИ РЫЧАГ УПРАВЛ-Я РАБОЧЕЕ ОБОРУДОВАНИЕ

Схема запчастей Komatsu DNP031-3C-P - МЕХ-М ОТБОРА МОЩН-ТИ РЫЧАГ УПРАВЛ-Я РАБОЧЕЕ ОБОРУДОВАНИЕ
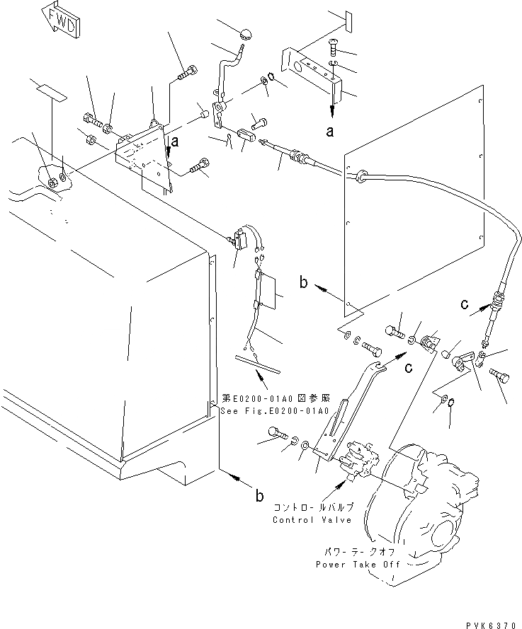
1
2
3
4
5
6
7
8
9
10
11
12
13
14
14
15
16
17
18
19
20
21
22
23
24
25
26
27
28
29
30
31
32
33
34
35
36
37
FIT
1:1
100%

Артикул

Название

Примечание

Количество

1

113-X56-3721

BRACKET

SN: 45001-UP

1шт.

2

113-X56-3711

LEVER

SN: 45001-UP

1шт.

3

09350-01420

BUSHING

SN: 45001-UP

1шт.

4

113-43-23350

WASHER

SN: 45001-UP

1шт.

5

04064-01410

RING,SNAP

SN: 45001-UP

1шт.

6

09304-00835

KNOB

SN: 45001-UP

1шт.

7

113-B44-1230

BOLT

SN: 45001-UP

1шт.

8

01010-51025

BOLT

SN: 45001-UP

3шт.

9

01643-31032

WASHER

SN: 45001-UP

3шт.

10

01580-11008

NUT

SN: 45001-UP

3шт.

11

113-X56-3731

COVER

SN: 45001-UP

1шт.

12

01220-40812

SCREW

SN: 45001-UP

4шт.

13

01602-00825

WASHER,SPRING

SN: 45001-UP

4шт.

14

113-06-23250

SWITCH

SN: 45001-UP

1шт.

15

114-X56-3770

WIRE ASS'Y

SN: 45001-UP

1шт.

16

08051-00801

CLIP

SN: 45001-UP

2шт.

17

113-X56-3790

CABLE

SN: 45001-UP

1шт.

18

04211-20844

YOKE

SN: 45001-UP

1шт.

19

04205-10822

PIN

SN: 45001-UP

1шт.

20

04050-12012

PIN,COTTER

SN: 45001-UP

1шт.

21

04250-80847

END,ROD

SN: 45001-UP

1шт.

22

113-X56-3760

LEVER

SN: 45001-UP

1шт.

23

09350-01420

BUSHING

SN: 45001-UP

1шт.

24

113-43-23350

WASHER

SN: 45001-UP

1шт.

25

04064-01410

RING,SNAP

SN: 45001-UP

1шт.

26

114-Z56-3410

BRACKET

SN: 45001-UP

1шт.

27

01010-50820

BOLT

SN: 45001-UP

1шт.

28

01010-50820

BOLT

SN: 45001-UP

2шт.

29

01602-20825

WASHER,SPRING

SN: 45001-UP

2шт.

30

113-X56-3780

BRACKET

SN: 45001-UP

1шт.

31

01010-50895

BOLT

SN: 45001-UP

4шт.

32

01602-20825

WASHER,SPRING

SN: 45001-UP

4шт.

33

01643-30820

WASHER

SN: 45001-UP

4шт.

34

01010-50830

BOLT

SN: 45001-UP

1шт.

35

01580-10806

NUT

SN: 45001-UP

1шт.

36

09685-00002

PLATE, OPERATING

SN: 45001-UP

1шт.

37

09672-32570

PLATE, OPERATING

SN: 45001-UP

1шт.

Выбрано товаров: 37