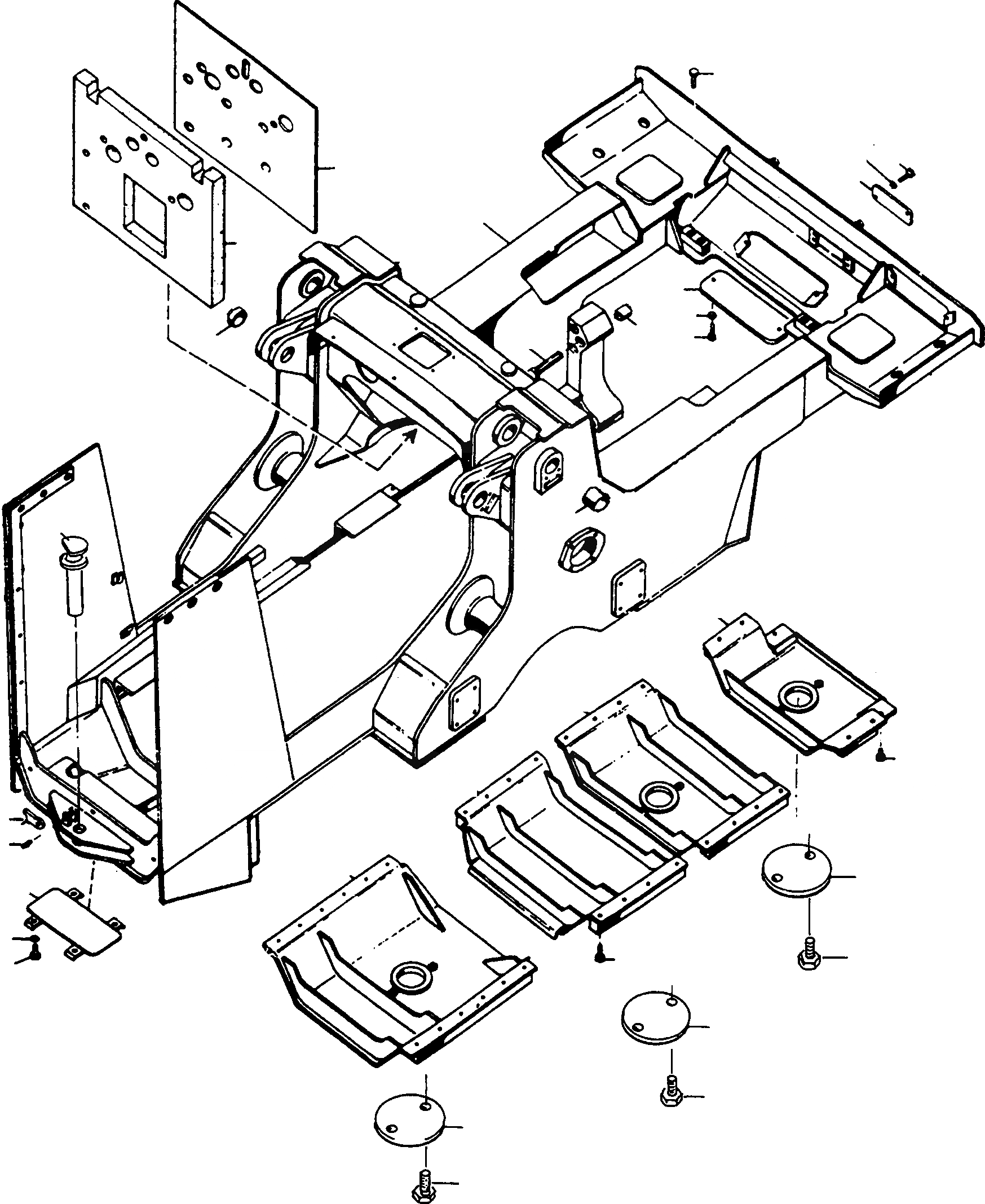
Запчасти Komatsu L600D Super РАМА ШАССИ И SUPERSTRUCTURE

Схема запчастей Komatsu L600D Super - РАМА ШАССИ И SUPERSTRUCTURE
16
4
7
6
30
5
1
29
8
10
11
12
3
9
31
2
15
19
17
24
25
18
21
26
28
22
20
27
21
22
21
22
FIT
1:1
100%

Артикул

Название

Примечание

Количество

1

4000621M91

FRAME

DeutschDesc: RAHMEN

1шт.

2

2999773M1

BUSHING

DeutschDesc: BUCHSE

4шт.

3

2999767M1

BUSHING

DeutschDesc: BUCHSE

4шт.

4

1444103X1

SCREW

DeutschDesc: SCHRAUBE

4шт.

5

2902707M1

COVER

DeutschDesc: DECKEL

1шт.

6

339139X1

SCREW

DeutschDesc: SCHRAUBE

2шт.

7

2994718M1

SPRING WASHER

DeutschDesc: FEDERRING

2шт.

8

2902708M1

COVER

DeutschDesc: DECKEL

1шт.

9

339081X1

SCREW

DeutschDesc: SCHRAUBE

2шт.

10

2993793X1

SPRING WASHER

DeutschDesc: FEDERRING

2шт.

11

2999763M1

ADAPTER SLEEVES

DeutschDesc: SPANNHUELSE

4шт.

12

1444085X1

SCREW

DeutschDesc: SCHRAUBE

12шт.

13

NOT USED

DeutschDesc: NICHT VERWENDET

-1шт.

14

NOT USED

DeutschDesc: NICHT VERWENDET

-1шт.

15

4020461M91

BODY GUARD

DeutschDesc: BAUCHSCHUTZ

1шт.

16

4020463M91

BODY GUARD

DeutschDesc: BAUCHSCHUTZ

1шт.

17

3073811M91

BODY GUARD

DeutschDesc: BAUCHSCHUTZ

1шт.

18

4020465M91

BODY GUARD

DeutschDesc: BAUCHSCHUTZ

1шт.

19

1444140X1

SCREW

DeutschDesc: SCHRAUBE

2шт.

20

1444024X1

SCREW

DeutschDesc: SCHRAUBE

32шт.

21

4020322M1

COVER

DeutschDesc: DECKEL

3шт.

22

1444142X1

SCREW

DeutschDesc: SCHRAUBE

6шт.

23

NOT USED

DeutschDesc: NICHT VERWENDET

-1шт.

24

2905261M1

PAWL

DeutschDesc: SPERRKLINKE

1шт.

25

1444442X1

ADAPTER SLEEVES

DeutschDesc: SPANNHUELSE

1шт.

26

3093555M91

COVER

DeutschDesc: DECKEL

1шт.

27

339139X1

SCREW

DeutschDesc: SCHRAUBE

4шт.

28

2994718M1

SPRING WASHER

DeutschDesc: FEDERRING

4шт.

29

2979568M1

CLADDING

DeutschDesc: VERKLEIDUNG

1шт.

30

2979569M1

CLADDING

DeutschDesc: VERKLEIDUNG

1шт.

31

2905260M1

PIN

DeutschDesc: BOLZEN

1шт.

Выбрано товаров: 31