Запчасти Komatsu L600D Super МАСЛ. ФИЛЬТР ДВИГАТЕЛЬ, АКСЕССУАРЫ И ЭЛЕКТРИЧ. СИСТЕМА

Схема запчастей Komatsu L600D Super - МАСЛ. ФИЛЬТР ДВИГАТЕЛЬ, АКСЕССУАРЫ И ЭЛЕКТРИЧ. СИСТЕМА
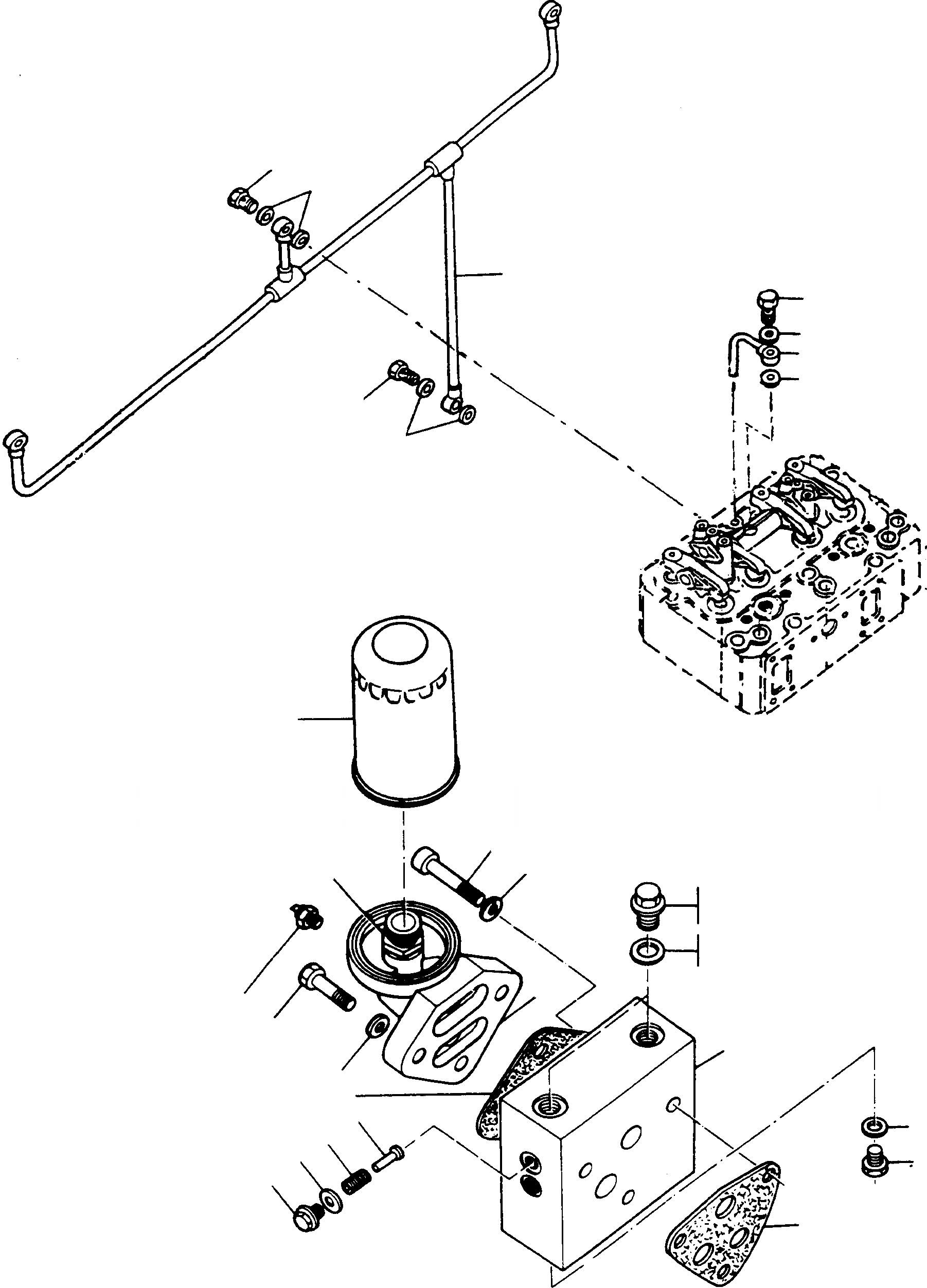
24
25
18
26
8
23
5
12A
21
11A
22
20
22
26
3
4
17
11
12
14
19
15
1
16
13
10
6
7
9
2
FIT
1:1
100%

Артикул

Название

Примечание

Количество

1

3090241M2

CONSOLE

DeutschDesc: KONSOLE

1шт.

2

2992766M1

GASKET

EnglischBem: REPAIRS AND REPLACES 2871 719 M1

1шт.

3

1443716X1

SCREW

DeutschDesc: SCHRAUBE

3шт.

4

391037X1

SPRING WASHER

DeutschDesc: FEDERRING

3шт.

5

2862663M1

POPPET

DeutschDesc: VENTILKEGEL

2шт.

6

2862662M1

COMPRESSION SPRING

DeutschDesc: DRUCKFEDER

2шт.

7

390855X1

SEAL

DeutschDesc: DICHTRING

2шт.

8

2862664M1

PLUG

DeutschDesc: VERSCHLUSSSTOPFEN

2шт.

9

1443748X1

PLUG

DeutschDesc: VERSCHLUSSSTOPFEN

1шт.

10

391313X1

SEAL

DeutschDesc: DICHTRING

1шт.

11

1444267X1

SCREW

DeutschDesc: SCHRAUBE

1шт.

12

1440997X1

SEAL

DeutschDesc: DICHTRING

1шт.

13

2992767M1

GASKET

EnglischBem: REPAIRS AND REPLACES 2862 643 M1

1шт.

14

2872693M1

FILTER HEAD

DeutschDesc: FILTERKOPF

1шт.

15

339814X1

SCREW

DeutschDesc: SCHRAUBE

3шт.

16

390734X1

PLAIN WASHER

DeutschDesc: UNTERLEGSCHEIBE

3шт.

17

2872692M1

STUD

DeutschDesc: STUTZEN

1шт.

18

2871722M2

FILTER

DeutschDesc: FILTER

1шт.

19

2992199M1

OIL SWITCH

DeutschDesc: OELDRUCKSCHALTER

1шт.

20

2871029M91

PIPE

DeutschDesc: ROHRLEITUNG

3шт.

21

2999609M1

BANJO BOLT

DeutschDesc: HOHLSCHRAUBE

3шт.

22

391376X1

SEAL

DeutschDesc: DICHTRING

6шт.

23

2872742M91

PIPE

DeutschDesc: ROHRLEITUNG

1шт.

24

1444756X1

BANJO BOLT

DeutschDesc: HOHLSCHRAUBE

3шт.

25

2999617M1

BANJO BOLT

DeutschDesc: HOHLSCHRAUBE

1шт.

26

1440993X1

SEAL

DeutschDesc: DICHTRING

8шт.

Выбрано товаров: 26