Запчасти Komatsu L600D Super НАСОСS ДЛЯ ГИДРАВЛИКА ГИДРАВЛИКА

Схема запчастей Komatsu L600D Super - НАСОСS ДЛЯ ГИДРАВЛИКА ГИДРАВЛИКА
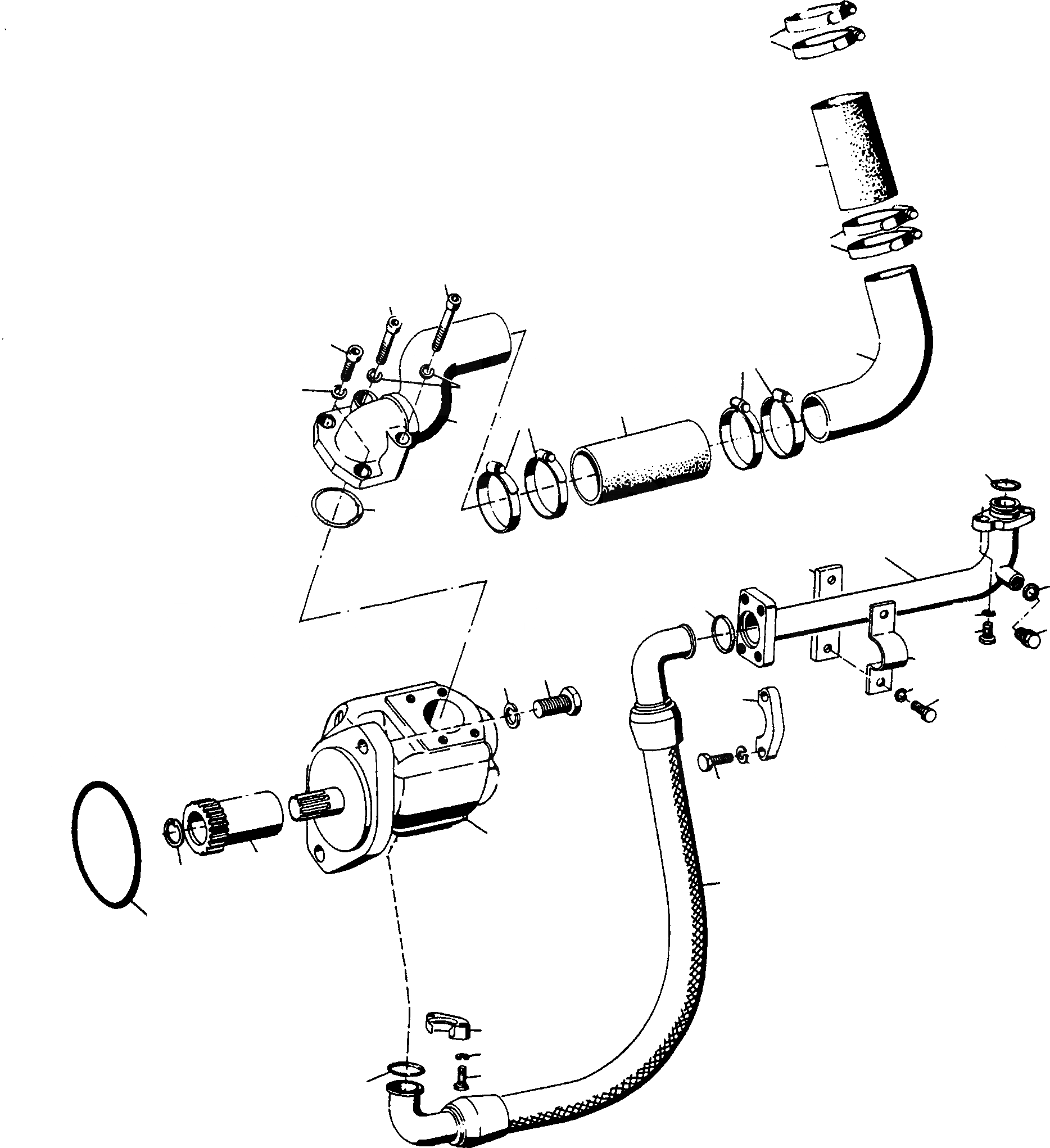
14
10A
15
14
22
21
20
16
14
23
23
17
14
18
1
19
2
7
3
24
6
4
5
8
27
28
6
9
11
12
10
25
26
13
11
6
12
24
6
FIT
1:1
100%

Артикул

Название

Примечание

Количество

1

1444823X1

O-RING

DeutschDesc: O-RING

1шт.

2

2880642M91

PIPE

DeutschDesc: ROHRLEITUNG

1шт.

3

390839X1

SEAL

DeutschDesc: DICHTRING

1шт.

4

1443750X1

SCREW

DeutschDesc: SCHRAUBE

1шт.

5

390580X1

SCREW

DeutschDesc: SCHRAUBE

2шт.

6

2993793X1

SPRING WASHER

DeutschDesc: FEDERRING

12шт.

7

2904360M1

PLATE

EnglischBem: THICKNESS 20 MM

2шт.

8

1444646X1

HOLDING CLAMP

DeutschDesc: HALTESCHELLE

1шт.

9

339081X1

SCREW

DeutschDesc: SCHRAUBE

2шт.

10

2880671M91

PUMP

DeutschDesc: PUMPE

1шт.

|$30

PUMP

DeutschDesc: PUMPE

-3шт.

10A

1444812X1

O-RING

DeutschDesc: O-RING

1шт.

11

3004942X1

HALF FLANGE

DeutschDesc: HALBFLANSCH

4шт.

12

339451X1

SCREW

DeutschDesc: SCHRAUBE

8шт.

13

2880673M91

HOSE ASSEMBLY

DeutschDesc: SCHLAUCH VOLLST.

1шт.

14

2995076X1

CLIP

DeutschDesc: SCHELLE

8шт.

15

3092518M1

HOSE

EnglischBem: GOODS SOLD BY METER 2999 629 M1 130 MM

1шт.

16

2903676M91

TUBE

DeutschDesc: ROHR

1шт.

17

3092519M1

HOSE

EnglischBem: GOODS SOLD BY METER 2999 629 M1 150 MM

1шт.

18

2880672M91

TUBING

DeutschDesc: ROHRSTUTZEN

1шт.

19

1444792X1

O-RING

DeutschDesc: O-RING

1шт.

20

1443711X1

SCREW

DeutschDesc: SCHRAUBE

2шт.

21

1444177X1

SCREW

DeutschDesc: SCHRAUBE

1шт.

22

1444186X1

SCREW

DeutschDesc: SCHRAUBE

1шт.

23

1440990X1

SPRING WASHER

DeutschDesc: FEDERRING

2шт.

24

1444849X1

O-RING

DeutschDesc: O-RING

2шт.

25

2949954M1

COUPLING/CLUTCH

DeutschDesc: KUPPLUNG

1шт.

26

339361X1

CIRCLIP

DeutschDesc: SICHERUNGSRING

1шт.

27

391419X1

SCREW

DeutschDesc: SCHRAUBE

2шт.

28

2994704M1

SPRING WASHER

DeutschDesc: FEDERRING

2шт.

Выбрано товаров: 30