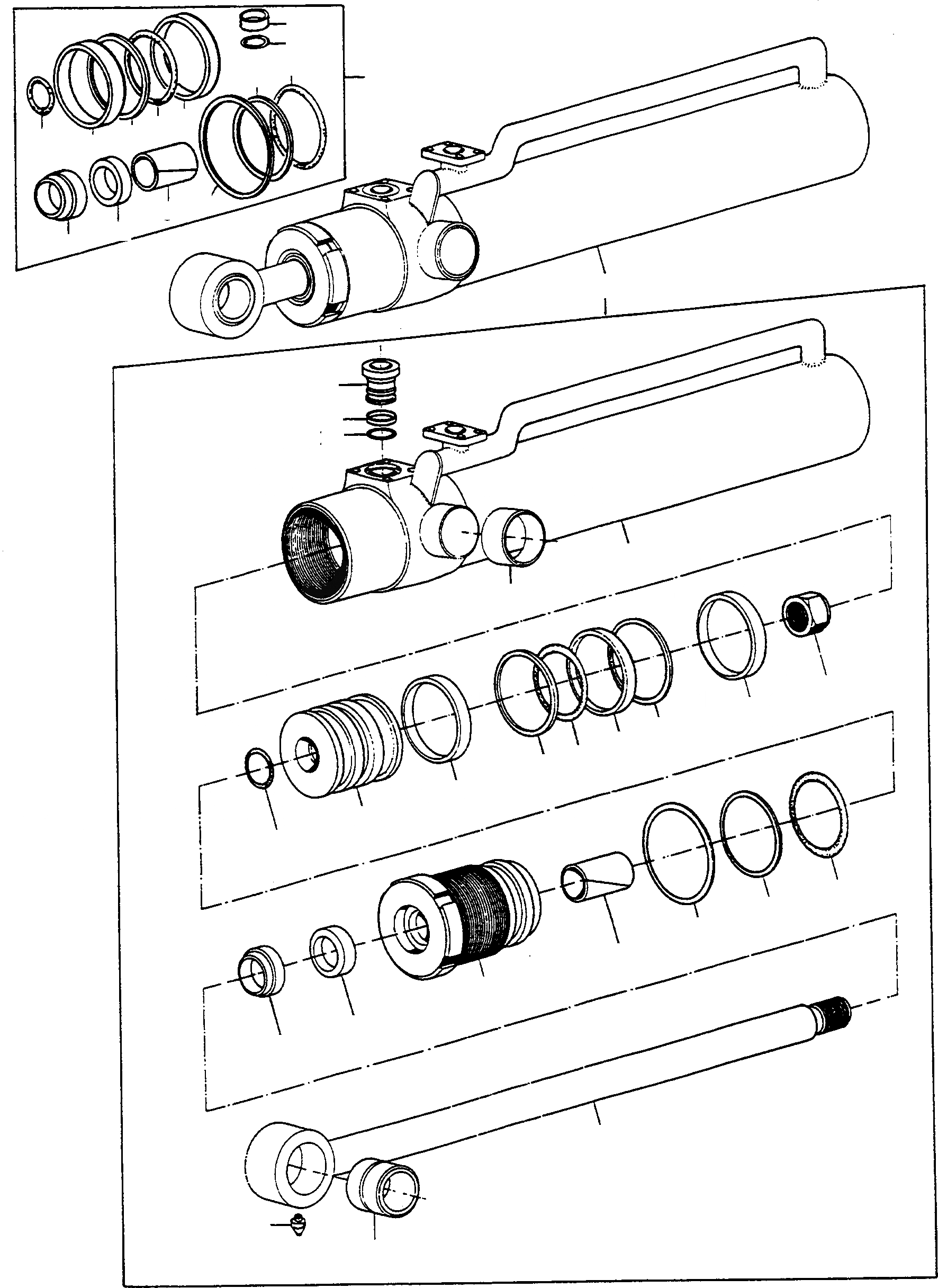
Запчасти Komatsu L600D Super ГИДРОЦИЛИНДР ПОДЪЕМА ГИДРАВЛИКА

Схема запчастей Komatsu L600D Super - ГИДРОЦИЛИНДР ПОДЪЕМА ГИДРАВЛИКА
22
12
23
15
7
8
11
9
24
18
23
17
7
16
6
14
20
10
4
10
2
1
21
22
3
19
15
16
11
18
17
16
15
13
14
12
9
8
5
FIT
1:1
100%

Артикул

Название

Примечание

Количество

1

1608104M92

LIFT CYLINDER

EnglischBem: ALTERNATIVE 4021 102 M91

2шт.

|$25

LIFT CYLINDER

DeutschDesc: HUBZYLINDER

-3шт.

2

1609047M92

CYLINDER HOUSING

DeutschDesc: HYD.ZYLINDERGEHAEUSE

2шт.

3

1609061M1

BUSHING

DeutschDesc: BUCHSE

4шт.

4

1609057M91

CYLINDER ROD

DeutschDesc: KOLBENSTANGE

2шт.

5

2949921M1

BUSHING

DeutschDesc: BUCHSE

2шт.

6

1608707M1

GUIDE BUSH

DeutschDesc: FUEHRUNGSBUCHSE

2шт.

7

1607553M1

STRIPPER

EnglischBem: NOTE: Pos. (7) included in Pos. (1) and (24) Kit

2шт.

8

1608373M1

SEAL

EnglischBem: NOTE: Pos. (8) included in Pos. (1) and (24) Kit

2шт.

9

1608705M1

BUSHING

EnglischBem: NOTE: Pos. (9) included in Pos. (1) and (24) Kit

2шт.

10

1608479M1

TAB WASHER

EnglischBem: NOTE: Pos. (10) included in Pos. (1) and (24) Kit

2шт.

11

1089309M1

BACK-UP RING

EnglischBem: NOTE: Pos. (11) included in Pos. (1) and (24) Kit

2шт.

12

359209X1

O-RING

EnglischBem: NOTE: Pos. (12) included in Pos. (1) and (24) Kit

2шт.

13

1608673M2

PISTON

DeutschDesc: KOLBEN

2шт.

14

359189X1

O-RING

EnglischBem: NOTE: Pos. (14) included in Pos. (1) and (24) Kit

2шт.

15

1608674M1

RING

EnglischBem: NOTE: Pos. (15) included in Pos. (1) and (24) Kit

2шт.

16

1607702M1

BACK-UP RING

EnglischBem: NOTE: Pos. (16) included in Pos. (1) and (24) Kit

4шт.

17

359208X1

O-RING

EnglischBem: NOTE: Pos. (17) included in Pos. (1) and (24) Kit

2шт.

18

1089290M1

SEAL

EnglischBem: NOTE: Pos. (18) included in Pos. (1) and (24) Kit

2шт.

19

1607699M1

NUT

DeutschDesc: MUTTER

2шт.

20

339608X1

LUBRICATION NIPPLE

DeutschDesc: SCHMIERNIPPEL

2шт.

21

1609055M1

BUSHING

DeutschDesc: BUCHSE

2шт.

22

366700X1

BACK-UP RING

EnglischBem: NOTE: Pos. (22) included in Pos. (1) and (24) Kit

2шт.

23

365392X1

O-RING

EnglischBem: NOTE: Pos. (23) included in Pos. (1) and (24) Kit

2шт.

24

1609063M91

PACKING KIT

DeutschDesc: DICHTSATZ

1шт.

Выбрано товаров: 25