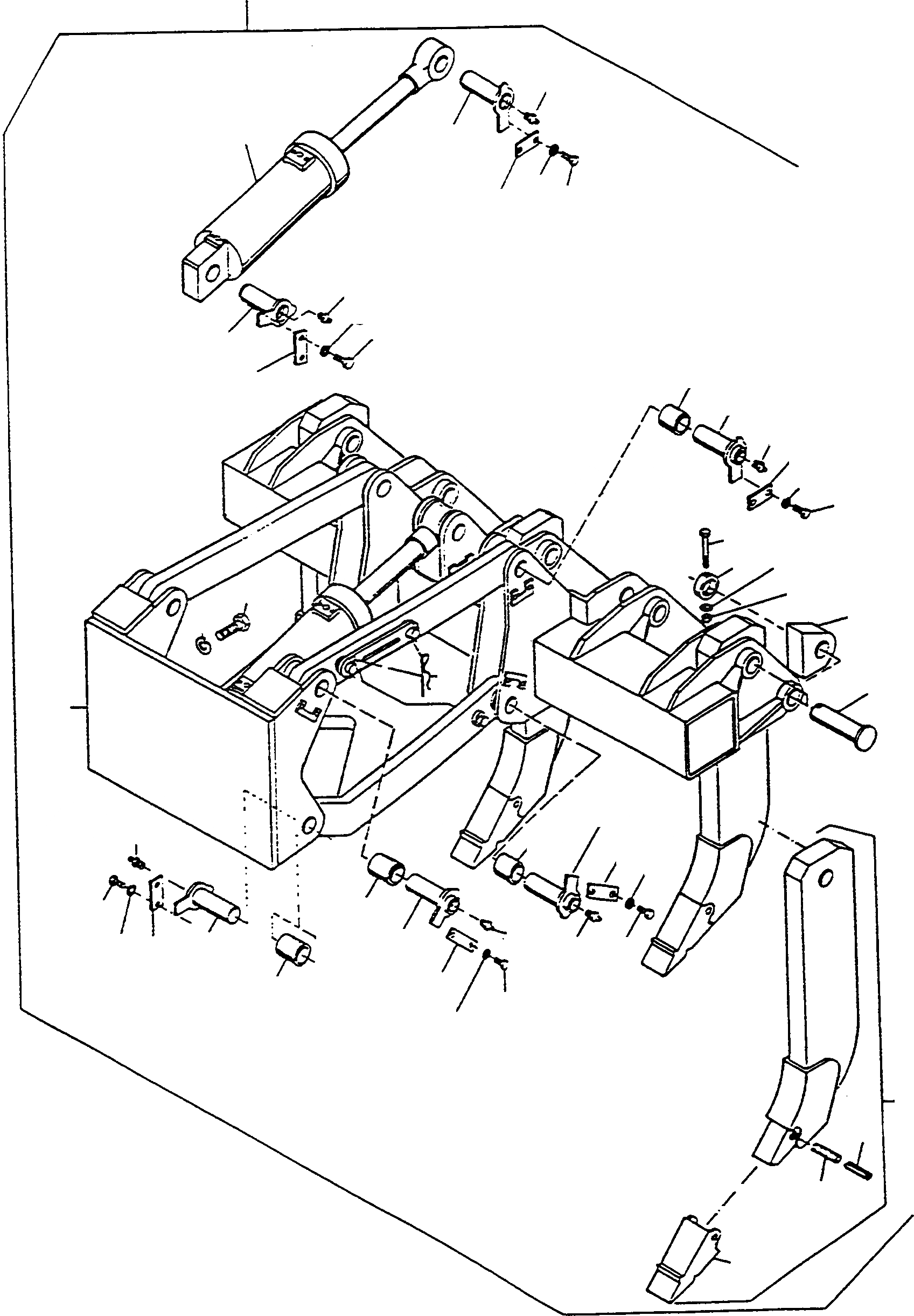
Запчасти Komatsu L600D Super ЗАДН.-РЫХЛИТЕЛЬ, TEETH ОБОРУД-Е

Схема запчастей Komatsu L600D Super - ЗАДН.-РЫХЛИТЕЛЬ, TEETH ОБОРУД-Е
1
9
6
3
1A
10
4
5
9
8
7
6
8
5
7
10
12
6
7
9
8
20
22
19
2
21
17
23
18
12
6
7
9
10
8
6
11
11
9
6
8
7
7
10
8
9
13
16
15
14
FIT
1:1
100%

Артикул

Название

Примечание

Количество

1

2988120M91

REAR RIPPER

DeutschDesc: HECKAUFREISSER

1шт.

1A

4911443M91

BED BRACKET

DeutschDesc: LAGERBOCK

1шт.

2

1444090X1

SCREW

DeutschDesc: SCHRAUBE

22шт.

3

3002149X1

SPRING WASHER

DeutschDesc: FEDERRING

22шт.

4

3256054M91

CYLINDER

DeutschDesc: ZYLINDER

1шт.

|$25

CYLINDER

DeutschDesc: ZYLINDER

-3шт.

5

3256055M1

PIN

DeutschDesc: BOLZEN

2шт.

6

339608X1

LUBRICATION NIPPLE

DeutschDesc: SCHMIERNIPPEL

10шт.

7

3256056M1

TAB WASHER

DeutschDesc: SICHERUNGSBLECH

10шт.

8

391675X1

SCREW

DeutschDesc: SCHRAUBE

20шт.

9

1443794X1

SPRING WASHER

DeutschDesc: FEDERRING

20шт.

10

3256057M1

BUSHING

DeutschDesc: BUCHSE

8шт.

11

3256058M1

PIN

DeutschDesc: BOLZEN

4шт.

12

3256059M1

PIN

DeutschDesc: BOLZEN

4шт.

13

3256060M91

TOOTH

DeutschDesc: ZAHN

3шт.

14

2970386M1

TOOTH

DeutschDesc: ZAHN

3шт.

15

2970389M1

SLEEVE

DeutschDesc: HUELSE

3шт.

16

2970191M1

PEG

DeutschDesc: STIFT

3шт.

17

3256061M1

STOP

DeutschDesc: ANSCHLAG

3шт.

18

3256062M1

PIN

DeutschDesc: BOLZEN

6шт.

19

3256063M1

BUSHING

DeutschDesc: BUCHSE

6шт.

20

390826X1

SCREW

DeutschDesc: SCHRAUBE

6шт.

21

339054X1

NUT

DeutschDesc: MUTTER

6шт.

22

2994718M1

SPRING WASHER

DeutschDesc: FEDERRING

6шт.

23

3241062M1

HAIR PIN

DeutschDesc: FEDERSTECKER

4шт.

Выбрано товаров: 25