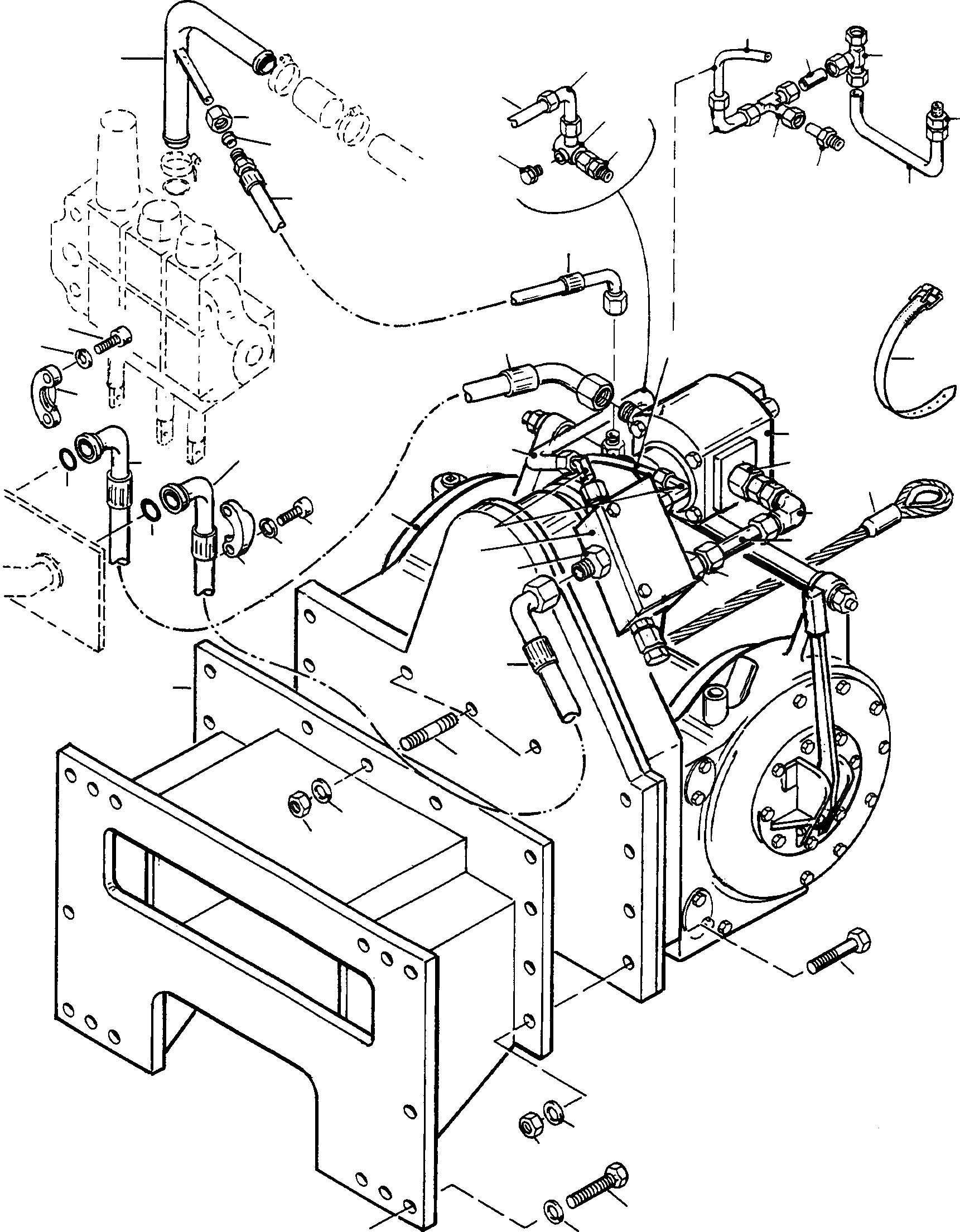
Запчасти Komatsu L600D Super КАБЕЛЬ ЛЕБЕДКА ОБОРУД-Е

Схема запчастей Komatsu L600D Super - КАБЕЛЬ ЛЕБЕДКА ОБОРУД-Е
30
34
35
16
24
26
27
20
24
28
29
31
19
32
33
36
15
15
13
11
10
30
18
14
22
26
9
10
37
17
12
40
1
24
13
39
12
23
14
25
11
38
37
9
2
3
5
6
4
5
6
7
8
FIT
1:1
100%

Артикул

Название

Примечание

Количество

1

4020882M91

CABLE WINCH

EnglischBem: SUPPLY 0N REQUEST

1шт.

2

4020888M91

ADAPTOR

DeutschDesc: ADAPTER

1шт.

3

4021042M1

STUD BOLT

DeutschDesc: STIFTSCHRAUBE

3шт.

4

3003829X1

SCREW

DeutschDesc: SCHRAUBE

13шт.

5

1443797X1

SPRING WASHER

DeutschDesc: FEDERRING

16шт.

6

1444300X1

NUT

DeutschDesc: MUTTER

16шт.

7

1444090X1

SCREW

DeutschDesc: SCHRAUBE

14шт.

8

3002149X1

SPRING WASHER

DeutschDesc: FEDERRING

14шт.

9

4021073M91

HOSE ASSEMBLY

DeutschDesc: SCHLAUCH VOLLST.

1шт.

10

4021074M91

HOSE ASSEMBLY

DeutschDesc: SCHLAUCH VOLLST.

1шт.

11

1444835X1

HALF FLANGE

DeutschDesc: HALBFLANSCH

4шт.

12

1444848X1

O-RING

DeutschDesc: O-RING

2шт.

13

1441436X1

SCREW

DeutschDesc: SCHRAUBE

8шт.

14

1443790X1

SPRING WASHER

DeutschDesc: FEDERRING

8шт.

15

4021075M91

HOSE ASSEMBLY

DeutschDesc: SCHLAUCH VOLLST.

1шт.

16

4021043M91

PIPE

DeutschDesc: ROHRLEITUNG

1шт.

17

4021082M91

STRING

EnglischBem: Ш 19MM X 70M

1шт.

18

2876413M91

BELT

DeutschDesc: RIEMEN

1шт.

19

1444689X1

OLIVE

DeutschDesc: SCHNEIDRING

1шт.

20

1442015X1

BOXNUT

DeutschDesc: UEBERWURFMUTTER

1шт.

21

NOT USED

DeutschDesc: NICHT VERWENDET

-1шт.

22

4913091M1

HYDRAULIC PUMP

DeutschDesc: HYDRAULIKPUMPE

1шт.

23

4913153M91

VALVE

DeutschDesc: VENTIL

1шт.

24

4913154M1

UNION

DeutschDesc: VERSCHRAUBUNG

4шт.

25

4913155M1

STUD

DeutschDesc: STUTZEN

1шт.

26

TUBE

EnglischBem: Ш 10 MM

1шт.

27

4913156M1

STUD

DeutschDesc: STUTZEN

1шт.

28

4913157M1

STUD

DeutschDesc: STUTZEN

1шт.

29

4913121M1

SCREW

DeutschDesc: SCHRAUBE

1шт.

30

TUBE

EnglischBem: Ш 10 MM

1шт.

31

4913158M1

UNION

DeutschDesc: VERSCHRAUBUNG

1шт.

32

4913159M1

UNION

DeutschDesc: VERSCHRAUBUNG

1шт.

33

4913160M1

STUD

DeutschDesc: STUTZEN

1шт.

34

4913161M1

THROTTLE

DeutschDesc: DROSSEL

1шт.

35

4913162M1

UNION

DeutschDesc: VERSCHRAUBUNG

1шт.

36

TUBE

EnglischBem: Ш 22 MM

1шт.

37

4913177M1

STUD

DeutschDesc: STUTZEN

2шт.

38

4913179M1

UNION

DeutschDesc: VERSCHRAUBUNG

1шт.

39

TUBE

EnglischBem: Ш 22 MM

1шт.

40

4913181M1

UNION

DeutschDesc: VERSCHRAUBUNG

1шт.

Выбрано товаров: 40