Запчасти Komatsu L600D Super CONVERTER МАСЛ. ОХЛАЖД-Е ДВИГАТЕЛЬ, АКСЕССУАРЫ И ЭЛЕКТРИЧ. СИСТЕМА

Схема запчастей Komatsu L600D Super - CONVERTER МАСЛ. ОХЛАЖД-Е ДВИГАТЕЛЬ, АКСЕССУАРЫ И ЭЛЕКТРИЧ. СИСТЕМА
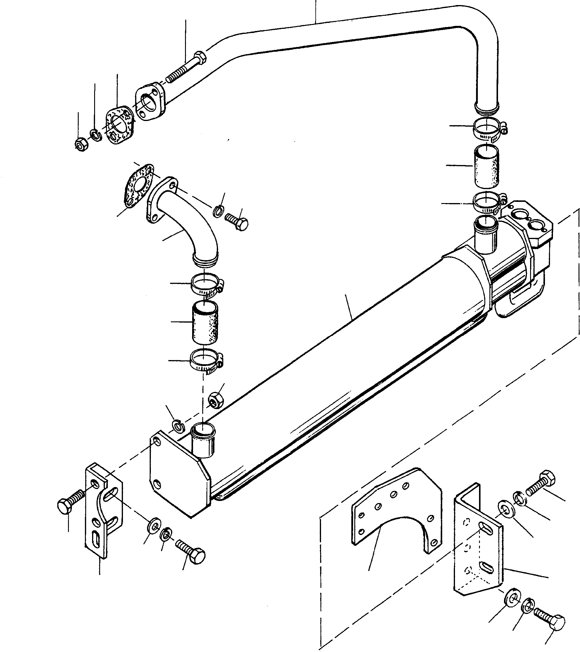
16
4
17
4
15
18
19
10
11
13
14
10
15
12
10
1
11
10
9
3
3
8
5
7
3
2
8
20
6
5
3
FIT
1:1
100%

Артикул

Название

Примечание

Количество

1

4000790M91

EXCHANGER

DeutschDesc: WAERMETAUSCHER

1шт.

2

3097798M1

BRACKET

DeutschDesc: HALTER

1шт.

3

2994718M1

SPRING WASHER

DeutschDesc: FEDERRING

8шт.

4

1443665X1

SCREW

DeutschDesc: SCHRAUBE

4шт.

5

390735X1

PLAIN WASHER

DeutschDesc: UNTERLEGSCHEIBE

4шт.

6

2902424M91

HOLDER

DeutschDesc: HALTETEIL

1шт.

7

390735X1

PLAIN WASHER

DeutschDesc: UNTERLEGSCHEIBE

2шт.

8

1443665X1

SCREW

DeutschDesc: SCHRAUBE

4шт.

9

339054X1

NUT

DeutschDesc: MUTTER

2шт.

10

1444841X1

CLIP

DeutschDesc: SCHELLE

4шт.

11

1443882X1

HOSE

EnglischBem: GOODS SOLD BY THE METER 1443 912 X1 80 MM

2шт.

12

2872093M91

TUBE

DeutschDesc: ROHR

1шт.

13

2993793X1

SPRING WASHER

DeutschDesc: FEDERRING

2шт.

14

339401X1

SCREW

DeutschDesc: SCHRAUBE

2шт.

15

4700097X1

GASKET

EnglischBem: REPAIRS AND REPLACES 1443 853 X1

1шт.

16

4000933M91

TUBE

DeutschDesc: ROHR

1шт.

17

1443655X1

SCREW

DeutschDesc: SCHRAUBE

2шт.

18

2993793X1

SPRING WASHER

DeutschDesc: FEDERRING

2шт.

19

339402X1

NUT

DeutschDesc: MUTTER

2шт.

20

4020264M1

CONSOLE

DeutschDesc: KONSOLE

1шт.

Выбрано товаров: 20