Запчасти Komatsu L600D Super ДВИГАТЕЛЬ, КРЕПЛЕНИЕ ДВИГАТЕЛЯ ДВИГАТЕЛЬ, АКСЕССУАРЫ И ЭЛЕКТРИЧ. СИСТЕМА

Схема запчастей Komatsu L600D Super - ДВИГАТЕЛЬ, КРЕПЛЕНИЕ ДВИГАТЕЛЯ ДВИГАТЕЛЬ, АКСЕССУАРЫ И ЭЛЕКТРИЧ. СИСТЕМА
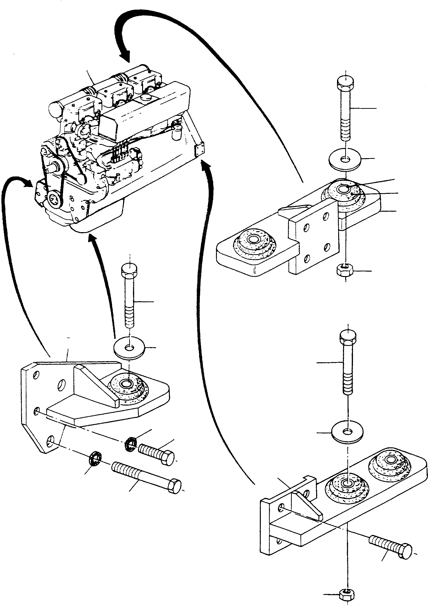
1
3
7
6
6A
4A
15
12
14
13
9
16
11
2
12
15
5
4
12
8
10
16
FIT
1:1
100%

Артикул

Название

Примечание

Количество

1

2987772M91

ENGINE

EnglischBem: SN: - 10 742 999

1шт.

1A

2992258M91

ENGINE

EnglischBem: SN: 10 743 001 -

1шт.

2

4000885M91

ENGINE CARRIER

EnglischBem: LEFT

1шт.

3

4000886M91

ENGINE CARRIER

EnglischBem: RIGHT

1шт.

4

339401X1

SCREW

DeutschDesc: SCHRAUBE

2шт.

4A

390799X1

SCREW

DeutschDesc: SCHRAUBE

2шт.

5

2993793X1

SPRING WASHER

DeutschDesc: FEDERRING

4шт.

6

1444042X1

SCREW

DeutschDesc: SCHRAUBE

3шт.

6A

1442831X1

SCREW

DeutschDesc: SCHRAUBE

1шт.

7

2994704M1

SPRING WASHER

DeutschDesc: FEDERRING

4шт.

8

3094077M91

ENGINE CARRIER

EnglischBem: LEFT

1шт.

9

3094078M91

ENGINE CARRIER

EnglischBem: RIGHT

1шт.

10

1444088X1

SCREW

DeutschDesc: SCHRAUBE

8шт.

11

1444031X1

SCREW

DeutschDesc: SCHRAUBE

2шт.

12

2948089M1

PLAIN WASHER

DeutschDesc: UNTERLEGSCHEIBE

6шт.

13

2977271M1

VIBRATION MOUNT

DeutschDesc: GUMMIMETALL

6шт.

14

2977272M1

SLEEVE

DeutschDesc: HUELSE

6шт.

15

2995316X1

SCREW

DeutschDesc: SCHRAUBE

4шт.

16

2995299X1

NUT

DeutschDesc: MUTTER

4шт.

Выбрано товаров: 19