Запчасти Komatsu L600D Super ВОЗД. ФИЛЬТР. СИСТЕМА, СТАНДАРТН. ДВИГАТЕЛЬ, АКСЕССУАРЫ И ЭЛЕКТРИЧ. СИСТЕМА

Схема запчастей Komatsu L600D Super - ВОЗД. ФИЛЬТР. СИСТЕМА, СТАНДАРТН. ДВИГАТЕЛЬ, АКСЕССУАРЫ И ЭЛЕКТРИЧ. СИСТЕМА
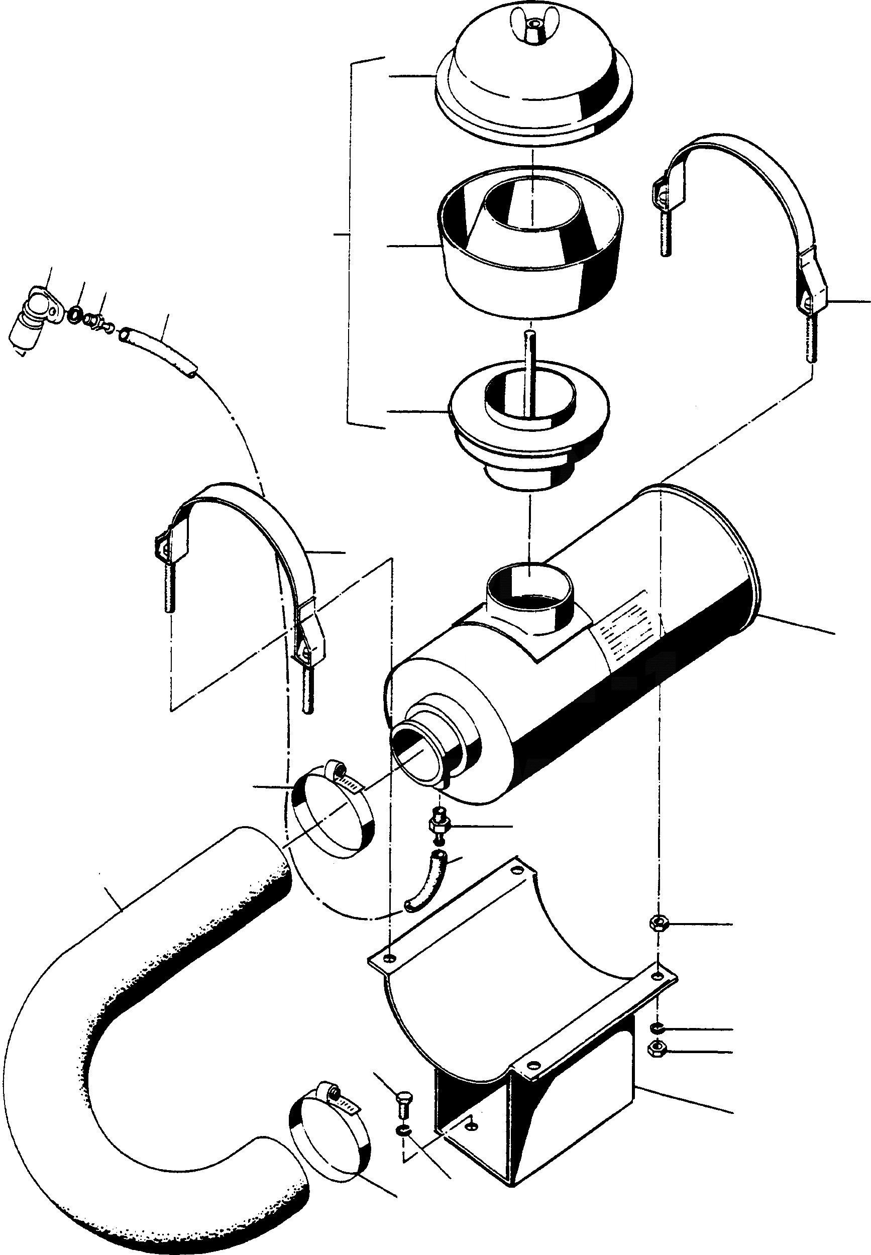
15
18
14
17
13
12
11
7
16
7
6
2
10
11
1
9
8
9
4
3
5
2
FIT
1:1
100%

Артикул

Название

Примечание

Количество

1

2976412M91

UNION JOINT

DeutschDesc: BINDUNGSSTUECK

1шт.

2

1444844X1

CLIP

DeutschDesc: SCHELLE

2шт.

3

4000160M91

MOUNTING

DeutschDesc: HALTERUNG

1шт.

4

390994X1

SCREW

DeutschDesc: SCHRAUBE

4шт.

5

2993793X1

SPRING WASHER

DeutschDesc: FEDERRING

4шт.

6

2976409M91

AIR FILTER

EnglischBem: REPAIRS AND REPLACES 3096 342 M91

1шт.

|$19

AIR FILTER

DeutschDesc: LUFTFILTER

-3шт.

7

2904164M91

BRIDLE

DeutschDesc: SPANNBAND

2шт.

8

1443789X1

SPRING WASHER

DeutschDesc: FEDERRING

4шт.

9

339169X1

NUT

DeutschDesc: MUTTER

8шт.

10

2976416M1

STUD

DeutschDesc: STUTZEN

1шт.

11

2904149M1

HOSE

EnglischBem: GOODS SOLD BY THE METER 2999 618 X1 1330 MM

1шт.

12

2999983M1

STUD

DeutschDesc: STUTZEN

1шт.

13

391363X1

SPRING PLATE

DeutschDesc: FEDERSCHEIBE

1шт.

14

2873001M1

WARN INDICATOR

DeutschDesc: WARNANZEIGER

1шт.

15

2874193M92

PRE FILTER

DeutschDesc: VORFILTER

1шт.

16

1038925M91

CYCLONE

DeutschDesc: ZYKLON

1шт.

17

2872926M1

CONTAINER

DeutschDesc: BEHAELTER

1шт.

18

2872927M1

COVER

DeutschDesc: DECKEL

1шт.

Выбрано товаров: 19