Запчасти Komatsu L600D Super БЛОК ЦИЛИНДРОВ И ATTACHING ЧАСТИ ДВИГАТЕЛЬ, АКСЕССУАРЫ И ЭЛЕКТРИЧ. СИСТЕМА

Схема запчастей Komatsu L600D Super - БЛОК ЦИЛИНДРОВ И ATTACHING ЧАСТИ ДВИГАТЕЛЬ, АКСЕССУАРЫ И ЭЛЕКТРИЧ. СИСТЕМА
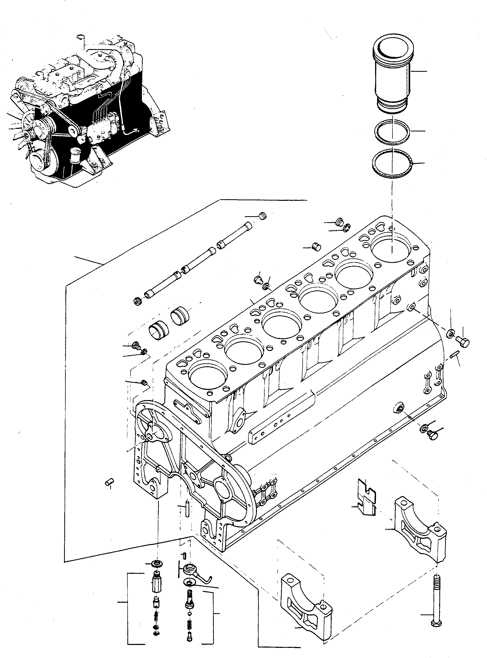
33
34
35
8
10
5
11
6
9
1
7
18
19
8
2
24
25
3
4
20
21
22
12
36
37
23
17
13
14
28
26
29
30
31
27
32
16
15
FIT
1:1
100%

Артикул

Название

Примечание

Количество

1

3090273M91

CYLINDER BLOCK

DeutschDesc: KURBELGEHAEUSE

1шт.

2

NOT USED

DeutschDesc: NICHT VERWENDET

-1шт.

3

2870803M1

BEARING

DeutschDesc: LAGER

1шт.

4

2870804M1

BEARING

DeutschDesc: LAGER

6шт.

5

2872175M1

TUBE

DeutschDesc: ROHR

2шт.

6

2872174M1

TUBE

DeutschDesc: ROHR

2шт.

7

2872173M1

TUBE

DeutschDesc: ROHR

2шт.

8

1443743X1

PLUG

DeutschDesc: VERSCHLUSSSTOPFEN

2шт.

9

1444256X1

PLUG

DeutschDesc: VERSCHLUSSSTOPFEN

1шт.

10

1444261X1

PLUG

DeutschDesc: VERSCHLUSSSTOPFEN

5шт.

11

1440993X1

SEAL

DeutschDesc: DICHTRING

5шт.

12

3004780X1

PLUG

DeutschDesc: VERSCHLUSSSTOPFEN

5шт.

13

2872172M1

BAFFLE

DeutschDesc: LEITBLECH

1шт.

14

NOT USED

DeutschDesc: NICHT VERWENDET

-1шт.

15

NOT USED

DeutschDesc: NICHT VERWENDET

-1шт.

16

1444035X1

SCREW

DeutschDesc: SCHRAUBE

14шт.

17

1443800X1

DOWEL

DeutschDesc: ZYLINDERSTIFT

7шт.

18

1444267X1

SCREW

DeutschDesc: SCHRAUBE

1шт.

19

1440997X1

SEAL

DeutschDesc: DICHTRING

1шт.

20

1443748X1

PLUG

DeutschDesc: VERSCHLUSSSTOPFEN

1шт.

21

1443848X1

SEAL

DeutschDesc: DICHTRING

1шт.

22

1444406X1

DOWEL

DeutschDesc: ZYLINDERSTIFT

4шт.

23

1444402X1

DOWEL

DeutschDesc: ZYLINDERSTIFT

2шт.

24

390839X1

SEAL

DeutschDesc: DICHTRING

1шт.

25

1443750X1

PLUG

DeutschDesc: VERSCHLUSSSTOPFEN

1шт.

26

1444747X1

SEAL

DeutschDesc: DICHTRING

1шт.

27

3093426M91

VALVE

DeutschDesc: VENTIL

1шт.

28

1440397X1

SLEEVE

DeutschDesc: HUELSE

6шт.

29

2870849M92

NOZZLE

EnglischBem: LEFT

3шт.

30

2870848M92

NOZZLE

EnglischBem: RIGHT

3шт.

31

2867218M1

SPRING

DeutschDesc: FEDER

6шт.

32

2870844M91

VALVE

DeutschDesc: VENTIL

6шт.

33

3093482M1

LINER

DeutschDesc: LAUFBUCHSE

6шт.

34

2997353M1

O-RING

DeutschDesc: O-RING

12шт.

35

2869916M2

SEAL

DeutschDesc: DICHTRING

12шт.

36

1443848X1

SEAL

DeutschDesc: DICHTRING

2шт.

37

1443748X1

PLUG

DeutschDesc: VERSCHLUSSSTOPFEN

2шт.

Выбрано товаров: 37