Запчасти Komatsu L600D Super ПАНЕЛЬ ПРИБОРОВ И INSTRUMENTS ДВИГАТЕЛЬ, АКСЕССУАРЫ И ЭЛЕКТРИЧ. СИСТЕМА

Схема запчастей Komatsu L600D Super - ПАНЕЛЬ ПРИБОРОВ И INSTRUMENTS ДВИГАТЕЛЬ, АКСЕССУАРЫ И ЭЛЕКТРИЧ. СИСТЕМА
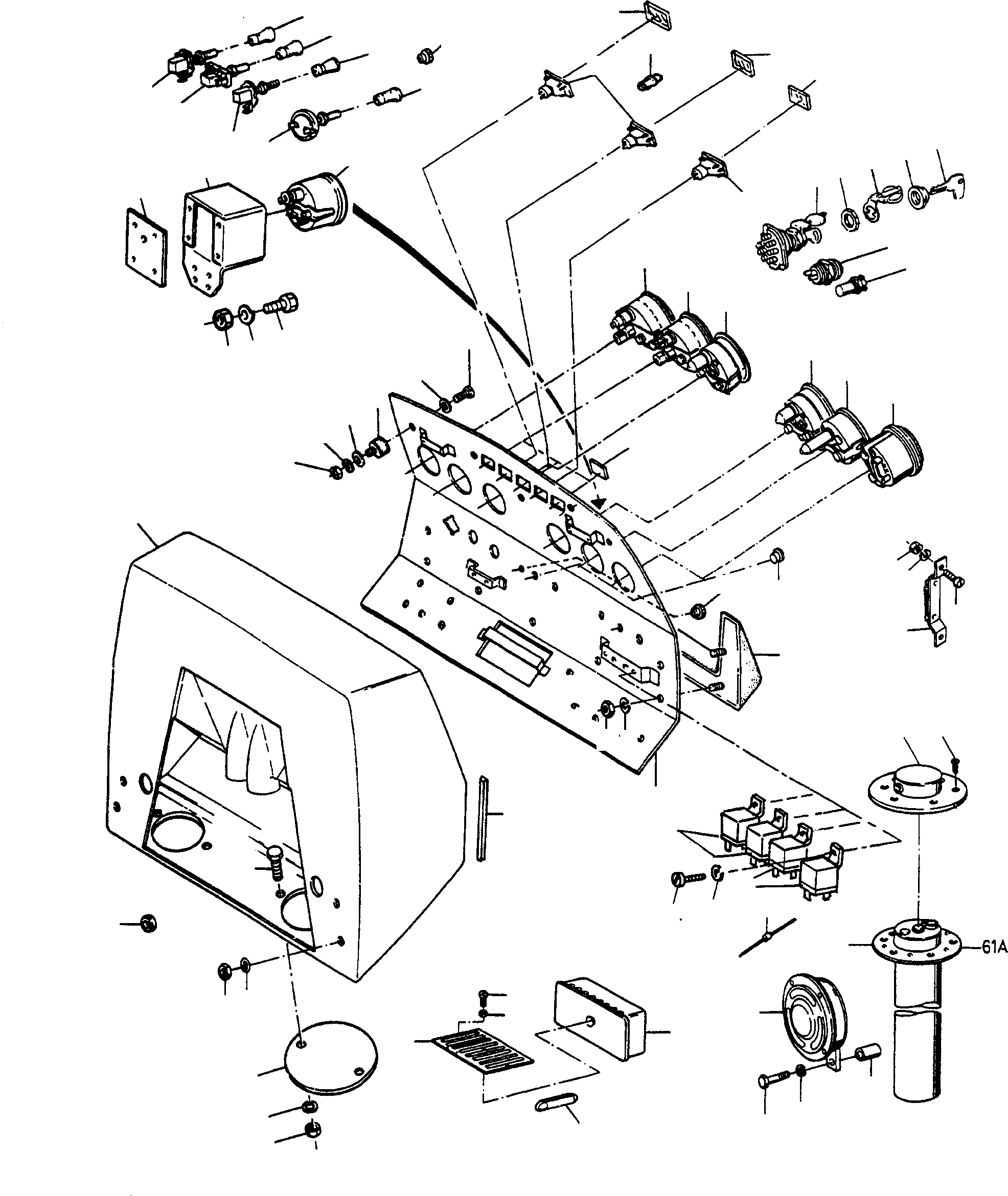
46
39
44
29
38
73
41
49
54
30
18
43
17
27
28
26
45
40
35
42
34
69
33
70
32
31
71
26
36
24
37
23
22
15
72
21
74
20
13
19
11
12
13
25
14
1
68
67
47
76
66
65
16
62
63
10
9
75
5
53
64
55
8
61
51
2
3
57
52
48
50
4
60
59
6
58
7
FIT
1:1
100%

Артикул

Название

Примечание

Количество

1

2904743M1

INSTRUMENT BOX

DeutschDesc: ARMATURENKASTEN

1шт.

2

391212X1

PLAIN WASHER

DeutschDesc: UNTERLEGSCHEIBE

2шт.

3

1444331X1

NUT

DeutschDesc: MUTTER

4шт.

4

2906389M1

COVER

EnglischBem: FOR VEHICLES WITHOUT HAETER

2шт.

5

339560X1

SCREW

EnglischBem: FOR VEHICLES WITHOUT HAETER

4шт.

6

1443791X1

SPRING WASHER

EnglischBem: FOR VEHICLES WITHOUT HAETER

4шт.

7

339030X1

NUT

DeutschDesc: MUTTER

4шт.

8

2999899M1

SPOUT

DeutschDesc: TUELLE

1шт.

9

2904760M1

RUBBER SECTIONAL

DeutschDesc: GUMMIPROFIL

1шт.

10

4020955M91

SWITCH BOARD

DeutschDesc: SCHALTBRETT

1шт.

11

2999868M1

BUFFER

DeutschDesc: PUFFER

4шт.

12

390971X1

PLAIN WASHER

DeutschDesc: UNTERLEGSCHEIBE

4шт.

13

1443791X1

SPRING WASHER

DeutschDesc: FEDERRING

8шт.

14

339030X1

NUT

DeutschDesc: MUTTER

4шт.

15

1444166X1

SCREW

DeutschDesc: SCHRAUBE

4шт.

16

2904905M91

KNEE PROTECTION

DeutschDesc: KNIESCHUTZ

1шт.

17

1443791X1

SPRING WASHER

DeutschDesc: FEDERRING

7шт.

18

339030X1

NUT

DeutschDesc: MUTTER

7шт.

19

3091265M91

HOUR-METER

DeutschDesc: STUNDENZAEHLER

1шт.

20

2904910M92

FUEL INDICATOR

DeutschDesc: KRAFTSTOFFANZEIGER

1шт.

21

2964657M91

THERMOMETER

DeutschDesc: THERMOMETER

1шт.

22

2964672M91

THERMOMETER

DeutschDesc: THERMOMETER

1шт.

23

4005506M91

MANOMETER

EnglischBem: REPAIRS AND REPLACES 2952 938 M91

1шт.

24

2964654M93

MANOMETER

DeutschDesc: MANOMETER

1шт.

25

2937706M1

BLANK COVER

DeutschDesc: BLINDDECKEL

2шт.

26

2937747M91

CONTROL LIGHT

DeutschDesc: KONTROLLEUCHTE

3шт.

27

3080493M1

LENS

DeutschDesc: LINSE

1шт.

28

2937700M1

LENS

EnglischBem: FOR FLAME STARTER SYSTEM

1шт.

29

2937699M1

LENS

DeutschDesc: LINSE

2шт.

30

1444995X1

BULB

DeutschDesc: GLUEHLAMPE

8шт.

31

2875152M91

STARTER SWITCH

SN: 332720080

1шт.

31A

4211229M91

STARTER SWITCH

SN: 332720081-UP

1шт.

32

2875139M1

NUT

DeutschDesc: MUTTER

1шт.

33

2875140M1

FLAP

DeutschDesc: KLAPPE

1шт.

33A

4201275M1

FLAP

DeutschDesc: KLAPPE

1шт.

34

2875141M1

NUT

DeutschDesc: MUTTER

1шт.

34A

4909246M1

NUT

DeutschDesc: MUTTER

1шт.

35

2888236M1

STARTING KEY

DeutschDesc: ZUENDSCHLUESSEL

1шт.

35A

4909551M1

KEY KIT

DeutschDesc: SCHLUESSELSATZ

1шт.

36

2955032M1

PRESSURE SWITCH

DeutschDesc: DRUCKSCHALTER

1шт.

37

2893761M91

SOCKET

DeutschDesc: STECKDOSE

1шт.

38

2937724M91

SWITCH

EnglischBem: HEATER

1шт.

39

3073356M1

BUTTON

EnglischBem: HEATER

1шт.

40

2951376M1

SWITCH

EnglischBem: WINDSCREEN WIPER

1шт.

41

2951374M1

BUTTON

EnglischBem: WINDSCREEN WIPER

1шт.

42

2951370M1

SWITCH

EnglischBem: REAR HEATER WORKING LAMP

2шт.

43

2951372M1

BUTTON

EnglischBem: REAR HEATER

1шт.

43A

2951375M1

BUTTON

EnglischBem: WORKING LAMP

1шт.

44

2951377M1

SWITCH

EnglischBem: HEADLIGHTS

1шт.

45

2951378M1

BUTTON

EnglischBem: HEADLIGHTS

1шт.

46

2885698M1

PLUG

DeutschDesc: VERSCHLUSSSTOPFEN

2шт.

47

2860599M1

PLUG

DeutschDesc: VERSCHLUSSSTOPFEN

2шт.

48

2898804M91

FUSE BOX

DeutschDesc: SICHERUNGSDOSE

1шт.

49

1443699X1

FUSE

DeutschDesc: SICHERUNG ELEKTR.

8шт.

50

2904870M1

NOTE PLATE

DeutschDesc: HINWEISSCHILD

1шт.

51

390958X1

SCREW

DeutschDesc: SCHRAUBE

2шт.

52

1443793X1

SPRING WASHER

DeutschDesc: FEDERRING

6шт.

53

2949075M1

RELAY

EnglischBem: EXCLUDER STARTER

1шт.

54

1444201X1

SCREW

DeutschDesc: SCHRAUBE

5шт.

55

2993678X1

SPRING WASHER

DeutschDesc: FEDERRING

5шт.

56

NOT USED

DeutschDesc: NICHT VERWENDET

-1шт.

57

4005745M91

HORN

DeutschDesc: HUPE

1шт.

58

339337X1

SCREW

DeutschDesc: SCHRAUBE

1шт.

59

1443789X1

SPRING WASHER

DeutschDesc: FEDERRING

1шт.

60

2964382M1

TUBE

DeutschDesc: ROHR

1шт.

61

2904935M91

FUEL INDICATOR

DeutschDesc: KRAFTSTOFFANZEIGER

1шт.

61A

2945530M1

GASKET

DeutschDesc: DICHTUNG

1шт.

62

2904979M91

COVER

DeutschDesc: DECKEL

1шт.

63

1444206X1

SCREW

DeutschDesc: SCHRAUBE

6шт.

64

2904737M2

DIODE

DeutschDesc: DIODE

1шт.

65

2872987M2

RESISTOR

EnglischBem: FOR FLAME STARTER SYSTEM

1шт.

66

1443721X1

SCREW

EnglischBem: FOR FLAME STARTER SYSTEM

2шт.

67

1440998X1

SPRING PLATE

EnglischBem: FOR FLAME STARTER SYSTEM

2шт.

68

339030X1

NUT

EnglischBem: FOR FLAME STARTER SYSTEM

2шт.

69

NOT USED

DeutschDesc: NICHT VERWENDET

-1шт.

70

NOT USED

DeutschDesc: NICHT VERWENDET

-1шт.

71

NOT USED

DeutschDesc: NICHT VERWENDET

-1шт.

72

NOT USED

DeutschDesc: NICHT VERWENDET

-1шт.

73

NOT USED

DeutschDesc: NICHT VERWENDET

-1шт.

74

NOT USED

DeutschDesc: NICHT VERWENDET

-1шт.

75

3097003M1

RELAY

DeutschDesc: RELAIS

4шт.

76

2998671M1

PLUG

DeutschDesc: VERSCHLUSSSTOPFEN

1шт.

Выбрано товаров: 82