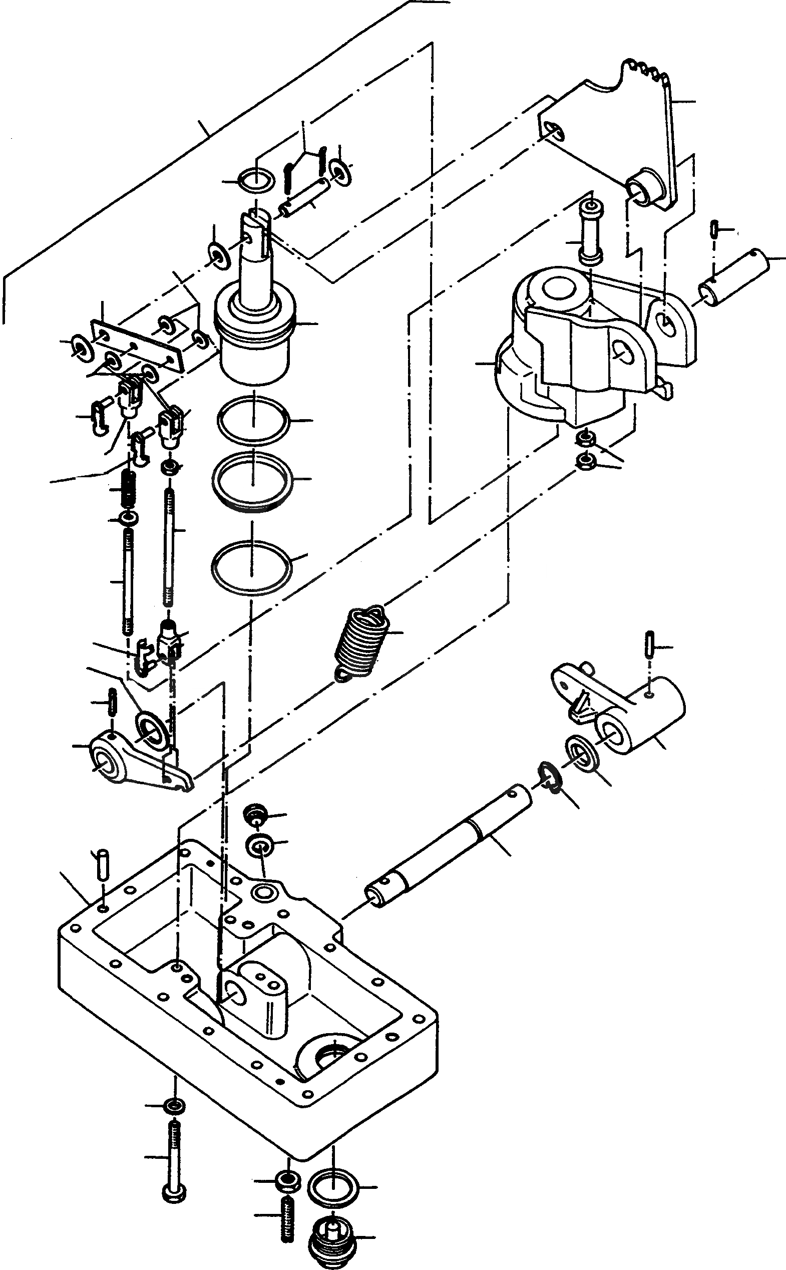
Запчасти Komatsu L600D Super CONVERTER ТРАНСМИССИЯ, УПРАВЛ-Е МОТОР CONVERTER ТРАНСМИССИЯ, КОЖУХ И КОМПОНЕНТЫ

Схема запчастей Komatsu L600D Super - CONVERTER ТРАНСМИССИЯ, УПРАВЛ-Е МОТОР CONVERTER ТРАНСМИССИЯ, КОЖУХ И КОМПОНЕНТЫ
41
45
43
38
1
36
42
36
37
24
35
44
34
36
20
35
32
29
39
31
28
23
40
33
27
26
30
39
25
32
19
33
16
11
10
9
15
14
5
13
6
4
3
12
22
21
18
8
17
7
FIT
1:1
100%

Артикул

Название

Примечание

Количество

1

3077068M91

ENGINE

DeutschDesc: MOTOR

1шт.

2

NOT USED

DeutschDesc: NICHT VERWENDET

-1шт.

3

3241039M16

COVER

DeutschDesc: DECKEL

1шт.

4

1444403X1

DOWEL

DeutschDesc: ZYLINDERSTIFT

4шт.

5

1444261X1

PLUG

DeutschDesc: VERSCHLUSSSTOPFEN

1шт.

6

1440993X1

SEAL

DeutschDesc: DICHTRING

1шт.

7

2881785M1

PLUG

DeutschDesc: VERSCHLUSSSTOPFEN

1шт.

8

391265X1

SEAL

DeutschDesc: DICHTRING

1шт.

9

3241041M1

LEVER

DeutschDesc: HEBEL

1шт.

10

339662X1

ADAPTER SLEEVES

DeutschDesc: SPANNHUELSE

1шт.

11

1443771X1

DISC

DeutschDesc: SCHEIBE

1шт.

12

3241040M1

SHAFT

DeutschDesc: WELLE

1шт.

13

1441761X1

CIRCLIP

DeutschDesc: SICHERUNGSRING

1шт.

14

2904287M1

SEAL

DeutschDesc: DICHTRING

1шт.

15

3241042M1

LEVER

DeutschDesc: HEBEL

1шт.

16

339662X1

ADAPTER SLEEVES

DeutschDesc: SPANNHUELSE

1шт.

17

3005561X1

GRUB SCREW

DeutschDesc: GEWINDESTIFT

1шт.

18

390678X1

NUT

DeutschDesc: MUTTER

1шт.

19

3241053M1

TENSION SPRING

DeutschDesc: ZUGFEDER

1шт.

20

3241043M1

HOUSING

DeutschDesc: GEHAEUSE

1шт.

21

339368X1

SCREW

DeutschDesc: SCHRAUBE

3шт.

22

1442850X1

DISC

DeutschDesc: SCHEIBE

2шт.

23

1444294X1

NUT

DeutschDesc: MUTTER

2шт.

24

3241048M1

PISTON

DeutschDesc: KOLBEN

1шт.

25

3241046M1

SCREW

DeutschDesc: SCHRAUBE

1шт.

26

390971X1

PLAIN WASHER

DeutschDesc: UNTERLEGSCHEIBE

1шт.

27

3241047M1

SPRING

DeutschDesc: FEDER

1шт.

28

391040X1

FORK HEAD

DeutschDesc: GABELKOPF

1шт.

29

3241051M1

CLEVIS PIN

DeutschDesc: GABELKOPFBOLZEN

1шт.

30

3008639X1

SCREW

DeutschDesc: SCHRAUBE

1шт.

31

390847X1

NUT

DeutschDesc: MUTTER

1шт.

32

391040X1

FORK HEAD

DeutschDesc: GABELKOPF

1шт.

33

3241051M1

CLEVIS PIN

DeutschDesc: GABELKOPFBOLZEN

2шт.

34

3241049M1

SHEET

DeutschDesc: BLECH

1шт.

35

3008638X1

DISC

DeutschDesc: SCHEIBE

4шт.

36

390744X1

DISC

DeutschDesc: SCHEIBE

3шт.

37

3008636X1

PIN

DeutschDesc: BOLZEN

1шт.

38

3002180X1

COTTER

DeutschDesc: SPLINT

2шт.

39

2904273M1

O-RING

DeutschDesc: O-RING

2шт.

40

3241045M1

DISC

DeutschDesc: SCHEIBE

1шт.

41

3241044M1

PISTON

DeutschDesc: KOLBEN

1шт.

42

2904279M1

O-RING

DeutschDesc: O-RING

1шт.

43

3241050M1

LEVER

DeutschDesc: HEBEL

1шт.

44

3008637X1

PIN

DeutschDesc: BOLZEN

1шт.

45

1440961X1

ADAPTER SLEEVES

DeutschDesc: SPANNHUELSE

1шт.

Выбрано товаров: 45