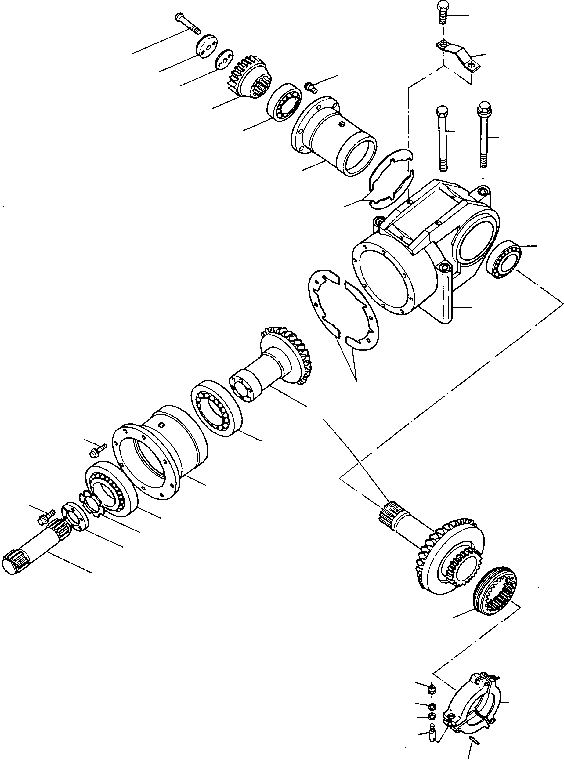
Запчасти Komatsu L700D Turbo КОНИЧЕСКАЯ ПЕРЕДАЧА ТРАНСМИССИЯ И ЗАДН. МОСТ

Схема запчастей Komatsu L700D Turbo - КОНИЧЕСКАЯ ПЕРЕДАЧА ТРАНСМИССИЯ И ЗАДН. МОСТ
13
29
28
19
6
18
17
16
2
13
1
15
14
12
11
10
6
9
8
6
7
5
4
3
21
27
26
22
25
23
24
FIT
1:1
100%

Артикул

Название

Примечание

Количество

1

2901209M91

SCREW

DeutschDesc: SCHRAUBE

2шт.

2

1444041X1

SCREW

DeutschDesc: SCHRAUBE

1шт.

3

2901002M1

SHAFT

DeutschDesc: WELLE

1шт.

4

2900998M1

ADJUSTING COLLAR

DeutschDesc: EINSTELLRING

1шт.

5

2900999M1

ADJ SLIDE

EnglischBem: THICKNESS 0,1 MM

-26шт.

5A

2901000M1

ADJ SLIDE

EnglischBem: THICKNESS 0,2 MM

-26шт.

5B

2901001M1

ADJ SLIDE

EnglischBem: THICKNESS 0,3 MM

-26шт.

6

1444135X1

SCREW

DeutschDesc: SCHRAUBE

20шт.

7

1444541X1

TAPER.ROLLER BEARING

DeutschDesc: KEGELROLLENLAGER

1шт.

8

3063855M8

BUSHING

DeutschDesc: BUCHSE

1шт.

9

1442954X1

ROLLER BEARING

DeutschDesc: ROLLENLAGER

1шт.

10

3063851M8

BEVEL GEAR

DeutschDesc: KEGELRAD

1шт.

11

2900995M1

ADJ SLIDE

EnglischBem: THICKNESS 0,5 MM

-26шт.

11A

2900996M1

ADJ SLIDE

EnglischBem: THICKNESS 0,4 MM

-26шт.

11B

2900997M1

ADJ SLIDE

EnglischBem: THICKNESS 0,3 MM

-26шт.

12

2976456M1

HOUSING

DeutschDesc: GEHAEUSE

1шт.

13

3002641X1

ROLLER BEARING

DeutschDesc: ROLLENLAGER

2шт.

14

2901005M1

ADJ SLIDE

EnglischBem: THICKNESS 0,5 MM

-26шт.

14A

2901006M1

ADJ SLIDE

EnglischBem: THICKNESS 0,4 MM

-26шт.

14B

2901007M1

ADJ SLIDE

EnglischBem: THICKNESS 0,3 MM

-26шт.

15

3063856M8

BUSHING

DeutschDesc: BUCHSE

1шт.

16

2901138M1

DRIVING

DeutschDesc: MITNEHMER

1шт.

17

2901008M2

ADJ SLIDE

EnglischBem: THICKNESS 0,3 MM

-26шт.

17A

2901009M2

ADJ SLIDE

EnglischBem: THICKNESS 0,4 MM

-26шт.

17B

2901010M2

ADJ SLIDE

EnglischBem: THICKNESS 0,5 MM

-26шт.

18

2900962M1

DISC

DeutschDesc: SCHEIBE

1шт.

19

1444047X1

SCREW

DeutschDesc: SCHRAUBE

2шт.

20

NOT USED

DeutschDesc: NICHT VERWENDET

-1шт.

21

2901156M1

THIMBLE

DeutschDesc: MUFFE

2шт.

22

2901216M91

CLIP

DeutschDesc: SCHELLE

2шт.

23

2901159M1

EYE BOLT

DeutschDesc: AUGENSCHRAUBE

6шт.

24

2995186X1

PEG

DeutschDesc: STIFT

6шт.

25

2901158M1

BALL SOCKET

DeutschDesc: KUGELPFANNE

6шт.

26

1440927X1

BALL SOCKET

DeutschDesc: KUGELPFANNE

6шт.

27

1444331X1

NUT

DeutschDesc: MUTTER

6шт.

28

2901083M1

STIRRUP

DeutschDesc: BUEGEL

1шт.

29

1444130X1

SCREW

DeutschDesc: SCHRAUBE

2шт.

Выбрано товаров: 0