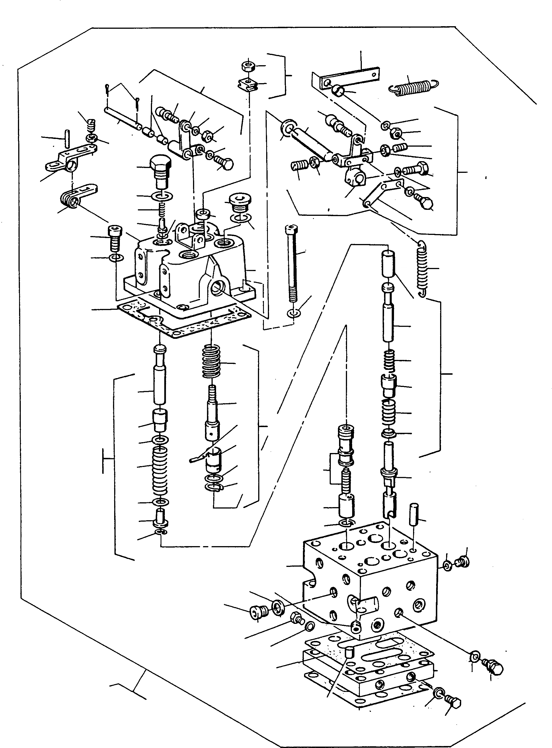
Запчасти Komatsu L700D Turbo РУЛЕВ. УПРАВЛЕНИЕ ,СИСТЕМА. УПРАВЛЯЮЩ. КЛАПАН СИСТЕМАУПРАВЛЕНИЯ ПОВОРОТОМ, ПЕРЕДНИЙ МОСТ, ТОРМОЗ. СИСТЕМА

Схема запчастей Komatsu L700D Turbo - РУЛЕВ. УПРАВЛЕНИЕ ,СИСТЕМА. УПРАВЛЯЮЩ. КЛАПАН СИСТЕМАУПРАВЛЕНИЯ ПОВОРОТОМ, ПЕРЕДНИЙ МОСТ, ТОРМОЗ. СИСТЕМА
90
49
51
24
91
34
50
41
21
14
52
19
92
16
27
15
38
17
40
30
18
20
39
29
28
37
13
31
36
6
32
33
12
36
25
37
42
7
4
35
8
10
44
11
26
43
9
5
22
88
23
45
3
89
57
46
60
63
54
50
61
77
53
64
56
50
76
62
55
75
69
58
70
72
68
65
59
73
67
74
66
81
71
82
47
78
80
79
93
94
95
83
48
1
2
84
87
85
86
FIT
1:1
100%

Артикул

Название

Примечание

Количество

1

2903136M93

CONTROL VALVE

DeutschDesc: STEUERVENTIL

1шт.

2

NOT USED

DeutschDesc: NICHT VERWENDET

-1шт.

3

NOT USED

DeutschDesc: NICHT VERWENDET

-1шт.

4

1444260X1

PLUG

DeutschDesc: VERSCHLUSSSTOPFEN

1шт.

5

1444747X1

SEAL

DeutschDesc: DICHTRING

2шт.

6

2903027M1

PLUG

DeutschDesc: VERSCHLUSSSTOPFEN

2шт.

7

1442936X1

SEAL

DeutschDesc: DICHTRING

2шт.

8

2903028M1

SPRING

DeutschDesc: FEDER

2шт.

9

2903029M1

PILOT

DeutschDesc: FUEHRUNG

2шт.

10

3007434X1

CIRCLIP

DeutschDesc: SICHERUNGSRING

2шт.

11

3005037X1

SEAL

DeutschDesc: DICHTRING

1шт.

12

3007466X1

SCREW

DeutschDesc: SCHRAUBE

2шт.

13

1443791X1

SPRING WASHER

DeutschDesc: FEDERRING

2шт.

14

2903164M91

BRAKE LEVER

DeutschDesc: BREMSHEBEL

1шт.

15

NOT USED

DeutschDesc: NICHT VERWENDET

-1шт.

16

1443816X1

BALL PIVOT

DeutschDesc: KUGELZAPFEN

1шт.

17

1443789X1

SPRING WASHER

DeutschDesc: FEDERRING

1шт.

18

390679X1

NUT

DeutschDesc: MUTTER

1шт.

19

2999413M1

BUSHING

DeutschDesc: BUCHSE

2шт.

20

3003099X1

PIN

DeutschDesc: BOLZEN

1шт.

21

391400X1

COTTER

DeutschDesc: SPLINT

2шт.

22

390580X1

SCREW

DeutschDesc: SCHRAUBE

2шт.

23

391241X1

SPRING WASHER

DeutschDesc: FEDERRING

2шт.

24

3002150X1

DOWEL

DeutschDesc: ZYLINDERSTIFT

2шт.

25

2903030M1

ROCKER ARM

DeutschDesc: KIPPHEBEL

2шт.

26

2903031M1

LEVER

DeutschDesc: HEBEL

2шт.

27

3005579X1

GRUB SCREW

DeutschDesc: GEWINDESTIFT

2шт.

28

1444294X1

NUT

DeutschDesc: MUTTER

2шт.

29

339548X1

ADAPTER SLEEVES

DeutschDesc: SPANNHUELSE

2шт.

30

2903053M1

SHAFT

DeutschDesc: WELLE

2шт.

31

3005036X1

SEAL

DeutschDesc: DICHTRING

2шт.

32

2903168M92

STEERING LEVER

DeutschDesc: LENKHEBEL

1шт.

33

2903163M92

STEERING LEVER

DeutschDesc: LENKHEBEL

1шт.

34

NOT USED

DeutschDesc: NICHT VERWENDET

-1шт.

35

NOT USED

DeutschDesc: NICHT VERWENDET

-1шт.

36

1444294X1

NUT

EnglischBem: NOTE: Pos.(36) included in Pos.(32) and (33) Kit

4шт.

37

3004997X1

GRUB SCREW

EnglischBem: NOTE: Pos.(37) included in Pos.(32) and (33) Kit

4шт.

38

1443816X1

BALL PIVOT

EnglischBem: NOTE: Pos.(38) included in Pos.(32) and (33) Kit

2шт.

39

390679X1

NUT

EnglischBem: NOTE: Pos.(39) included in Pos.(32) and (33) Kit

2шт.

40

1443789X1

SPRING WASHER

EnglischBem: NOTE: Pos.(40) included in Pos.(32) and (33) Kit

2шт.

41

339666X1

SCREW

EnglischBem: NOTE: Pos.(41) included in Pos.(32) and (33) Kit

2шт.

42

1443791X1

SPRING WASHER

EnglischBem: NOTE: Pos.(42) included in Pos.(32) and (33) Kit

6шт.

43

2903052M1

ANGLE

EnglischBem: NOTE: Pos.(43) included in Pos.(32) and (33) Kit

2шт.

44

391687X1

SCREW

EnglischBem: NOTE: Pos.(44) included in Pos.(32) and (33) Kit

4шт.

45

2989386M1

SPRING

DeutschDesc: FEDER

2шт.

46

2903040M1

GASKET

DeutschDesc: DICHTUNG

1шт.

47

NOT USED

DeutschDesc: NICHT VERWENDET

-1шт.

48

2903055M1

SCREW

DeutschDesc: SCHRAUBE

2шт.

49

1443789X1

SPRING WASHER

DeutschDesc: FEDERRING

2шт.

50

2980664M91

BRAKE VALVE

DeutschDesc: BREMSVENTIL

1шт.

51

1444294X1

NUT

DeutschDesc: MUTTER

1шт.

52

2903035M1

DRIVING

DeutschDesc: MITNEHMER

1шт.

53

NOT USED

DeutschDesc: NICHT VERWENDET

-1шт.

54

2903049M1

SPRING

DeutschDesc: FEDER

1шт.

55

NOT USED

DeutschDesc: NICHT VERWENDET

-1шт.

56

339303X1

ADAPTER SLEEVES

DeutschDesc: SPANNHUELSE

1шт.

57

NOT USED

DeutschDesc: NICHT VERWENDET

-1шт.

58

2903050M1

DISC

DeutschDesc: SCHEIBE

1шт.

59

339276X1

CIRCLIP

DeutschDesc: SICHERUNGSRING

1шт.

60

NOT USED

DeutschDesc: NICHT VERWENDET

-1шт.

61

NOT USED

DeutschDesc: NICHT VERWENDET

-1шт.

62

NOT USED

DeutschDesc: NICHT VERWENDET

-1шт.

63

2903082M1

SPRING

DeutschDesc: FEDER

1шт.

64

2903081M1

SPRING

DeutschDesc: FEDER

1шт.

65

NOT USED

DeutschDesc: NICHT VERWENDET

-1шт.

66

3006771X1

SNAP RING

DeutschDesc: SPRENGRING

4шт.

67

2980689M1

STOP

DeutschDesc: ANSCHLAG

4шт.

68

2903033M1

SHUTTLE

DeutschDesc: STEUERKOLBEN

4шт.

69

2903160M91

TAPPET

DeutschDesc: STOESSEL

2шт.

70

2903162M91

TAPPET

DeutschDesc: STOESSEL

2шт.

71

3005025X1

CIRCLIP

EnglischBem: NOTE: Pos.(71) included in Pos.(69) and (70) Kit

4шт.

72

2903058M1

SPRING

DeutschDesc: FEDER

1шт.

73

NOT USED

DeutschDesc: NICHT VERWENDET

-1шт.

74

NOT USED

DeutschDesc: NICHT VERWENDET

-1шт.

75

NOT USED

DeutschDesc: NICHT VERWENDET

-1шт.

76

NOT USED

DeutschDesc: NICHT VERWENDET

-1шт.

77

NOT USED

DeutschDesc: NICHT VERWENDET

-1шт.

78

3004779X1

PLUG

DeutschDesc: VERSCHLUSSSTOPFEN

9шт.

79

1444264X1

PLUG

DeutschDesc: VERSCHLUSSSTOPFEN

1шт.

80

1440012X1

SEAL

DeutschDesc: DICHTRING

1шт.

81

1444261X1

PLUG

DeutschDesc: VERSCHLUSSSTOPFEN

1шт.

82

1440993X1

SEAL

DeutschDesc: DICHTRING

1шт.

83

4000661M91

PLATE

DeutschDesc: PLATTE

1шт.

84

1444430X1

PEG

DeutschDesc: STIFT

1шт.

85

2903014M1

GASKET

DeutschDesc: DICHTUNG

1шт.

86

1444266X1

PLUG

DeutschDesc: VERSCHLUSSSTOPFEN

4шт.

87

1440993X1

SEAL

DeutschDesc: DICHTRING

4шт.

88

1444197X1

SCREW

DeutschDesc: SCHRAUBE

4шт.

89

1443790X1

SPRING WASHER

DeutschDesc: FEDERRING

4шт.

90

2903616M1

STRAP

DeutschDesc: LASCHE

3шт.

91

2903615M1

SPRING

DeutschDesc: FEDER

3шт.

92

2903617M1

DISTANCE PIECE

DeutschDesc: DISTANZSTUECK

3шт.

93

1444262X1

PLUG

DeutschDesc: VERSCHLUSSSTOPFEN

1шт.

94

391312X1

SEAL

DeutschDesc: DICHTRING

1шт.

95

2903015M2

GASKET

DeutschDesc: DICHTUNG

1шт.

Выбрано товаров: 0