Запчасти Komatsu L700D Turbo ДВИГАТЕЛЬ TIMING ПРИВОД ДВИГАТЕЛЬ, АКСЕССУАРЫ И ЭЛЕКТРИЧ. СИСТЕМА

Схема запчастей Komatsu L700D Turbo - ДВИГАТЕЛЬ TIMING ПРИВОД ДВИГАТЕЛЬ, АКСЕССУАРЫ И ЭЛЕКТРИЧ. СИСТЕМА
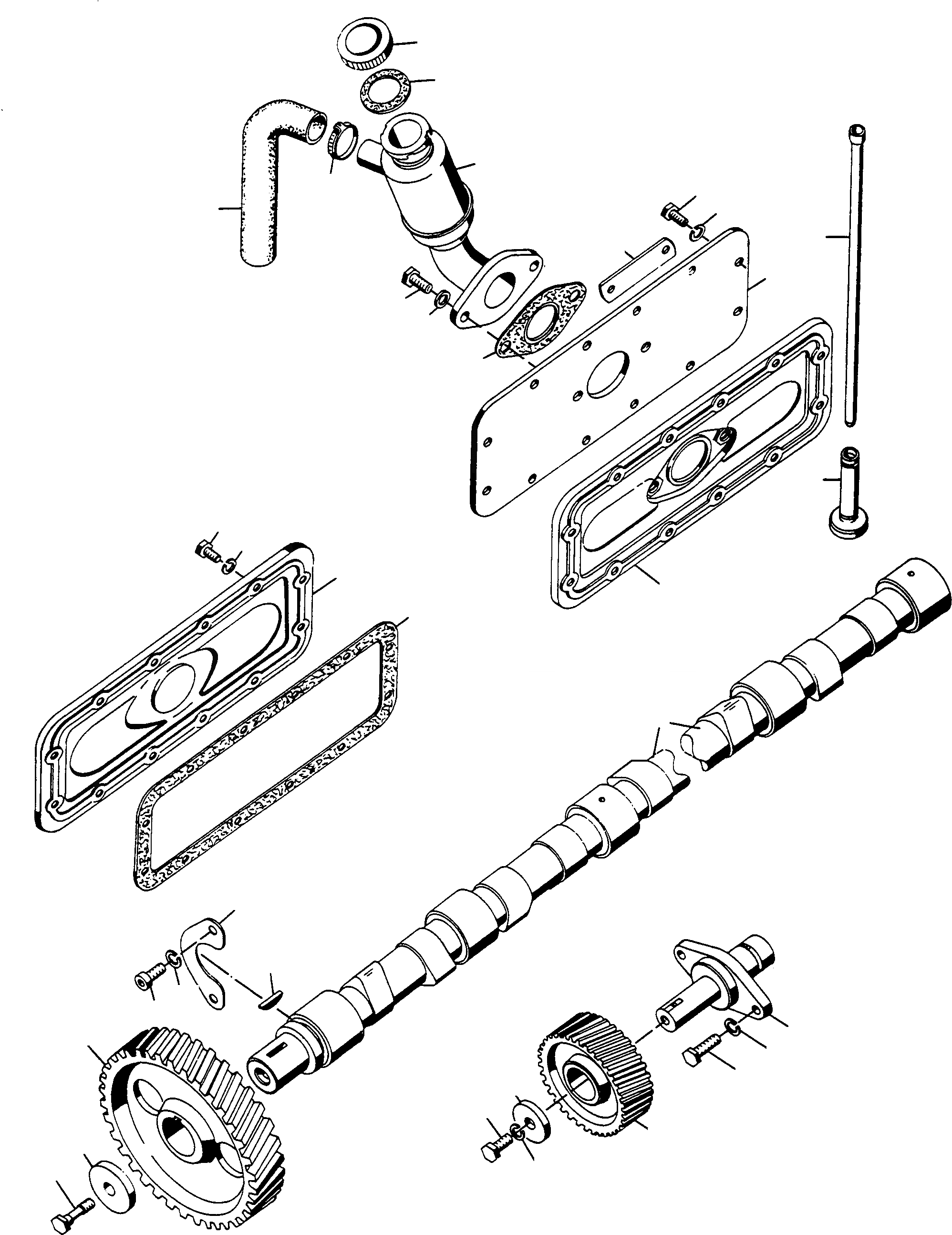
9A
23
11
31
10
27
9
13
6
5
12
16
7
3
14
15
8
17
6
5
1
4
2
25
24
21
22
26
20
31
30
28
29
19
18
FIT
1:1
100%

Артикул

Название

Примечание

Количество

1

2870806M1

COVER

EnglischBem: SN:-10 645 053

1шт.

2

2870823M1

GASKET

DeutschDesc: DICHTUNG

1шт.

3

2872171M1

COVER

DeutschDesc: DECKEL

2шт.

4

NOT USED

DeutschDesc: NICHT VERWENDET

-1шт.

5

1443789X1

SPRING WASHER

DeutschDesc: FEDERRING

12шт.

6

339123X1

SCREW

DeutschDesc: SCHRAUBE

12шт.

7

2964849M1

SLAT

DeutschDesc: LEISTE

6шт.

8

3007290X1

GASKET

DeutschDesc: DICHTUNG

1шт.

9

2872678M91

FILTER

EnglischBem: SN:-10 645 053

1шт.

9A

2871677M91

FILTER

EnglischBem: SN:10 645 054 -

2шт.

10

2869659M1

GASKET

EnglischBem: NOTE: Pos. (10) included in Pos. (9) and (9A) Kit

1шт.

11

2869658M1

COVER

EnglischBem: NOTE: Pos. (11) included in Pos. (9) and (9A) Kit

1шт.

12

2869290M1

HOSE

DeutschDesc: SCHLAUCH

1шт.

13

1444846X1

CLIP

DeutschDesc: SCHELLE

1шт.

14

339081X1

SCREW

DeutschDesc: SCHRAUBE

2шт.

15

1444745X1

SEAL

DeutschDesc: DICHTRING

2шт.

16

2871298M1

TAPPET ROD

DeutschDesc: STOESSELSTANGE

12шт.

17

2871296M1

TAPPET

DeutschDesc: STOESSEL

12шт.

18

2870137M1

NECK DOWN BOLT

DeutschDesc: DEHNSCHRAUBE

1шт.

19

2871290M1

DISC

DeutschDesc: SCHEIBE

1шт.

20

2871300M1

DRIVE GEAR

DeutschDesc: ANTRIEBSZAHNRAD

1шт.

21

391348X1

WOODRUFF KEY

DeutschDesc: SCHEIBENFEDER

1шт.

22

1440818X1

SCREW

DeutschDesc: SCHRAUBE

2шт.

23

1443790X1

SPRING WASHER

DeutschDesc: FEDERRING

2шт.

24

2871289M1

DISC

DeutschDesc: SCHEIBE

1шт.

25

2872313M1

CAMSHAFT

DeutschDesc: NOCKENWELLE

1шт.

26

2871285M91

FLANGE

DeutschDesc: FLANSCH

1шт.

27

2871281M1

GEAR

DeutschDesc: ZAHNRAD

1шт.

28

2862171M1

DISC

DeutschDesc: SCHEIBE

1шт.

29

391932X1

SCREW

DeutschDesc: SCHRAUBE

1шт.

30

339401X1

SCREW

DeutschDesc: SCHRAUBE

2шт.

31

1443790X1

SPRING WASHER

DeutschDesc: FEDERRING

3шт.

Выбрано товаров: 0