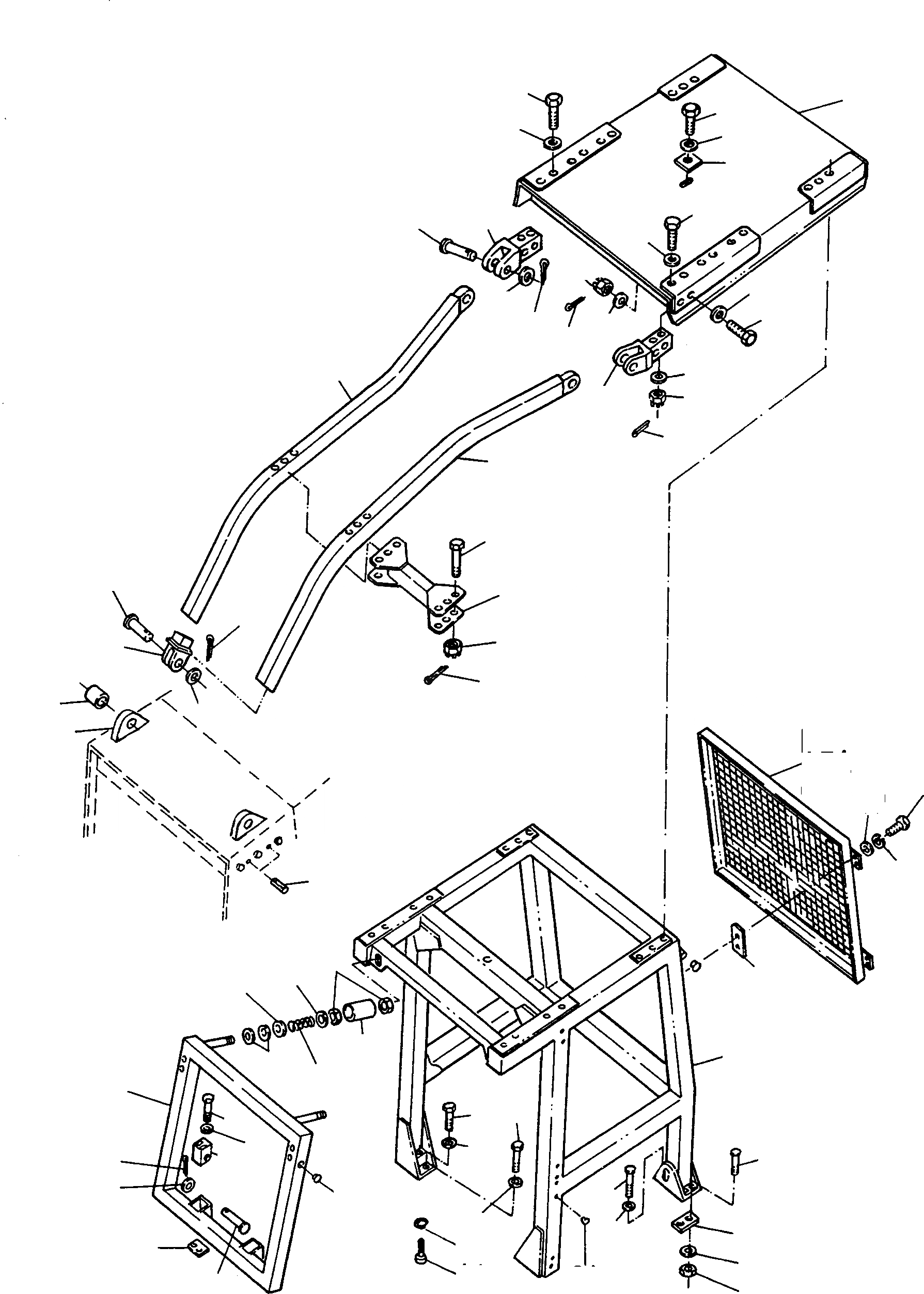
Запчасти Komatsu L700D Turbo R.O.P.S. НАВЕС, СПЕЦ. ОБОРУД-Е ШАССИ И SUPERSTRUCTURE

Схема запчастей Komatsu L700D Turbo - R.O.P.S. НАВЕС, СПЕЦ. ОБОРУД-Е ШАССИ И SUPERSTRUCTURE
29
44
45
26
41
41A
42
29
10
28
4B
28
4A
48B
48A
47A
27
47B
49
33
30
37
34
35
34
38
33
34
36
36
32
34
30
35
36
31
37
43
39
40
46
38
47
48
50
22
20
19
51
21
1
18
17
9
7
6
11
12
8
16
2
7
15
23
8
8
5
13
3
24
14
4
FIT
1:1
100%

Артикул

Название

Примечание

Количество

1

3089550M91

ROPS

DeutschDesc: UEBERROLLSCHUTZ

1шт.

2

1443677X1

SCREW

DeutschDesc: SCHRAUBE

8шт.

3

2994705M1

SAFETY RING

DeutschDesc: SICHERHEITSRING

8шт.

4

NOT USED

DeutschDesc: NICHT VERWENDET

-1шт.

4A

3005540X1

SCREW

DeutschDesc: SCHRAUBE

2шт.

4B

4001445M1

SPRING WASHER

DeutschDesc: FEDERRING

2шт.

5

3078227M1

ADJ SLIDE

DeutschDesc: EINSTELLBLECH

-26шт.

6

1444078X1

SCREW

DeutschDesc: SCHRAUBE

4шт.

7

1443677X1

SCREW

DeutschDesc: SCHRAUBE

4шт.

8

2994705M1

SAFETY RING

DeutschDesc: SICHERHEITSRING

4шт.

9

2964866M91

FRONT FRAME

DeutschDesc: VORDERRAHMEN

1шт.

10

2905864M1

BEARING

DeutschDesc: LAGER

2шт.

11

1444077X1

SCREW

DeutschDesc: SCHRAUBE

4шт.

12

2993793X1

SPRING WASHER

DeutschDesc: FEDERRING

4шт.

13

2905939M1

DISC

DeutschDesc: SCHEIBE

-26шт.

14

1444514X1

PIN

DeutschDesc: BOLZEN

2шт.

15

390735X1

RING

DeutschDesc: RING

2шт.

16

339076X1

PEG

DeutschDesc: STIFT

2шт.

17

2936051M1

COMPRESSION SPRING

DeutschDesc: DRUCKFEDER

2шт.

18

2880516M1

DISC

DeutschDesc: SCHEIBE

4шт.

19

2905958M1

DISC

DeutschDesc: SCHEIBE

2шт.

20

390745X1

PLAIN WASHER

DeutschDesc: UNTERLEGSCHEIBE

2шт.

21

2964869M91

SHEATH

DeutschDesc: HUELLE

2шт.

22

339592X1

NUT

DeutschDesc: MUTTER

4шт.

23

1444252X1

PLUG

DeutschDesc: VERSCHLUSSSTOPFEN

6шт.

24

1444248X1

PLUG

DeutschDesc: VERSCHLUSSSTOPFEN

24шт.

25

NOT USED

DeutschDesc: NICHT VERWENDET

-1шт.

26

3085405M91

ROOF

DeutschDesc: DACH

1шт.

27

2962851M1

PLATE

DeutschDesc: PLATTE

1шт.

28

3005009X1

PLAIN WASHER

DeutschDesc: UNTERLEGSCHEIBE

15шт.

29

390419X1

SCREW

DeutschDesc: SCHRAUBE

15шт.

30

3089227M1

SUPPORT

EnglischBem: LEFT

1шт.

30A

3089228M1

SUPPORT

EnglischBem: RIGHT

1шт.

31

3089223M91

STAY

EnglischBem: LEFT

1шт.

32

3089224M91

STAY

EnglischBem: RIGHT

1шт.

33

NOT USED

DeutschDesc: NICHT VERWENDET

-1шт.

34

NOT USED

DeutschDesc: NICHT VERWENDET

-1шт.

35

NOT USED

DeutschDesc: NICHT VERWENDET

-1шт.

36

1442793X1

COTTER

DeutschDesc: SPLINT

2шт.

37

3000358X1

PIN

DeutschDesc: BOLZEN

4шт.

38

1444358X1

DISC

DeutschDesc: SCHEIBE

4шт.

39

1442793X1

COTTER

DeutschDesc: SPLINT

2шт.

40

2976064M1

BEARING

DeutschDesc: LAGER

2шт.

41

2976065M1

BUSHING

DeutschDesc: BUCHSE

2шт.

41A

2976059M1

LUG

DeutschDesc: ANSCHWEISSLASCHE

2шт.

42

NOT USED

DeutschDesc: NICHT VERWENDET

-1шт.

43

3089222M91

STAY

DeutschDesc: STREBE

1шт.

44

2964891M1

SCREW

DeutschDesc: SCHRAUBE

6шт.

45

1442847X1

CASTLE NUT

DeutschDesc: KRONENMUTTER

6шт.

46

339058X1

COTTER

DeutschDesc: SPLINT

6шт.

47

2964896M91

FENCE

DeutschDesc: GITTER

1шт.

47A

NOT USED

DeutschDesc: NICHT VERWENDET

-1шт.

47B

NOT USED

DeutschDesc: NICHT VERWENDET

-1шт.

48

339451X1

SCREW

DeutschDesc: SCHRAUBE

8шт.

48A

NOT USED

DeutschDesc: NICHT VERWENDET

-1шт.

48B

NOT USED

DeutschDesc: NICHT VERWENDET

-1шт.

49

390734X1

PLAIN WASHER

DeutschDesc: UNTERLEGSCHEIBE

8шт.

50

2993793X1

SPRING WASHER

DeutschDesc: FEDERRING

24шт.

51

2964854M1

PLATE

DeutschDesc: PLATTE

2шт.

Выбрано товаров: 0