Запчасти Komatsu L700D Turbo КОНДИЦ. ВОЗДУХА, СПЕЦ. ОБОРУД-Е ШАССИ И SUPERSTRUCTURE

Схема запчастей Komatsu L700D Turbo - КОНДИЦ. ВОЗДУХА, СПЕЦ. ОБОРУД-Е ШАССИ И SUPERSTRUCTURE
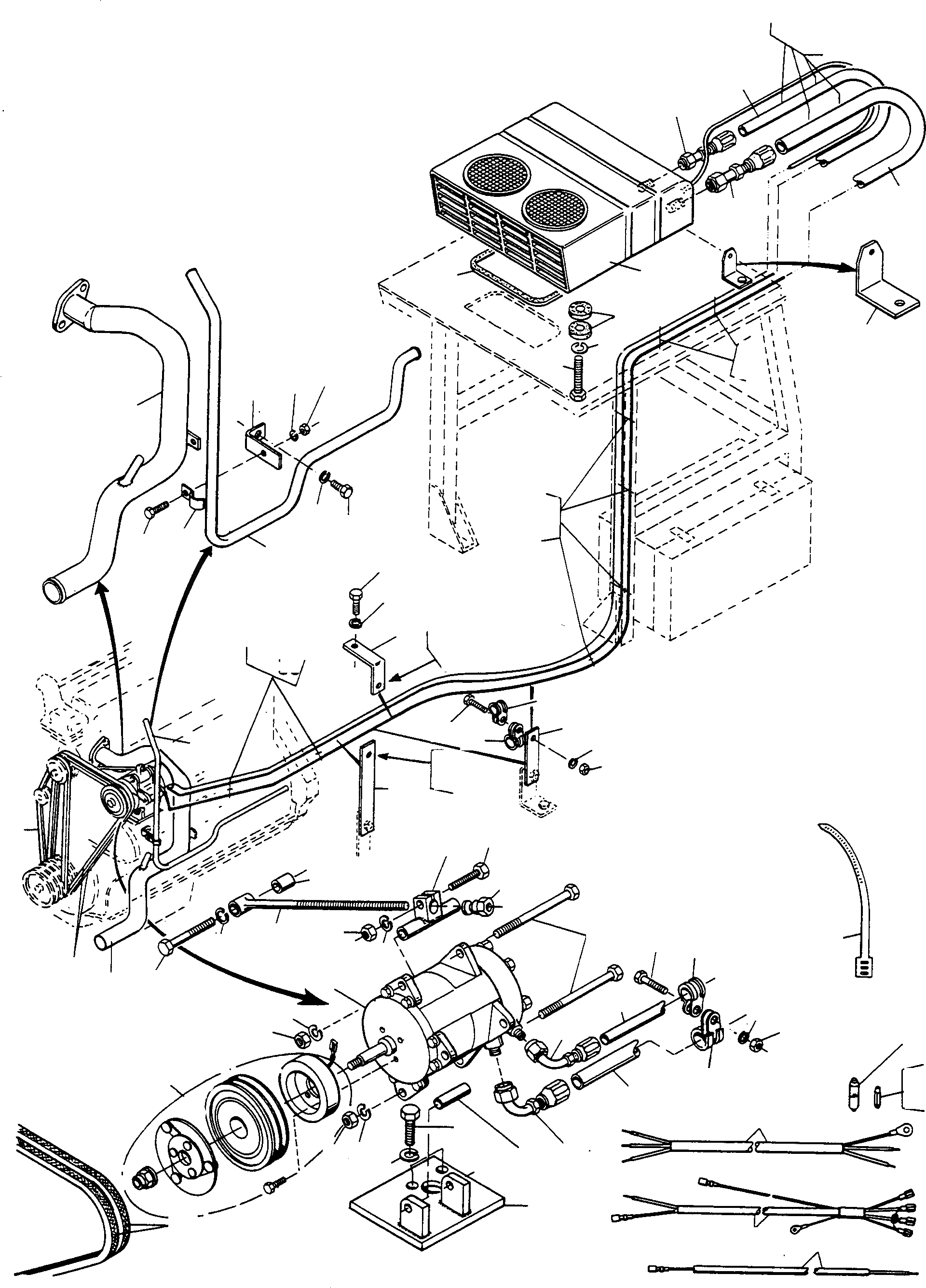
35
36
36
36
42
59
9
43
39
44
43
45
47
48
49
46
50
35
51
36
31
30
25
23
35
27
26
36
28
29
24
29
30
32
35
35
35
34
37
36
24
38
35
36
33
60
16
14
20
15
17
7
19
58
37
22
35
18
59
21
23
1
42
38
8
40
39
9
55
2
36
56
57
54
12
41
11
8
13
10
53
52
FIT
1:1
100%

Артикул

Название

Примечание

Количество

1

3092916M91

COMPACTOR

DeutschDesc: VERDICHTER

1шт.

2

4915423M91

COUPLING/CLUTCH

DeutschDesc: KUPPLUNG

1шт.

3

NOT USED

DeutschDesc: NICHT VERWENDET

-1шт.

4

NOT USED

DeutschDesc: NICHT VERWENDET

-1шт.

5

NOT USED

DeutschDesc: NICHT VERWENDET

-1шт.

6

NOT USED

DeutschDesc: NICHT VERWENDET

-1шт.

7

3002812X1

SCREW

DeutschDesc: SCHRAUBE

2шт.

8

1443790X1

SPRING WASHER

DeutschDesc: FEDERRING

2шт.

9

339402X1

NUT

DeutschDesc: MUTTER

2шт.

10

2978813M91

BED BRACKET

DeutschDesc: LAGERBOCK

1шт.

11

3092920M91

DISTANCE PIECE

DeutschDesc: DISTANZSTUECK

1шт.

12

339139X1

SCREW

DeutschDesc: SCHRAUBE

2шт.

13

1443792X1

SPRING WASHER

DeutschDesc: FEDERRING

2шт.

14

2985196M91

BRACKET

DeutschDesc: HALTER

1шт.

15

2872751M1

NUT

DeutschDesc: MUTTER

1шт.

16

339009X1

SCREW

DeutschDesc: SCHRAUBE

1шт.

17

339169X1

NUT

DeutschDesc: MUTTER

1шт.

18

1443789X1

SPRING WASHER

DeutschDesc: FEDERRING

1шт.

19

2985195M91

SCREW

DeutschDesc: SCHRAUBE

1шт.

20

2963569M1

SPACER

DeutschDesc: ABSTANDSTUECK

1шт.

21

339337X1

SCREW

DeutschDesc: SCHRAUBE

1шт.

22

1443789X1

SPRING WASHER

DeutschDesc: FEDERRING

1шт.

23

4000029M91

INTAKE

DeutschDesc: EINLASSLEITUNG

1шт.

24

4000028M91

PIPE

DeutschDesc: ROHRLEITUNG

1шт.

25

2985189M1

ANGLE

DeutschDesc: WINKEL

1шт.

26

3002821X1

SCREW

DeutschDesc: SCHRAUBE

2шт.

27

1443794X1

SPRING WASHER

DeutschDesc: FEDERRING

2шт.

28

1444644X1

HOLDING CLAMP

DeutschDesc: HALTESCHELLE

1шт.

29

1442746X1

SCREW

DeutschDesc: SCHRAUBE

2шт.

30

1443792X1

SPRING WASHER

DeutschDesc: FEDERRING

2шт.

31

339054X1

NUT

DeutschDesc: MUTTER

1шт.

32

2985189M1

ANGLE

DeutschDesc: WINKEL

1шт.

33

2985190M1

BRACKET

DeutschDesc: HALTER

1шт.

34

2985191M1

BRACKET

DeutschDesc: HALTER

1шт.

35

1444658X1

HOLDING CLAMP

DeutschDesc: HALTESCHELLE

12шт.

36

3002298X1

CLIP

DeutschDesc: SCHELLE

12шт.

37

339666X1

SCREW

DeutschDesc: SCHRAUBE

12шт.

38

1443791X1

SPRING WASHER

DeutschDesc: FEDERRING

12шт.

39

339030X1

NUT

DeutschDesc: MUTTER

12шт.

40

3092910M1

UNION

DeutschDesc: VERSCHRAUBUNG

1шт.

41

3092909M1

UNION

DeutschDesc: VERSCHRAUBUNG

1шт.

42

3243218M1

HOSE

DeutschDesc: SCHLAUCH

1шт.

43

3243219M1

HOSE

DeutschDesc: SCHLAUCH

1шт.

44

3243220M1

UNION

DeutschDesc: VERSCHRAUBUNG

1шт.

45

3092907M1

UNION

DeutschDesc: VERSCHRAUBUNG

1шт.

46

2978814M1

BRACKET

DeutschDesc: HALTER

1шт.

47

2984626M91

AIR CONDITIONER

DeutschDesc: KLIMAANLAGE

1шт.

|$61

AIR CONDITIONER

DeutschDesc: KLIMAANLAGE

-3шт.

48

2978533M1

SEALING

DeutschDesc: ABDICHTUNG

1шт.

49

2978534M1

DISC

DeutschDesc: SCHEIBE

8шт.

50

1443790X1

SPRING WASHER

DeutschDesc: FEDERRING

4шт.

51

339475X1

SCREW

DeutschDesc: SCHRAUBE

4шт.

52

3091847M91

CABLE

DeutschDesc: KABEL

1шт.

53

3091845M91

HARNESS

DeutschDesc: KABELBAUM

1шт.

54

3091846M91

HARNESS

DeutschDesc: KABELBAUM

1шт.

55

2875154M1

BRACKET

DeutschDesc: HALTER

1шт.

56

1444009X1

FUSE

EnglischBem: 16A

1шт.

57

1443699X1

FUSE

EnglischBem: 8A

1шт.

58

2999878M1

BRACE

DeutschDesc: HALTEBAND

15шт.

59

2995256X1

V-BELT

DeutschDesc: KEILRIEMENSATZ

1шт.

60

2995258X1

V-BELT

DeutschDesc: KEILRIEMEN

1шт.

Выбрано товаров: 0