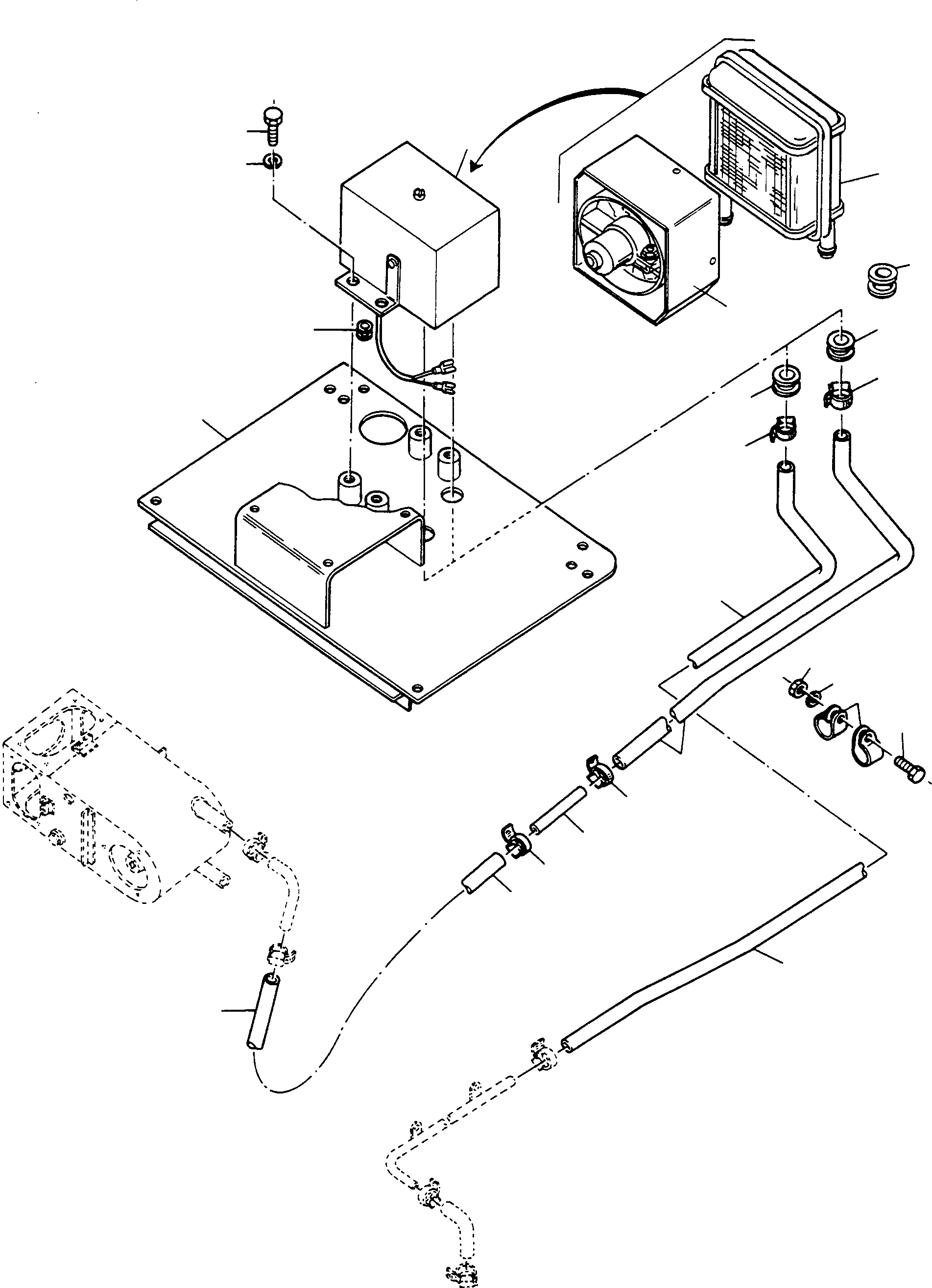
Запчасти Komatsu L700D Turbo ЗАДН. ОБОГРЕВАТЕЛЬ., СПЕЦ. ОБОРУД-Е ШАССИ И SUPERSTRUCTURE

Схема запчастей Komatsu L700D Turbo - ЗАДН. ОБОГРЕВАТЕЛЬ., СПЕЦ. ОБОРУД-Е ШАССИ И SUPERSTRUCTURE
2
1
3
17
18
16
5
6
7
5
4
7
8
13
12
10
11
9
7
14
7
15
8
15
FIT
1:1
100%

Артикул

Название

Примечание

Количество

1

3094645M91

HEATER

DeutschDesc: HEIZUNG

1шт.

2

339560X1

SCREW

DeutschDesc: SCHRAUBE

4шт.

3

2993797X1

SPRING WASHER

DeutschDesc: FEDERRING

4шт.

4

3096624M91

CONSOLE

DeutschDesc: KONSOLE

1шт.

5

3095796M1

SPOUT

DeutschDesc: TUELLE

2шт.

6

2999897M1

SPOUT

DeutschDesc: TUELLE

1шт.

7

1444845X1

CLIP

DeutschDesc: SCHELLE

4шт.

8

1443884X1

HOSE

EnglischBem: GOODS SOLD BY THE METER 1443 906 X1 500 MM

1шт.

9

3096663M1

HOSE

EnglischBem: GOODS SOLD BY THE METER 1443 906 X1 2400 MM

1шт.

10

1444658X1

HOLDING CLAMP

DeutschDesc: HALTESCHELLE

2шт.

11

339804X1

SCREW

DeutschDesc: SCHRAUBE

1шт.

12

2993797X1

SPRING WASHER

DeutschDesc: FEDERRING

1шт.

13

339030X1

NUT

DeutschDesc: MUTTER

1шт.

14

3085465M1

TUBE

DeutschDesc: ROHR

1шт.

15

3065959M8

HOSE

DeutschDesc: SCHLAUCH

1шт.

16

3230172M91

BLOWER

DeutschDesc: GEBLAESE

1шт.

16A

3078882M91

ENGINE

DeutschDesc: MOTOR

1шт.

17

3230173M91

EXCHANGER

DeutschDesc: WAERMETAUSCHER

1шт.

18

3230174M1

SPOUT

DeutschDesc: TUELLE

1шт.

Выбрано товаров: 0