Запчасти Komatsu L700D Turbo GRAB КОВШ, СПЕЦ. ОБОРУД-Е ОБОРУД-Е

Схема запчастей Komatsu L700D Turbo - GRAB КОВШ, СПЕЦ. ОБОРУД-Е ОБОРУД-Е
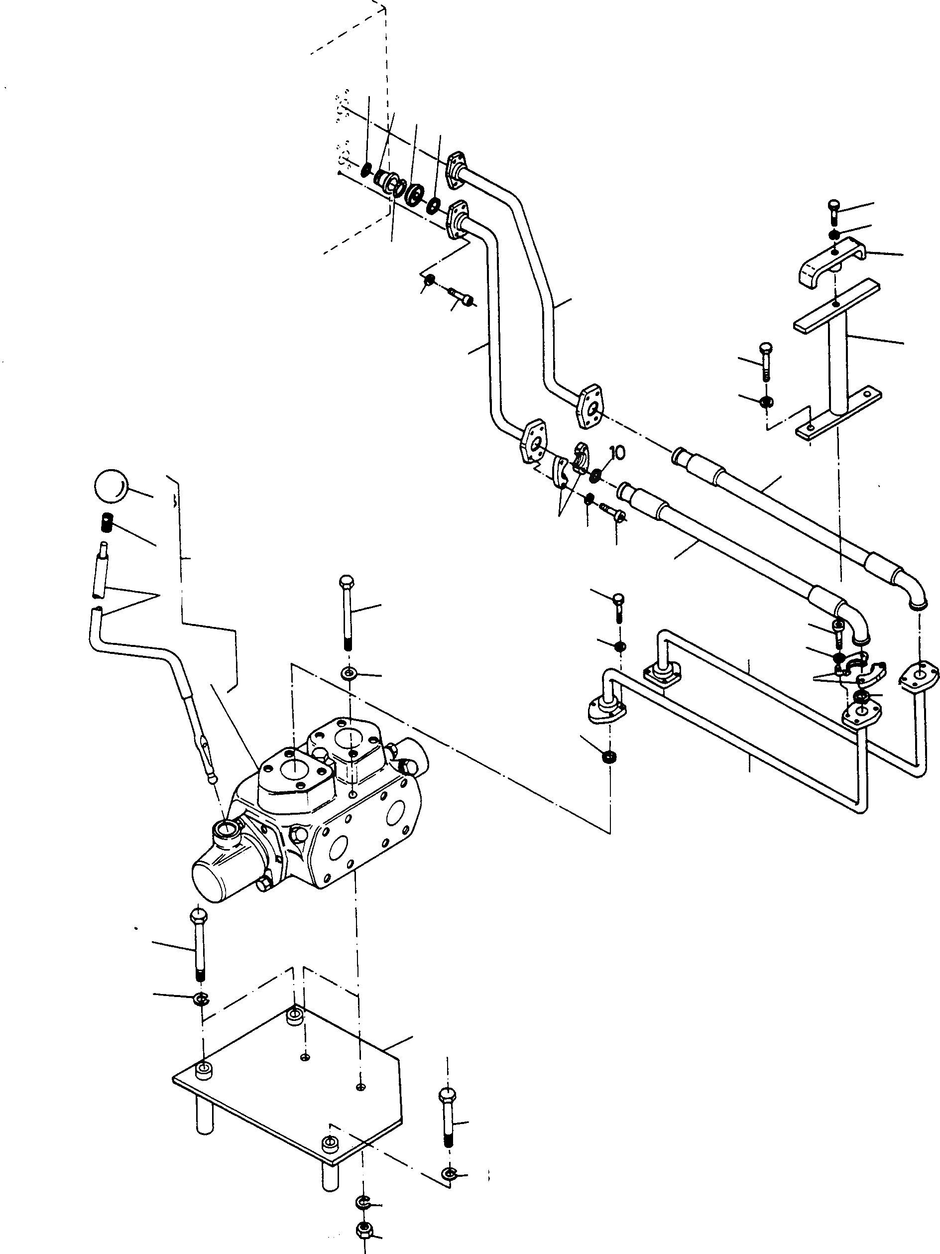
28
26
29
33
11
15
10
3
4
6
5
22
23
5
21
2
8
7
18
19
1
20
9
11
13
27
12
24
9
14
34
12
13
17
25
35
10
16
30
31
32
36
37
FIT
1:1
100%

Артикул

Название

Примечание

Количество

1

3085841M91

PIPE

DeutschDesc: ROHRLEITUNG

1шт.

2

3085839M91

PIPE

DeutschDesc: ROHRLEITUNG

1шт.

3

1444823X1

O-RING

DeutschDesc: O-RING

2шт.

4

3080252M1

CONNECTOR

DeutschDesc: ANSCHLUSS

2шт.

5

1444848X1

O-RING

DeutschDesc: O-RING

2шт.

6

2950918M1

THRUST RING

DeutschDesc: DRUCKRING

2шт.

7

1444172X1

SCREW

DeutschDesc: SCHRAUBE

8шт.

8

2993793X1

SPRING WASHER

DeutschDesc: FEDERRING

8шт.

9

2994440M1

HOSE ASSEMBLY

DeutschDesc: SCHLAUCH VOLLST.

2шт.

10

1444849X1

O-RING

DeutschDesc: O-RING

6шт.

11

3004942X1

HALF FLANGE

DeutschDesc: HALBFLANSCH

8шт.

12

1441757X1

SCREW

DeutschDesc: SCHRAUBE

16шт.

13

2993793X1

SPRING WASHER

DeutschDesc: FEDERRING

16шт.

14

390580X1

SCREW

DeutschDesc: SCHRAUBE

8шт.

15

2993793X1

SPRING WASHER

DeutschDesc: FEDERRING

8шт.

16

3085879M91

PIPE

DeutschDesc: ROHRLEITUNG

1шт.

17

3085843M91

PIPE

DeutschDesc: ROHRLEITUNG

1шт.

18

3089595M91

BRACKET

DeutschDesc: HALTER

1шт.

19

391672X1

SCREW

DeutschDesc: SCHRAUBE

2шт.

20

2994718M1

SPRING WASHER

DeutschDesc: FEDERRING

2шт.

21

3086745M91

CLIP

DeutschDesc: SCHELLE

1шт.

22

339556X1

SCREW

DeutschDesc: SCHRAUBE

1шт.

23

2993793X1

SPRING WASHER

DeutschDesc: FEDERRING

1шт.

24

3080133M91

VALVE

DeutschDesc: VENTIL

1шт.

25

NOT USED

DeutschDesc: NICHT VERWENDET

-1шт.

26

3086291M91

LEVER

DeutschDesc: HEBEL

1шт.

27

1444447X1

SLEEVE

DeutschDesc: HUELSE

1шт.

28

1443830X1

BALL HEAD

DeutschDesc: KUGELKNOPF

1шт.

29

3080228M91

PLATE

DeutschDesc: PLATTE

1шт.

30

1444034X1

SCREW

DeutschDesc: SCHRAUBE

2шт.

31

2994718M1

SPRING WASHER

DeutschDesc: FEDERRING

2шт.

32

1444023X1

SCREW

DeutschDesc: SCHRAUBE

1шт.

33

2994718M1

SPRING WASHER

DeutschDesc: FEDERRING

1шт.

34

1444055X1

SCREW

DeutschDesc: SCHRAUBE

2шт.

35

390734X1

PLAIN WASHER

DeutschDesc: UNTERLEGSCHEIBE

2шт.

36

2993793X1

SPRING WASHER

DeutschDesc: FEDERRING

2шт.

37

339402X1

NUT

DeutschDesc: MUTTER

2шт.

Выбрано товаров: 0