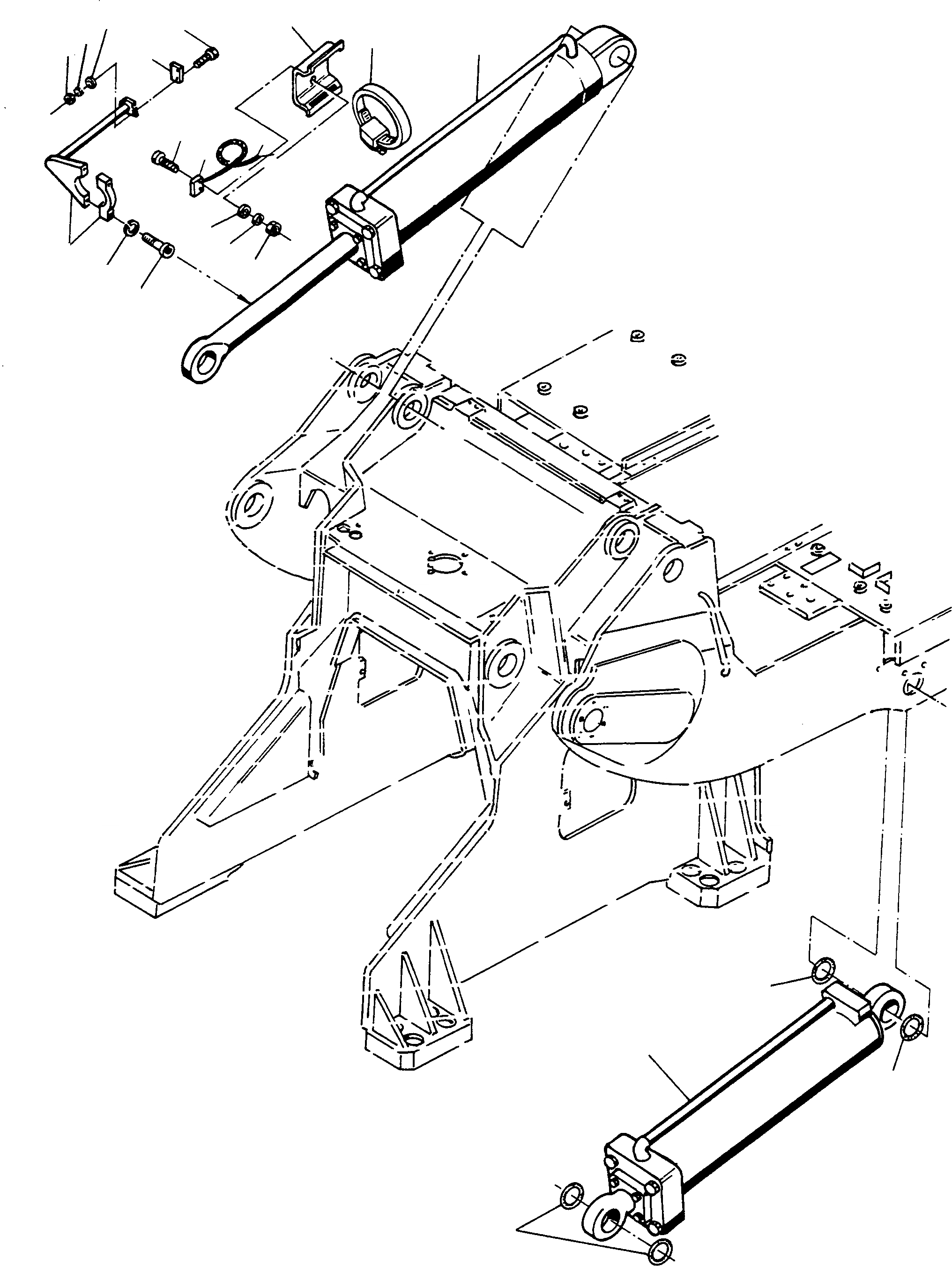
Запчасти Komatsu L700D Turbo КОВШ POSITION ИНДИКАТОР ОБОРУД-Е

Схема запчастей Komatsu L700D Turbo - КОВШ POSITION ИНДИКАТОР ОБОРУД-Е
12
11
6
9
10
8
14
10
2
5
13
13
9
11
3
12
4
1
13
7
FIT
1:1
100%

Артикул

Название

Примечание

Количество

1

1605211M92

LIFT CYLINDER

DeutschDesc: HUBZYLINDER

2шт.

|$15

LIFT CYLINDER

DeutschDesc: HUBZYLINDER

-3шт.

2

1605212M92

BUCKET CYLINDER

DeutschDesc: SCHAUFELZYLINDER

2шт.

|$16

BUCKET CYLINDER

DeutschDesc: SCHAUFELZYLINDER

-3шт.

3

3070870M91

BRACKET

DeutschDesc: HALTER

1шт.

4

3004629X1

SCREW

DeutschDesc: SCHRAUBE

2шт.

5

1440990X1

SPRING WASHER

DeutschDesc: FEDERRING

2шт.

6

3075268M1

BRACKET

DeutschDesc: HALTER

1шт.

7

3076050M1

SWITCH

DeutschDesc: SCHALTER

1шт.

8

2904719M1

MAGNET

DeutschDesc: MAGNET

1шт.

9

1444168X1

SCREW

DeutschDesc: SCHRAUBE

8шт.

10

390468X1

PLAIN WASHER

DeutschDesc: UNTERLEGSCHEIBE

8шт.

11

1443798X1

SPRING WASHER

DeutschDesc: FEDERRING

8шт.

12

392289X1

NUT

DeutschDesc: MUTTER

8шт.

13

1609817M1

STRIPPER

DeutschDesc: ABSTREIFER

8шт.

14

3000655X1

CLIP

DeutschDesc: SCHELLE

1шт.

Выбрано товаров: 0