Запчасти Komatsu L700D Turbo ЗАДН.-РЫХЛИТЕЛЬ, ЦИЛИНДР ЗАДН.-РЫХЛИТЕЛЬ, TEETH

Схема запчастей Komatsu L700D Turbo - ЗАДН.-РЫХЛИТЕЛЬ, ЦИЛИНДР ЗАДН.-РЫХЛИТЕЛЬ, TEETH
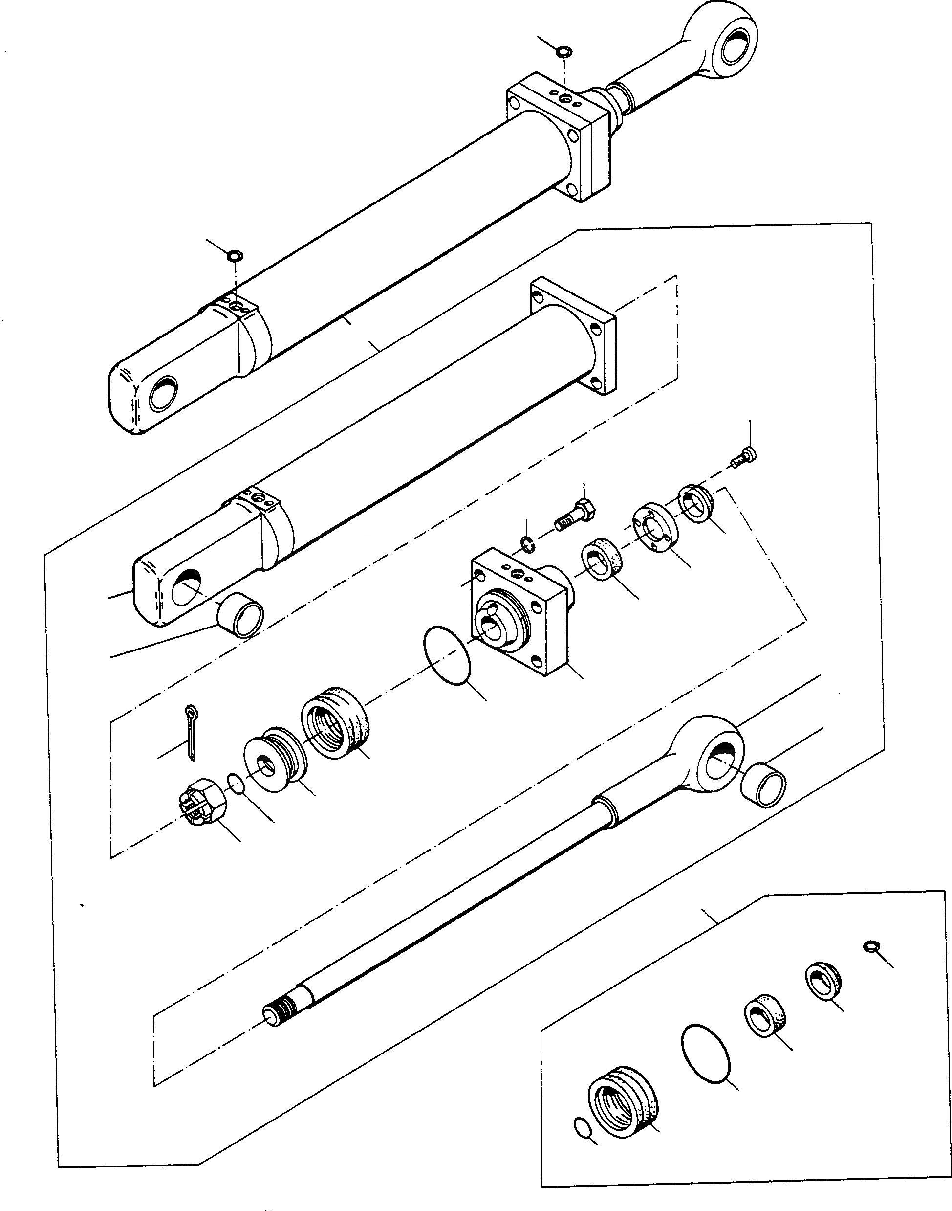
19
14
6
10
16
14
6
19
1
9
12
13
7
2
8
3
4
11
5
18
15
16
17
20
19
8
11
FIT
1:1
100%

Артикул

Название

Примечание

Количество

1

3243059M91

HYDR. CYLINDER

DeutschDesc: HYDRAULIKZYLINDER

1шт.

2

3243062M91

PIPE

DeutschDesc: ROHRLEITUNG

1шт.

3

3243073M1

BUSHING

DeutschDesc: BUCHSE

1шт.

4

3243063M1

CYLINDER ROD

DeutschDesc: KOLBENSTANGE

1шт.

5

3243073M1

BUSHING

DeutschDesc: BUCHSE

1шт.

6

2999639M1

STRIPPER

EnglischBem: NOTE: Pos. (6) included in Pos. (1) and (20) Kit

1шт.

7

3241096M1

COVER

DeutschDesc: DECKEL

1шт.

8

2962777M1

GASKET

EnglischBem: NOTE: Pos. (8) included in Pos. (1) and (20) Kit

1шт.

9

3243074M1

SCREW

DeutschDesc: SCHRAUBE

4шт.

10

3243064M1

COVER

DeutschDesc: DECKEL

1шт.

11

3243069M1

O-RING

EnglischBem: NOTE: Pos. (11) included in Pos. (1) and (20) Kit

1шт.

12

3004387X1

SCREW

DeutschDesc: SCHRAUBE

4шт.

13

1443795X1

SPRING WASHER

DeutschDesc: FEDERRING

4шт.

14

3243072M1

SEAL

EnglischBem: NOTE: Pos. (14) included in Pos. (1) and (20) Kit

1шт.

15

3243065M1

PISTON

DeutschDesc: KOLBEN

1шт.

16

3241093M1

O-RING

EnglischBem: NOTE: Pos. (16) included in Pos. (1) and (20) Kit

1шт.

17

3241091M1

NUT

DeutschDesc: MUTTER

1шт.

18

1440728X1

COTTER

DeutschDesc: SPLINT

1шт.

19

3241069M1

O-RING

EnglischBem: NOTE: Pos. (19) included in Pos. (1) and (20) Kit

2шт.

20

3243079M91

PACKING KIT

DeutschDesc: DICHTSATZ

1шт.

Выбрано товаров: 0