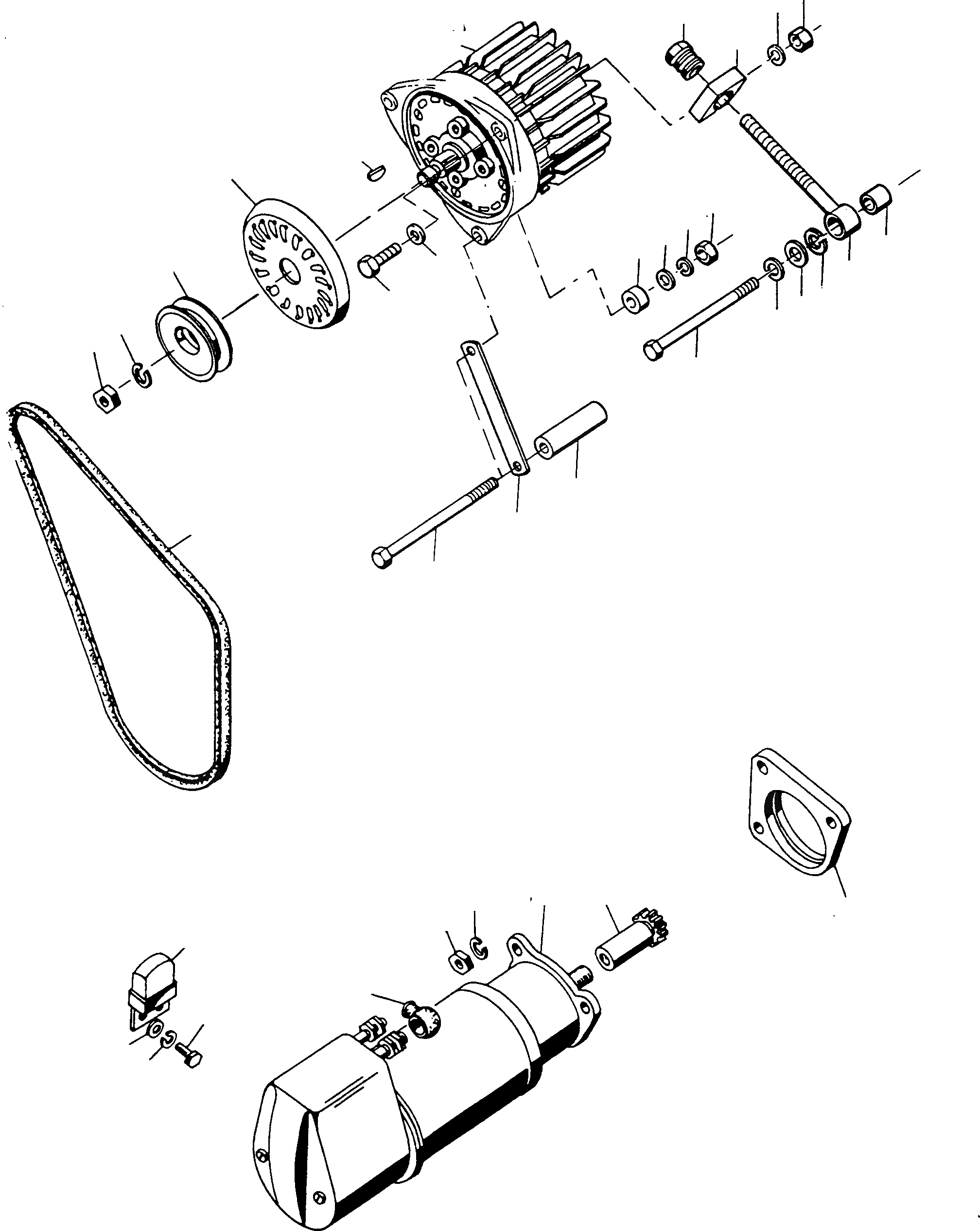
Запчасти Komatsu L700D Turbo ГЕНЕРАТОР И СТАРТЕР, UP - ДВИГАТЕЛЬ NO.ДВИГАТЕЛЬ, АКСЕССУАРЫ И ЭЛЕКТРИЧ. СИСТЕМА

Схема запчастей Komatsu L700D Turbo - ГЕНЕРАТОР И СТАРТЕР, UP - ДВИГАТЕЛЬ NO. ДВИГАТЕЛЬ, АКСЕССУАРЫ И ЭЛЕКТРИЧ. СИСТЕМА
11
1A
10
21
26
25
1
2
3
18
17
16
24
15
9
4
23
8
22
20
5
6
19
14
7
13
12
27
28
29
30
33
31
34
32
35
37
36
FIT
1:1
100%

Артикул

Название

Примечание

Количество

1

2862873M91

ALTERNATOR

EnglischBem: 18 A

1шт.

|$38

ALTERNATOR

DeutschDesc: LICHTM.DREHSTROM

-3шт.

2

1443810X1

WOODRUFF KEY

DeutschDesc: SCHEIBENFEDER

1шт.

3

2862841M1

FAN

DeutschDesc: LUEFTER

1шт.

4

2862842M1

PULLEY

DeutschDesc: RIEMENSCHEIBE

1шт.

5

1443794X1

SPRING WASHER

DeutschDesc: FEDERRING

1шт.

6

1443762X1

NUT

DeutschDesc: MUTTER

1шт.

7

3007718X1

V-BELT

DeutschDesc: KEILRIEMEN

1шт.

8

339745X1

SCREW

DeutschDesc: SCHRAUBE

1шт.

9

390972X1

PLAIN WASHER

DeutschDesc: UNTERLEGSCHEIBE

1шт.

10

1443789X1

SPRING WASHER

DeutschDesc: FEDERRING

1шт.

11

339169X1

NUT

DeutschDesc: MUTTER

1шт.

12

3007720X1

SCREW

DeutschDesc: SCHRAUBE

1шт.

13

2963587M1

STRAP

DeutschDesc: LASCHE

1шт.

14

2963586M1

SPACER

DeutschDesc: ABSTANDSTUECK

1шт.

15

2872386M1

RING

DeutschDesc: RING

1шт.

16

390972X1

PLAIN WASHER

DeutschDesc: UNTERLEGSCHEIBE

1шт.

17

1443789X1

SPRING WASHER

DeutschDesc: FEDERRING

2шт.

18

339169X1

NUT

DeutschDesc: MUTTER

1шт.

19

1443657X1

SCREW

DeutschDesc: SCHRAUBE

1шт.

20

1443789X1

SPRING WASHER

DeutschDesc: FEDERRING

1шт.

21

391039X1

PLAIN WASHER

DeutschDesc: UNTERLEGSCHEIBE

1шт.

22

NOT USED

DeutschDesc: NICHT VERWENDET

-1шт.

23

2872766M91

EYE BOLT

DeutschDesc: AUGENSCHRAUBE

1шт.

24

2963569M1

SPACER

DeutschDesc: ABSTANDSTUECK

1шт.

25

2872750M1

CLAMPING DEVICE

DeutschDesc: KLEMMVORRICHTUNG

1шт.

26

2872751M1

NUT

DeutschDesc: MUTTER

1шт.

27

2871840M92

STARTERMOTOR

EnglischBem: ORDER 3095 297 M91

1шт.

|$39

STARTERMOTOR

DeutschDesc: ANLASSER

-3шт.

28

3095297M91

STARTERMOTOR

DeutschDesc: ANLASSER

1шт.

|$40

STARTERMOTOR

DeutschDesc: ANLASSER

-3шт.

29

2871822M1

PINION

EnglischBem: NOTE: Pos.(29) included in Pos.(27) and (28) Kit

1шт.

30

1443790X1

SPRING WASHER

DeutschDesc: FEDERRING

3шт.

31

339402X1

NUT

DeutschDesc: MUTTER

3шт.

32

1444011X1

SECURITY CAP

DeutschDesc: SCHUTZKAPPE

1шт.

33

2871830M1

FLANGE

DeutschDesc: FLANSCH

1шт.

34

2871815M91

CONTROLLER

DeutschDesc: REGLER

1шт.

35

339666X1

SCREW

DeutschDesc: SCHRAUBE

2шт.

36

1443791X1

SPRING WASHER

DeutschDesc: FEDERRING

2шт.

37

390971X1

PLAIN WASHER

DeutschDesc: UNTERLEGSCHEIBE

2шт.

Выбрано товаров: 0