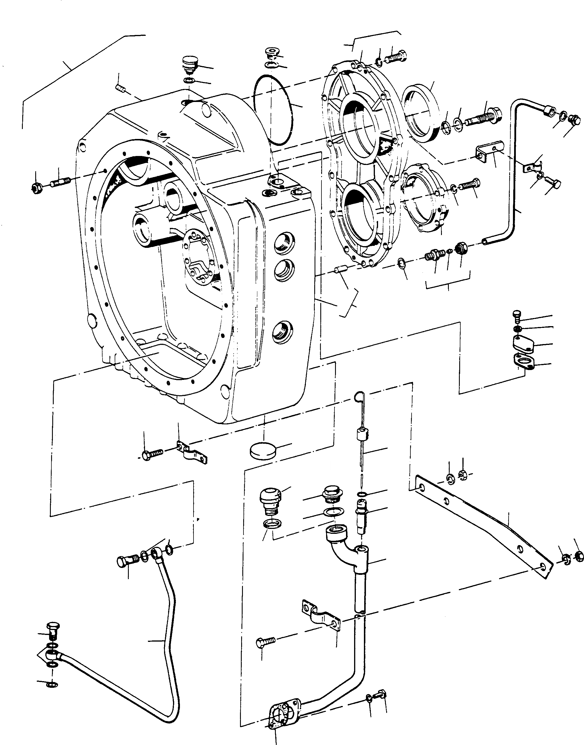
Запчасти Komatsu L700D Turbo CONVERTER ТРАНСМИССИЯ ТРАНСМИССИЯ И ЗАДН. МОСТ

Схема запчастей Komatsu L700D Turbo - CONVERTER ТРАНСМИССИЯ ТРАНСМИССИЯ И ЗАДН. МОСТ
2
4
55
1
47
54
26
20A
49
20B
48
56
45
43
12
40
33
9
46
39
34
6
5
13
14
15
11
35
37
50
51
36
38
10
28
8
32
31
30
7
29
3
2
42
41
44
23
57
56
22
19
21
52
20
57
16
25
25
24
53
26
55
27
17
18
41
FIT
1:1
100%

Артикул

Название

Примечание

Количество

1

2889792M91

TRANSMISSION HOUSING

DeutschDesc: GETRIEBEGEHAEUSE

1шт.

2

NOT USED

DeutschDesc: NICHT VERWENDET

-1шт.

3

NOT USED

DeutschDesc: NICHT VERWENDET

-1шт.

4

NOT USED

DeutschDesc: NICHT VERWENDET

-1шт.

5

339761X1

SCREW

DeutschDesc: SCHRAUBE

13шт.

6

1443789X1

SPRING WASHER

DeutschDesc: FEDERRING

13шт.

7

1444405X1

DOWEL

DeutschDesc: ZYLINDERSTIFT

2шт.

8

2889721M1

COVER

DeutschDesc: DECKEL

1шт.

9

339401X1

SCREW

DeutschDesc: SCHRAUBE

6шт.

10

1443790X1

SPRING WASHER

DeutschDesc: FEDERRING

6шт.

11

1444812X1

O-RING

DeutschDesc: O-RING

1шт.

12

1444605X1

SEAL

DeutschDesc: DICHTRING

1шт.

13

2889737M1

SCREW

DeutschDesc: SCHRAUBE

1шт.

14

1440997X1

SEAL

DeutschDesc: DICHTRING

1шт.

15

1444763X1

O-RING

DeutschDesc: O-RING

1шт.

16

2972580M91

FILLER

DeutschDesc: EINFUELLSTUTZEN

1шт.

17

339123X1

SCREW

DeutschDesc: SCHRAUBE

2шт.

18

1443789X1

SPRING WASHER

DeutschDesc: FEDERRING

2шт.

19

1444271X1

PLUG

DeutschDesc: VERSCHLUSSSTOPFEN

1шт.

20

391265X1

SEAL

DeutschDesc: DICHTRING

1шт.

20A

2869474M1

FILTER

DeutschDesc: FILTER

1шт.

20B

1444794X1

O-RING

DeutschDesc: O-RING

1шт.

21

2951102M1

GUIDE BUSH

DeutschDesc: FUEHRUNGSBUCHSE

1шт.

22

1444716X1

O-RING

DeutschDesc: O-RING

1шт.

23

2972584M91

OIL DIPSTICK

DeutschDesc: OELMESSSTAB

1шт.

24

2889790M91

PIPE

DeutschDesc: ROHRLEITUNG

1шт.

25

2889528M1

BANJO BOLT

DeutschDesc: HOHLSCHRAUBE

2шт.

26

1440997X1

SEAL

DeutschDesc: DICHTRING

4шт.

27

2995654X1

O-RING

DeutschDesc: O-RING

1шт.

28

2904329M91

TUBE

EnglischBem: CANCELLED WHEN TEST BLOCK IS INSTALLED

1шт.

29

1441937X91

UNION

EnglischBem: CANCELLED WHEN TEST BLOCK IS INSTALLED

1шт.

30

NOT USED

DeutschDesc: NICHT VERWENDET

-1шт.

31

1444689X1

OLIVE

DeutschDesc: SCHNEIDRING

1шт.

32

1442015X1

BOXNUT

DeutschDesc: UEBERWURFMUTTER

1шт.

33

390839X1

SEAL

EnglischBem: CANCELLED WHEN TEST BLOCK IS INSTALLED

1шт.

34

1443750X1

PLUG

EnglischBem: CANCELLED WHEN TEST BLOCK IS INSTALLED

1шт.

35

390839X1

SEAL

EnglischBem: CANCELLED WHEN TEST BLOCK IS INSTALLED

1шт.

36

2904330M91

BRACKET

EnglischBem: CANCELLED WHEN TEST BLOCK IS INSTALLED

1шт.

37

2893246M1

CLIP

EnglischBem: CANCELLED WHEN TEST BLOCK IS INSTALLED

1шт.

38

339124X1

SCREW

EnglischBem: CANCELLED WHEN TEST BLOCK IS INSTALLED

1шт.

39

1443789X1

SPRING WASHER

EnglischBem: CANCELLED WHEN TEST BLOCK IS INSTALLED

1шт.

40

2951067M1

COVER

DeutschDesc: DECKEL

1шт.

41

4700094X1

GASKET

DeutschDesc: DICHTUNG

2шт.

42

339123X1

SCREW

DeutschDesc: SCHRAUBE

2шт.

43

1443789X1

SPRING WASHER

DeutschDesc: FEDERRING

2шт.

44

1444370X1

COVER

DeutschDesc: DECKEL

1шт.

45

2999936M1

BREATHER

DeutschDesc: ENTLUEFTER

1шт.

46

391312X1

SEAL

DeutschDesc: DICHTRING

1шт.

47

1444260X1

PLUG

DeutschDesc: VERSCHLUSSSTOPFEN

1шт.

48

1444747X1

SEAL

DeutschDesc: DICHTRING

1шт.

49

3005000X1

GRUB SCREW

DeutschDesc: GEWINDESTIFT

1шт.

50

391000X1

STUD BOLT

DeutschDesc: STIFTSCHRAUBE

18шт.

51

2999784M1

NUT

DeutschDesc: MUTTER

18шт.

52

3075083M1

BRACKET

DeutschDesc: HALTER

1шт.

53

1443835X1

HOLDING CLAMP

DeutschDesc: HALTESCHELLE

1шт.

54

1441526X1

HOLDING CLAMP

DeutschDesc: HALTESCHELLE

1шт.

55

339081X1

SCREW

DeutschDesc: SCHRAUBE

4шт.

56

1443790X1

SPRING WASHER

DeutschDesc: FEDERRING

4шт.

57

339402X1

NUT

DeutschDesc: MUTTER

4шт.

58

1444368X1

COVER

DeutschDesc: DECKEL

1шт.

Выбрано товаров: 0