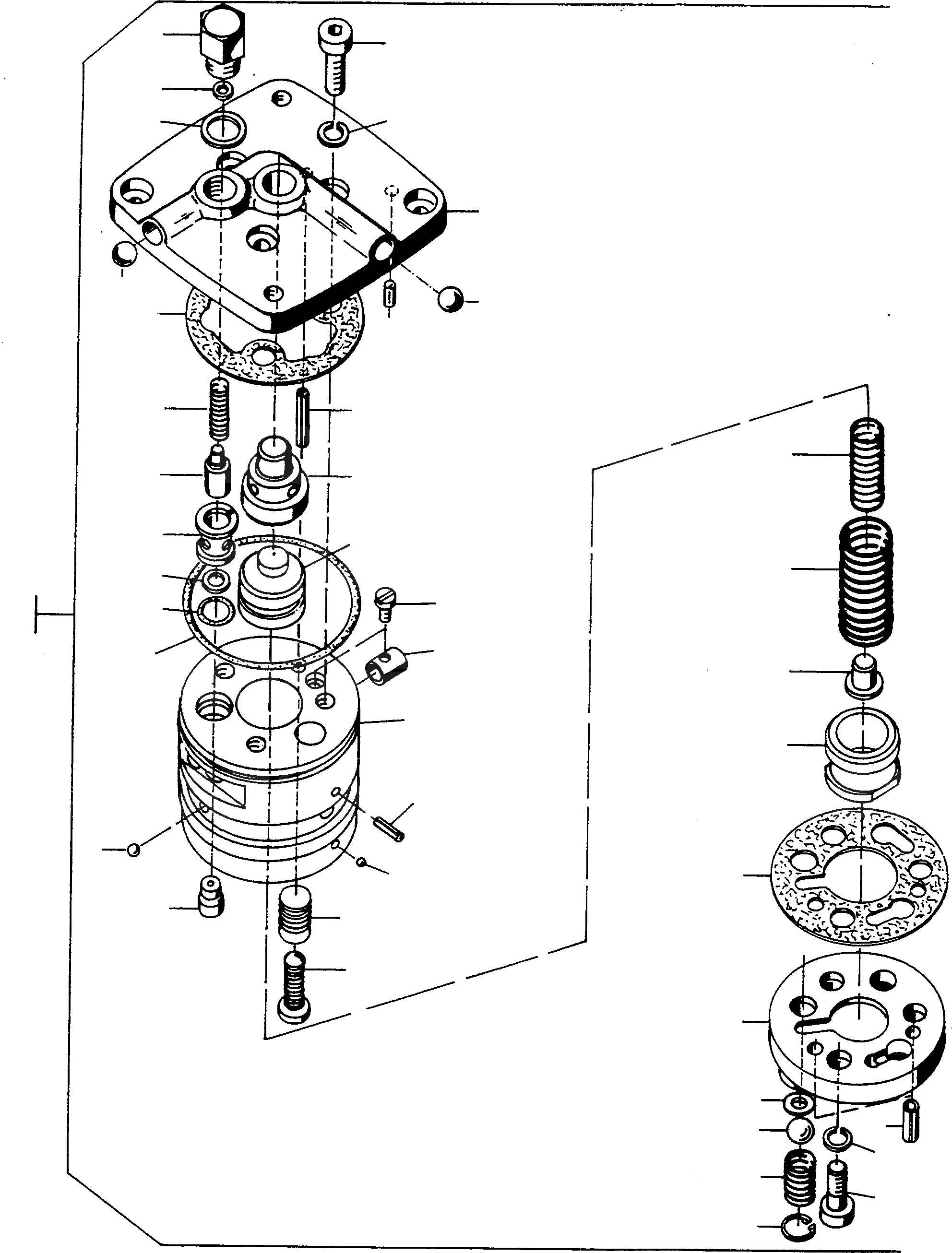
Запчасти Komatsu L700D Turbo PRESSURE REGULATING КЛАПАН ТРАНСМИССИЯ И ЗАДН. МОСТ

Схема запчастей Komatsu L700D Turbo - PRESSURE REGULATING КЛАПАН ТРАНСМИССИЯ И ЗАДН. МОСТ
4
3
6
8
7
5
10
14
19
25
35
25
25
9
15
16
29
11
17
12
18
30
13
21
1
2
22
31
20
32
23
33
24
26
27
28
34
38
39
36
40
37
41
FIT
1:1
100%

Артикул

Название

Примечание

Количество

1

2964912M91

VALVE

DeutschDesc: VENTIL

1шт.

2

NOT USED

DeutschDesc: NICHT VERWENDET

-1шт.

3

2952780M1

PLUG

DeutschDesc: VERSCHLUSSSTOPFEN

1шт.

4

1444350X1

DISC

DeutschDesc: SCHEIBE

1шт.

5

390839X1

SEAL

DeutschDesc: DICHTRING

1шт.

6

391148X1

SCREW

DeutschDesc: SCHRAUBE

3шт.

7

391037X1

SPRING WASHER

DeutschDesc: FEDERRING

3шт.

8

2964913M1

COVER

DeutschDesc: DECKEL

1шт.

9

4400444M1

GASKET

EnglischBem: REPAIRS AND REPLACES 2889 645 M1

1шт.

10

2952779M1

COMPRESSION SPRING

DeutschDesc: DRUCKFEDER

1шт.

11

2952781M1

PISTON

DeutschDesc: KOLBEN

1шт.

12

2964916M1

BUSHING

DeutschDesc: BUCHSE

1шт.

13

2889694M1

DISC

DeutschDesc: SCHEIBE

1шт.

14

3006095X1

O-RING

DeutschDesc: O-RING

1шт.

15

1444429X1

GROOVE PIN

DeutschDesc: KERBSTIFT

1шт.

16

1442142X1

ADAPTER SLEEVES

DeutschDesc: SPANNHUELSE

1шт.

17

NOT USED

DeutschDesc: NICHT VERWENDET

-1шт.

18

NOT USED

DeutschDesc: NICHT VERWENDET

-1шт.

19

1444798X1

O-RING

DeutschDesc: O-RING

1шт.

20

NOT USED

DeutschDesc: NICHT VERWENDET

-1шт.

21

1444159X1

SCREW

DeutschDesc: SCHRAUBE

1шт.

22

2889646M1

NOZZLE

DeutschDesc: DUESE

1шт.

23

1444438X1

ADAPTER SLEEVES

DeutschDesc: SPANNHUELSE

1шт.

24

1442344X1

BALL

DeutschDesc: KUGEL

1шт.

25

1444588X1

BALL

DeutschDesc: KUGEL

3шт.

26

2964915M1

NOZZLE

DeutschDesc: DUESE

1шт.

27

NOT USED

DeutschDesc: NICHT VERWENDET

1шт.

28

2889786M91

SPRING

DeutschDesc: FEDER

2шт.

29

2889639M1

SPRING

DeutschDesc: FEDER

1шт.

30

2875887M1

SPRING

DeutschDesc: FEDER

1шт.

31

2889640M1

SPRING SEAT

DeutschDesc: FEDERTELLER

1шт.

32

NOT USED

DeutschDesc: NICHT VERWENDET

-1шт.

33

4400445M1

GASKET

EnglischBem: REPAIRS AND REPLACES 2889 636 M1

1шт.

34

2889635M1

COVER

DeutschDesc: DECKEL

1шт.

35

391285X1

ADAPTER SLEEVES

DeutschDesc: SPANNHUELSE

2шт.

36

391037X1

SPRING WASHER

DeutschDesc: FEDERRING

3шт.

37

391148X1

SCREW

DeutschDesc: SCHRAUBE

3шт.

38

NOT USED

DeutschDesc: NICHT VERWENDET

-1шт.

39

NOT USED

DeutschDesc: NICHT VERWENDET

-1шт.

40

NOT USED

DeutschDesc: NICHT VERWENDET

-1шт.

41

NOT USED

DeutschDesc: NICHT VERWENDET

-1шт.

Выбрано товаров: 0