Запчасти Komatsu 1004-4TLR ВОДЯНАЯ ПОМПА¤ ТЕРМОСТАТ И ПОДОГРЕВ EXCПОДВЕСН. КРОНШТЕЙН ОХЛАЖД-Е И ЭЛЕКТРИКАS

Схема запчастей Komatsu 1004-4TLR - ВОДЯНАЯ ПОМПА¤ ТЕРМОСТАТ И ПОДОГРЕВ EXCПОДВЕСН. КРОНШТЕЙН ОХЛАЖД-Е И ЭЛЕКТРИКАS
FIT
1:1
100%

Артикул

Название

Примечание

Количество

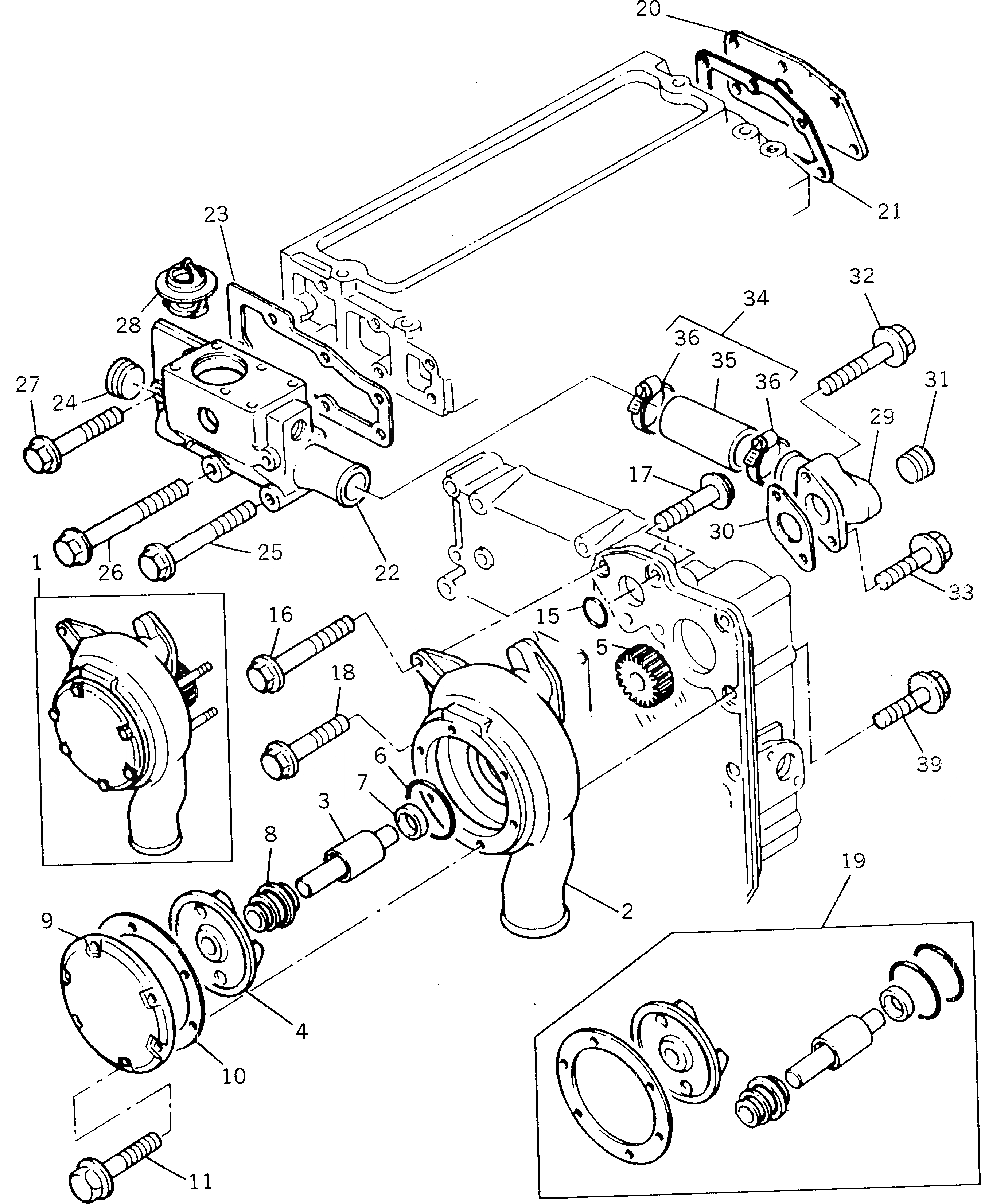
1

PK4131E012

WATER PUMP ASS'Y

SN: U604351W-UP

1шт.

2

0

BODY

SN: U604351W-UP

1шт.

3

0

SHAFT

SN: U604351W-UP

1шт.

4

0

IMPELLER

SN: U604351W-UP

1шт.

5

PK3117A032

GEAR

SN: U604351W-UP

1шт.

6

PK2415B155

SEAL

SN: U604351W-UP

1шт.

7

PK2418F405

SEAL

SN: U604351W-UP

1шт.

8

0

SEAL

SN: U604351W-UP

1шт.

9

0

COVER

SN: U604351W-UP

1шт.

10

PK3382P004

JOINT

SN: U604351W-UP

1шт.

11

PK2314F034

SCREW

SN: U604351W-UP

6шт.

15

PK2415B152

O-RING (KIT)

SN: U604351W-UP

1шт.

16

PK2314H015

SCREW

SN: U604351W-UP

1шт.

17

PK2314H006

SCREW

SN: U604351W-UP

1шт.

18

PK2314H006

SCREW

SN: U604351W-UP

1шт.

19

PKU7LW0071

REPAIR KIT

SN: U604351W-UP

-2шт.

20

PK3623K007

PLATE

SN: U604351W-UP

1шт.

21

PK3687M019

JOINT

SN: .-UP

1шт.

|21

PK3685R004

JOINT

SN: U604351W-.

1шт.

22

PK3771K111

HOUSING

SN: U604351W-UP

1шт.

23

PK3685F005

JOINT (KIT)

SN: U604351W-UP

1шт.

24

PK2431154

PLUG

SN: U604351W-UP

2шт.

25

PK2314J013

SCREW

SN: U604351W-UP

2шт.

26

PK2314H015

SCREW

SN: U604351W-UP

1шт.

27

PK2314H008

SCREW

SN: U604351W-UP

2шт.

28

PK2485613

THERMOSTAT

SN: U604351W-UP

1шт.

29

PK4133L012

CONNECTOR

SN: .-UP

1шт.

|29

PK3764E061

CONNECTOR

SN: U604351W-.

1шт.

30

PK3683N004

JOINT (KIT)

SN: U604351W-.

1шт.

31

PK2431154

PLUG

SN: U604351W-UP

2шт.

32

PK2314H004

SCREW

SN: U604351W-UP

1шт.

33

PK2314H004

SCREW

SN: U604351W-UP

1шт.

34

PKU5MH0050

HOSE

SN: U604351W-UP

1шт.

35

0

HOSE

SN: U604351W-UP

1шт.

36

PK21825192

CLIP

SN: U604351W-UP

2шт.

39

PK2314N043

SCREW

SN: U604351W-UP

3шт.

51

PK2415A076

O-RING,(NOT SHOWN)

SN: U604351W-UP

1шт.

Выбрано товаров: 37