Запчасти Komatsu 1004-4TLR СТАРТЕР АКСЕССУАРЫ

Схема запчастей Komatsu 1004-4TLR - СТАРТЕР АКСЕССУАРЫ
FIT
1:1
100%

Артикул

Название

Примечание

Количество

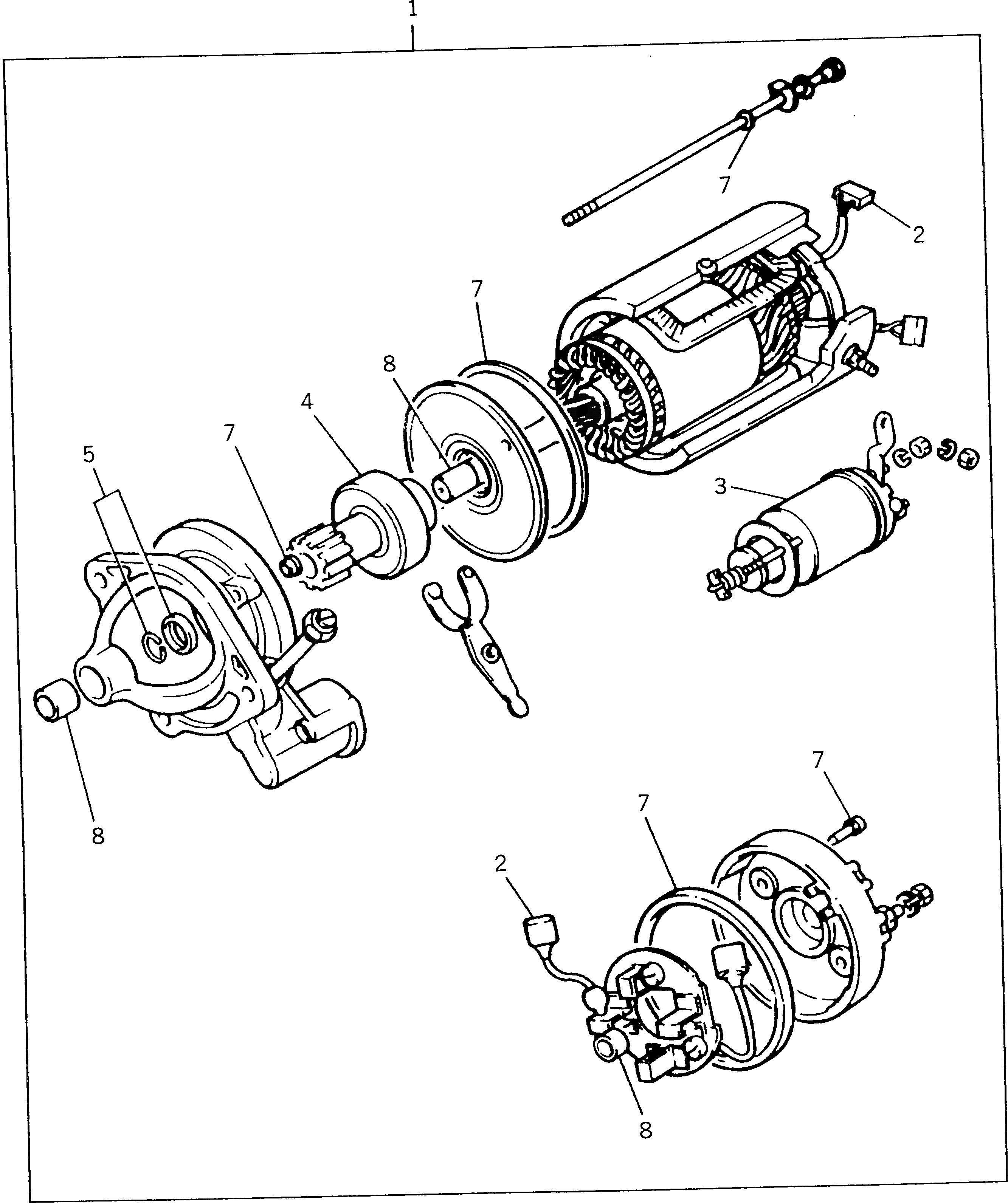
1

PK2873K057

STARTING MOTOR ASS'Y

SN: U604351W-UP

1шт.

2

PK28730437

KIT,BRUSH

SN: U604351W-UP

1шт.

3

PK28730442

SOLENOID

SN: U604351W-UP

1шт.

4

PK28730468

DRIVE

SN: U604351W-UP

1шт.

5

PK28730427

BEARING

SN: U604351W-UP

1шт.

7

PK28730424

KIT

SN: U604351W-UP

1шт.

8

PK28730423

BEARING

SN: U604351W-UP

1шт.

Выбрано товаров: 7