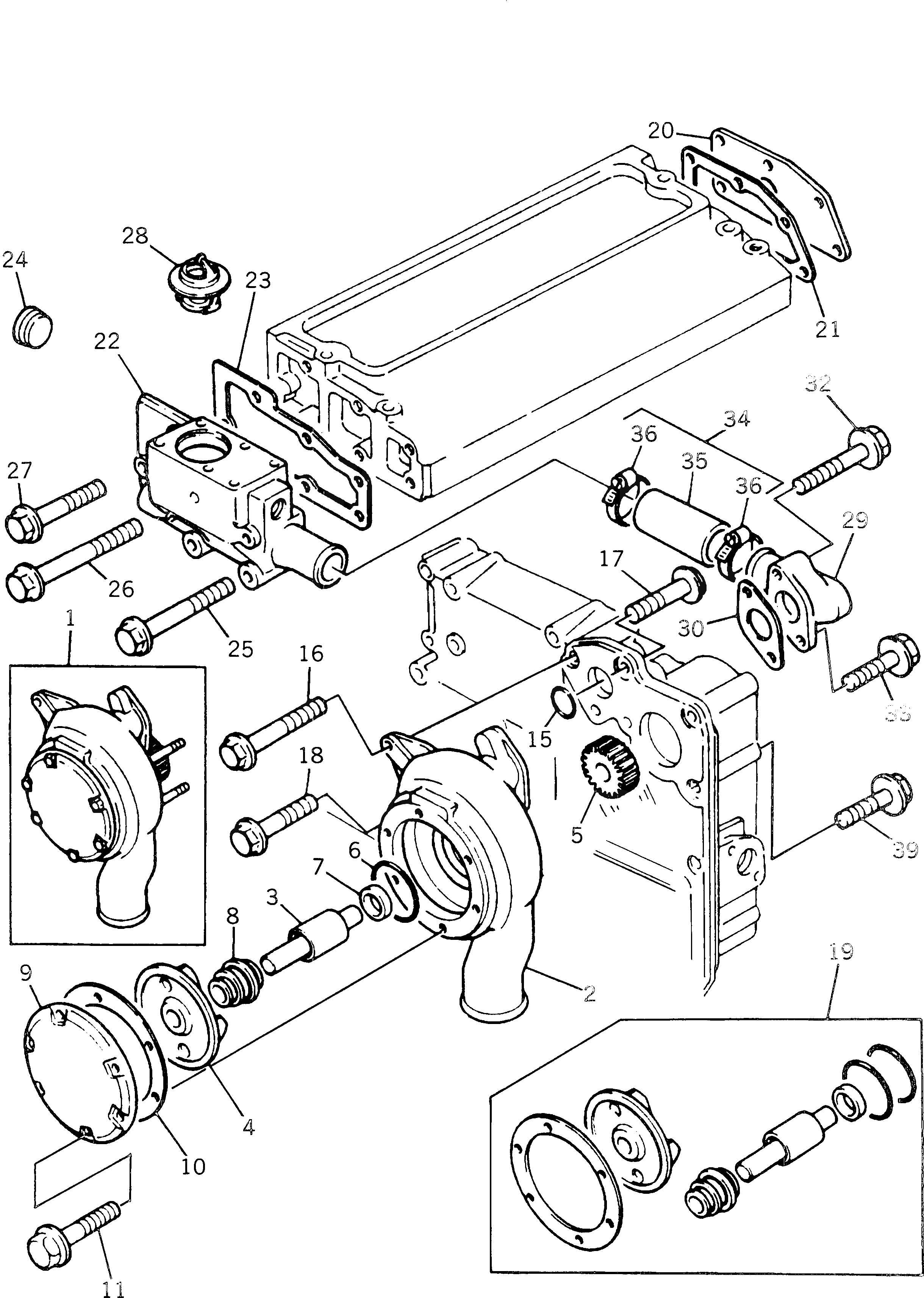
Запчасти Komatsu 1004-4TR ВОДЯНАЯ ПОМПА¤ ТЕРМОСТАТ И ПОДОГРЕВ EXCПОДВЕСН. КРОНШТЕЙН ГОЛОВКА ЦИЛИНДРОВ

Схема запчастей Komatsu 1004-4TR - ВОДЯНАЯ ПОМПА¤ ТЕРМОСТАТ И ПОДОГРЕВ EXCПОДВЕСН. КРОНШТЕЙН ГОЛОВКА ЦИЛИНДРОВ
FIT
1:1
100%

Артикул

Название

Примечание

Количество

1

PK4131E007

WATER PUMP ASS'Y

SN: U541468T-UP

1шт.

2

0

BODY

SN: U541468T-UP

1шт.

3

0

SHAFT

SN: U541468T-UP

1шт.

4

0

IMPELLER

SN: U541468T-UP

1шт.

5

PK3117A032

GEAR

SN: U541468T-UP

1шт.

6

PK2415B155

SEAL

SN: U541468T-UP

1шт.

7

PK2418F405

SEAL

SN: U541468T-UP

1шт.

8

0

SEAL

SN: U541468T-UP

1шт.

9

PK3753R091

COVER

SN: U541468T-UP

1шт.

10

PK3382P003

JOINT (KIT)

SN: U541468T-UP

1шт.

11

PK2314F034

SCREW

SN: U541468T-UP

6шт.

15

PK2415B152

O-RING

SN: U541468T-UP

1шт.

16

PK2314H015

SCREW

SN: U541468T-UP

1шт.

17

PK2314H006

SCREW

SN: U541468T-UP

1шт.

18

PK2314H006

SCREW

SN: U541468T-UP

1шт.

19

PKU7LW0034

REPAIR KIT

SN: U541468T-UP

1шт.

20

PK3623K007

PLATE

SN: U541468T-UP

1шт.

21

PK3685R004

JOINT (KIT)

SN: U541468T-UP

1шт.

22

PK3771K052

HOUSING

SN: U541468T-UP

1шт.

23

PK3685F003

JOINT (KIT)

SN: U541468T-UP

1шт.

24

PK2431154

PLUG

SN: U541468T-UP

2шт.

25

PK2314J013

SCREW

SN: U541468T-UP

2шт.

26

PK2314H015

SCREW

SN: U541468T-UP

1шт.

27

PK2314H008

SCREW

SN: U541468T-UP

2шт.

28

PK2485613

THERMOSTAT

SN: U541468T-UP

1шт.

29

PK3764E061

CONNECTOR

SN: U541468T-UP

1шт.

30

PK3683N001

JOINT (KIT)

SN: U541468T-UP

1шт.

32

PK2314H004

SCREW

SN: U541468T-UP

1шт.

33

PK2314H004

SCREW

SN: U541468T-UP

1шт.

34

PKU5MH0050

HOSE

SN: U541468T-UP

1шт.

35

0

HOSE

SN: U541468T-UP

1шт.

36

PK0180069

CLIP

SN: U541468T-UP

2шт.

39

PK2314H043

SCREW

SN: U541468T-UP

3шт.

Выбрано товаров: 33