Запчасти Komatsu 1006-6T2 ТОПЛИВН. ВПРЫСК ОБОРУД-Е (/) ТОПЛИВН. СИСТЕМА

Схема запчастей Komatsu 1006-6T2 - ТОПЛИВН. ВПРЫСК ОБОРУД-Е (/) ТОПЛИВН. СИСТЕМА
FIT
1:1
100%

Артикул

Название

Примечание

Количество

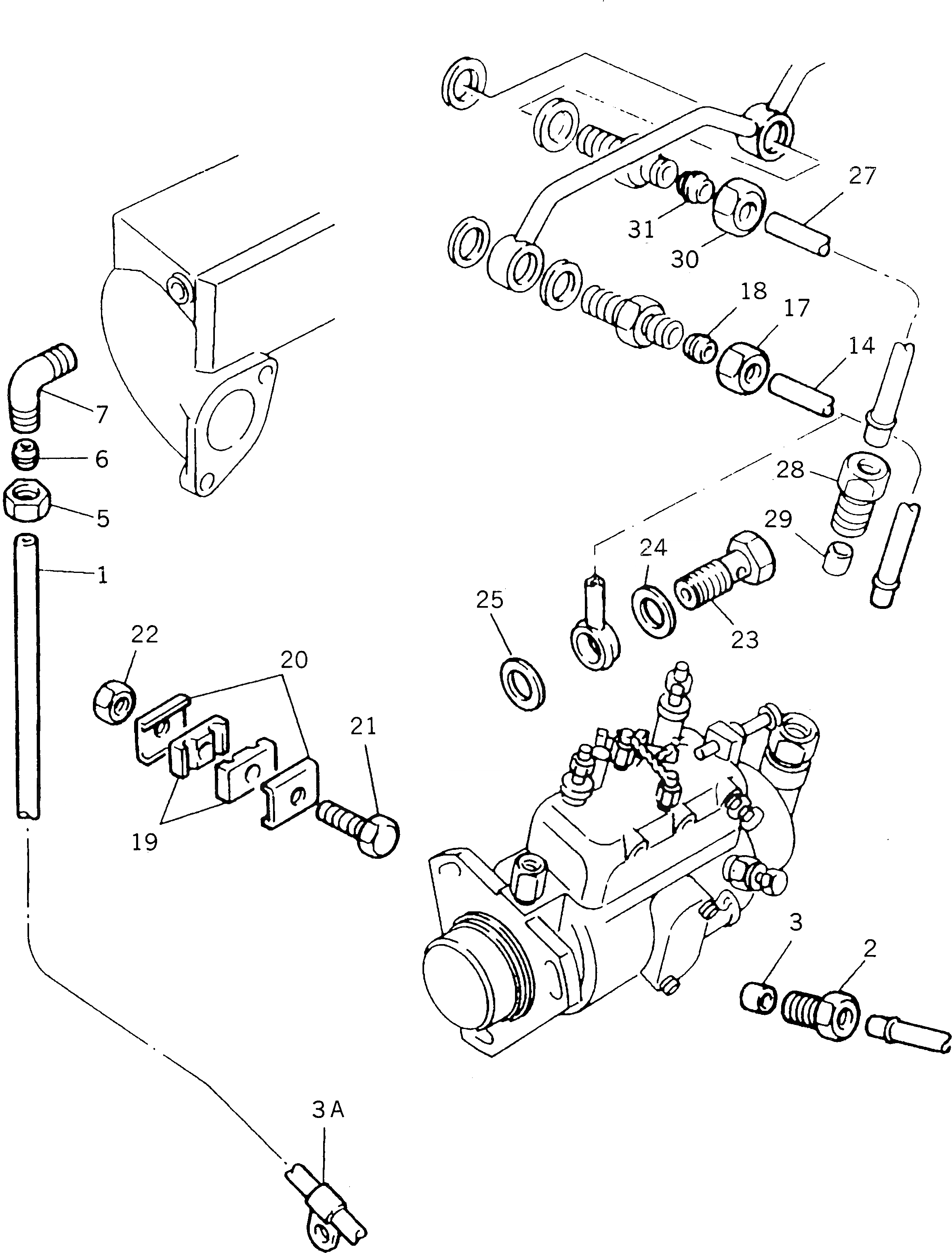
1

PK4124E037

PIPE

SN: U545815W-UP

1шт.

2

PK3353D004

NUT

SN: U545815W-UP

1шт.

3

PK33811112

OLIVE

SN: U545815W-UP

1шт.

3A

PK36564121

CLIP

SN: U545815W-UP

1шт.

5

PK0576111

NUT

SN: U545815W-UP

1шт.

6

PK0566002

OLIVE

SN: U545815W-UP

1шт.

7

PK0201047

CONNECTOR

SN: U545815W-UP

1шт.

14

PK3552A013

PIPE

SN: U545815W-UP

1шт.

17

PK33225412

NUT

SN: U545815W-UP

1шт.

18

PK33811112

OLIVE

SN: U545815W-UP

1шт.

19

PK36844116

CLAMP

SN: U545815W-UP

2шт.

20

PK36511123

PLATE

SN: U545815W-UP

2шт.

21

PK2314E007

SCREW

SN: U545815W-UP

1шт.

22

PK2318D205

NUT

SN: U545815W-UP

1шт.

23

PK32184422

BOLT

SN: U545815W-UP

1шт.

24

PK0920146

WASHER

SN: U545815W-UP

1шт.

25

PK0920146

WASHER

SN: U545815W-UP

1шт.

27

PK4121C017

PIPE

SN: U545815W-UP

1шт.

28

PK3353D004

NUT

SN: U545815W-UP

1шт.

29

PK33811112

OLIVE

SN: U545815W-UP

1шт.

30

PK33225412

NUT

SN: U545815W-UP

1шт.

31

PK33811112

OLIVE

SN: U545815W-UP

1шт.

Выбрано товаров: 22