Запчасти Komatsu 1006-6TLR2-PC СТАРТЕР ЭЛЕКТРИКА

Схема запчастей Komatsu 1006-6TLR2-PC - СТАРТЕР ЭЛЕКТРИКА
FIT
1:1
100%

Артикул

Название

Примечание

Количество

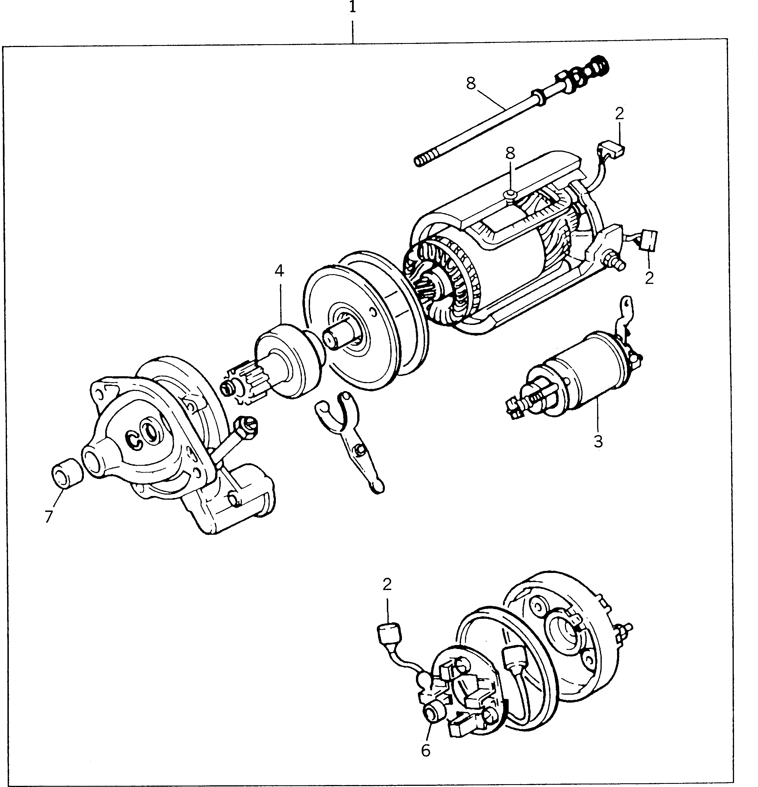
1

PK2873K056

STARTING MOTOR ASS'Y

SN: U547826W-UP

1шт.

2

PK28730437

KIT,BRUSH

SN: U547826W-UP

1шт.

3

PK28730442

SOLENOID

SN: U547826W-UP

1шт.

4

PK28730443

DRIVE

SN: U547826W-UP

1шт.

6

PK28730423

BEARING

SN: U547826W-UP

1шт.

7

PK28730427

BEARING

SN: U547826W-UP

1шт.

8

PK28730424

KIT,REPAIR

SN: U547826W-UP

1шт.

Выбрано товаров: 7