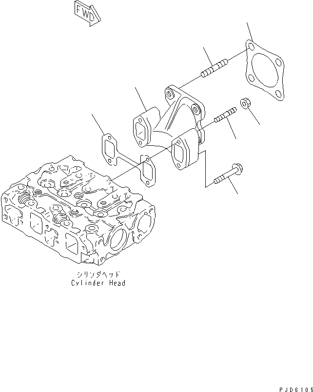
Запчасти Komatsu 2D68E-N3C ВЫПУСКНОЙ КОЛЛЕКТОР(№N7-) ДВИГАТЕЛЬ

Схема запчастей Komatsu 2D68E-N3C - ВЫПУСКНОЙ КОЛЛЕКТОР(№N7-) ДВИГАТЕЛЬ
1
2
3
4
5
6
7
FIT
1:1
100%

Артикул

Название

Примечание

Количество

1

YM119305-13100

MANIFOLD,EXHAUST

SN: N00711-UP

1шт.

2

YM119305-13110

GASKET (KIT)

SN: N00711-UP

1шт.

3

YM26106-060402

BOLT

SN: N00711-UP

2шт.

4

YM26216-060402

STUD

SN: N00711-UP

2шт.

5

YM119131-18320

STUD

SN: N00711-UP

4шт.

6

YM26366-060002

NUT

SN: N00711-UP

2шт.

7

YM121000-13201

GASKET

SN: N00711-UP

2шт.

Выбрано товаров: 7