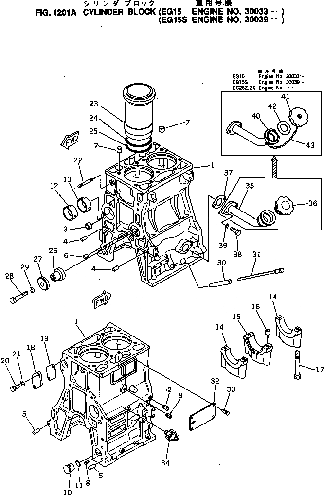
Запчасти Komatsu 2D94-2D БЛОК ЦИЛИНДРОВ(№-) БЛОК ЦИЛИНДРОВ

Схема запчастей Komatsu 2D94-2D - БЛОК ЦИЛИНДРОВ(№-) БЛОК ЦИЛИНДРОВ
FIT
1:1
100%

Артикул

Название

Примечание

Количество

|$0

6142-22-1200

CYLINDER BLOCK ASS'Y

SN: 30033-UP

1шт.

1

0

BLOCK,CYLINDER

SN: 30033-UP

1шт.

2

07043-50108

PLUG

SN: 20003-UP

2шт.

3

6140-21-1140

PLUG

SN: 20003-UP

2шт.

4

04020-01024

PIN,DOWEL

SN: 20003-UP

2шт.

5

04020-01228

PIN,DOWEL

SN: 20003-UP

2шт.

6

04025-00512

PIN,SPRING

SN: .-UP

1шт.

6

0

PIN,DOWEL

SN: 20003-.

1шт.

7

6140-21-1130

BUSHING

SN: 20003-UP

2шт.

8

04025-00412

PIN,SPRING

SN: 20003-UP

1шт.

9

07042-00312

PLUG

SN: 20003-UP

1шт.

10

6140-21-1811

INSERT

SN: 20003-UP

1шт.

11

6140-51-6330

O-RING (K2)

SN: 20003-UP

1шт.

12

6142-22-1410

BUSHING

SN: 20003-UP

1шт.

13

6142-22-1430

BUSHING

SN: 20003-UP

1шт.

14

0

CAP,NO.1,3

SN: 20003-UP

2шт.

14

6142-22-1220

CAP,NO.1,3

SN: 20003-UP

2шт.

15

0

CAP,NO.2

SN: 20003-UP

1шт.

15

6142-22-1240

CAP,NO.2

SN: 20003-UP

1шт.

16

6141-21-1530

RING,DOWEL

SN: 20003-UP

2шт.

17

6142-21-1610

BOLT

SN: 20003-UP

6шт.

18

6141-21-1650

PLATE

SN: 20003-UP

1шт.

19

6141-61-6830

GASKET (K2)

SN: 20003-UP

1шт.

20

01010-30820

BOLT

SN: 20003-UP

2шт.

21

01602-00825

WASHER,SPRING

SN: 20003-UP

2шт.

22

01124-30860

STUD

SN: 20003-UP

1шт.

23

6142-22-2211

LINER,CYLINDER

SN: 26423-UP

2шт.

23

6144-21-2211

LINER,CYLINDER

SN: 20003-UP

2шт.

24

6142-21-2221

O-RING (K2)

SN: 20003-UP

2шт.

25

6142-21-2230

O-RING (K2)

SN: 20003-UP

2шт.

26

6141-21-2412

SHAFT

SN: 20003-UP

1шт.

27

6141-21-2421

PLATE

SN: 20003-UP

1шт.

28

01010-31265

BOLT

SN: 20003-UP

1шт.

29

01602-01234

WASHER,SPRING

SN: 20003-UP

1шт.

30

6142-22-5431

GUIDE,OIL GAUGE

SN: 30033-UP

1шт.

31

6142-22-5330

GAUGE,OIL

SN: 30033-UP

1шт.

32

09605-01211

PLATE, NAME,(LIMITED SUPPLY)

SN: .-UP

1шт.

32

0

PLATE, NAME,(LIMITED SUPPLY)

SN: 20003-.

1шт.

33

04418-02550

SCREW

SN: 20003-UP

4шт.

34

08073-00505

SWITCH,OIL PRESSURE

SN: 30033-UP

1шт.

37

6132-11-4820

GASKET (K2)

SN: 30033-UP

1шт.

38

01010-30822

BOLT

SN: 30033-UP

2шт.

39

01602-00825

WASHER,SPRING

SN: 30033-UP

2шт.

|$43

6142-22-5700

FILLER ASS'Y

SN: 30033-UP

1шт.

40

6142-22-5712

FILLER

SN: 30033-UP

1шт.

41

6136-21-7120

CAP ASS'Y

SN: 30033-UP

1шт.

42

6136-21-7180

GASKET

SN: 30033-UP

1шт.

43

6136-21-7190

CHAIN

SN: 30033-UP

1шт.

|$0

6142-22-1200

CYLINDER BLOCK ASS'Y

1

BLOCK,CYLINDER

2

07043-50108

PLUG

3

6140-21-1140

PLUG

4

04020-01024

PIN,DOWEL

5

04020-01228

PIN,DOWEL

6

04025-00512

PIN,SPRING

6

04020-00514

PIN,DOWEL

7

6140-21-1130

BUSHING

8

04025-00412

PIN,SPRING

9

07042-00312

PLUG

10

6140-21-1811

INSERT

11

6140-51-6330

O-RING (K2)

12

6142-22-1410

BUSHING

13

6142-22-1430

BUSHING

14

6142-29-1220

CAP,NO.1,3

14

6142-22-1220

CAP,NO.1,3

15

6142-29-1240

CAP,NO.2

15

6142-22-1240

CAP,NO.2

16

6141-21-1530

RING,DOWEL

17

6142-21-1610

BOLT

18

6141-21-1650

PLATE

19

6141-61-6830

GASKET (K2)

20

01010-30820

BOLT

21

01602-00825

WASHER,SPRING

22

01124-30860

STUD

23

6142-22-2211

LINER,CYLINDER

23

6144-21-2211

LINER,CYLINDER

24

6142-21-2221

O-RING (K2)

25

6142-21-2230

O-RING (K2)

26

6141-21-2412

SHAFT

27

6141-21-2421

PLATE

28

01010-31265

BOLT

29

01602-01234

WASHER,SPRING

30

6142-22-5431

GUIDE,OIL GAUGE

31

6142-22-5330

GAUGE,OIL

32

09605-01211

PLATE, NAME,(LIMITED SUPPLY)

32

6142-82-2351

PLATE, NAME,(LIMITED SUPPLY)

33

04418-02550

SCREW

34

08073-00505

SWITCH,OIL PRESSURE

37

6132-11-4820

GASKET (K2)

38

01010-30822

BOLT

39

01602-00825

WASHER,SPRING

|$43

6142-22-5700

FILLER ASS'Y

40

6142-22-5712

FILLER

41

6136-21-7120

CAP ASS'Y

42

6136-21-7180

GASKET

43

6136-21-7190

CHAIN

Выбрано товаров: 96