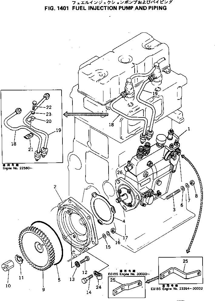
Запчасти Komatsu 2D94-2D ТОПЛ. НАСОС И ТРУБЫ ТОПЛИВН. СИСТЕМА

Схема запчастей Komatsu 2D94-2D - ТОПЛ. НАСОС И ТРУБЫ ТОПЛИВН. СИСТЕМА
FIT
1:1
100%

Артикул

Название

Примечание

Количество

1

6142-75-1205

INJECTION PUMP ASS'Y

SN: 30033-UP

1шт.

1

6142-75-1204

INJECTION PUMP ASS'Y

SN: 23394-30032

1шт.

1

6142-75-1202

INJECTION PUMP ASS'Y

SN: 23069-23393

1шт.

1

0

INJECTION PUMP ASS'Y

SN: 20071-23068

1шт.

1

0

INJECTION PUMP ASS'Y

SN: 20003-20070

1шт.

|$5

6142-72-3020

HOLDER ASS'Y

SN: 23394-UP

1шт.

|$6

6142-72-3010

HOLDER ASS'Y

SN: 20003-23393

1шт.

2

0

HOLDER

SN: 23394-UP

1шт.

2

0

HOLDER

SN: 20003-23393

1шт.

3

01124-30825

STUD

SN: 20003-UP

3шт.

4

6140-71-1151

GASKET (K2)

SN: 23394-UP

1шт.

4

6140-71-1160

GASKET (K2)

SN: 20003-23393

1шт.

5

07000-02135

O-RING (K2)

SN: 20003-UP

1шт.

6

01640-20816

WASHER

SN: .-UP

3шт.

6

0

WASHER

SN: 20003-.

3шт.

7

01602-00825

WASHER,SPRING

SN: 20003-UP

3шт.

8

01580-00806

NUT

SN: 20003-UP

3шт.

9

6142-72-3130

GEAR

SN: 20003-UP

1шт.

10

6142-72-3250

NUT

SN: 23394-UP

1шт.

10

6142-72-3150

NUT

SN: 20003-23393

1шт.

11

01653-21212

WASHER,LOCK (K2)

SN: 20003-UP

1шт.

12

6144-71-3170

BOLT

SN: 22336-UP

1шт.

12

0

BOLT

SN: 20003-22335

1шт.

13

07005-00812

GASKET (K2)

SN: 20003-22335

1шт.

14

01010-30865

BOLT

SN: 20003-UP

4шт.

15

01641-20812

WASHER

SN: 20003-UP

4шт.

16

01602-00825

WASHER,SPRING

SN: 20003-UP

4шт.

17

01580-00808

NUT

SN: 20003-UP

4шт.

18

6142-72-5211

PIPE,INJECTION, NO.1

SN: 23394-UP

1шт.

18

6142-72-5110

PIPE,INJECTION, NO.1

SN: 20003-23393

1шт.

19

6142-72-5221

PIPE,INJECTION, NO.2

SN: 23394-UP

1шт.

19

6142-72-5121

PIPE,INJECTION, NO.2

SN: 20003-23393

1шт.

|$32

6144-71-5720

CLIP ASS'Y

SN: 30206-UP

1шт.

|$33

0

CLIP ASS'Y

SN: 22560-30205

1шт.

20

6144-71-5730

CLIP

SN: 30206-UP

1шт.

20

0

CLIP

SN: 22560-30205

1шт.

21

6144-71-5740

CLIP, WITH THREAD

SN: 30206-UP

1шт.

21

0

CLIP, WITH THREAD

SN: 22560-30205

1шт.

22

6130-71-5750

BOLT

SN: 22560-UP

1шт.

23

6130-71-5760

WASHER

SN: 22560-UP

1шт.

25

6142-72-1290

LEVER

SN: 30033-UP

1шт.

25

6144-75-1183

LEVER

SN: 23394-30032

1шт.

26

6142-72-1910

PLATE, CAUTION

SN: 23069-UP

1шт.

26

6140-75-1910

PLATE, CAUTION

SN: 20003-23068

1шт.

Выбрано товаров: 44