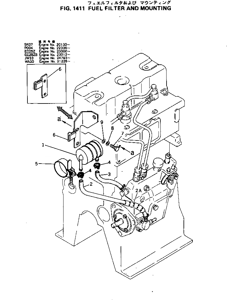
Запчасти Komatsu 2D94-2D ТОПЛИВН. ФИЛЬТР. И КРЕПЛЕНИЕ ТОПЛИВН. СИСТЕМА

Схема запчастей Komatsu 2D94-2D - ТОПЛИВН. ФИЛЬТР. И КРЕПЛЕНИЕ ТОПЛИВН. СИСТЕМА
FIT
1:1
100%

Артикул

Название

Примечание

Количество

|$0

6142-72-6120

FUEL FILTER ASS'Y

SN: 25652-UP

1шт.

|$1

0

FUEL FILTER ASS'Y

SN: 20003-25651

1шт.

1

600-311-6130

CARTRIDGE

SN: 20003-UP

1шт.

2

600-311-6612

HOSE

SN: 25652-UP

1шт.

2

0

HOSE

SN: 20003-25651

1шт.

3

600-311-6620

HOSE

SN: 20003-UP

1шт.

4

600-714-1410

CLAMP

SN: 20003-UP

4шт.

5

600-714-1120

CLAMP

SN: 20003-UP

1шт.

6

6142-72-6152

BRACKET

SN: 24346-UP

1шт.

6

0

BRACKET

SN: 20003-24345

1шт.

7

01010-30816

BOLT

SN: 20003-UP

2шт.

8

01602-00825

WASHER,SPRING

SN: 20003-UP

2шт.

9

01643-30823

WASHER

SN: 20003-UP

2шт.

Выбрано товаров: 13