Запчасти Komatsu 2D94-2D ГЕНЕРАТОР И КРЕПЛЕНИЕ ОХЛАЖД-Е И ЭЛЕКТРИКАS

Схема запчастей Komatsu 2D94-2D - ГЕНЕРАТОР И КРЕПЛЕНИЕ ОХЛАЖД-Е И ЭЛЕКТРИКАS
FIT
1:1
100%

Артикул

Название

Примечание

Количество

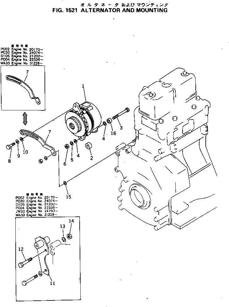
1

600-821-2330

ALTERNATOR A.,(SEE FIG.1541A)

SN: 23394-UP

1шт.

1

600-821-2311

ALTERNATOR A.,(SEE FIG.1541)

SN: 20003-23393

1шт.

2

6142-82-6550

SPACER

SN: 20003-UP

1шт.

3

6140-11-8160

BOLT

SN: 20003-UP

1шт.

4

01641-20812

WASHER

SN: 20003-UP

2шт.

5

01602-00825

WASHER,SPRING

SN: 20003-UP

1шт.

6

01580-00806

NUT

SN: 20003-UP

1шт.

7

6142-82-6651

PLATE,ADJUST

SN: 26556-UP

1шт.

7

0

PLATE,ADJUST

SN: 20003-26555

1шт.

|$$10

(6142-82-6651,01640-20816)

-1шт.

8

01010-30820

BOLT

SN: 20003-UP

1шт.

9

01602-00825

WASHER,SPRING

SN: 20003-UP

1шт.

10

01643-30823

WASHER

SN: 20003-UP

1шт.

15

01640-20816

WASHER

SN: 26556-UP

1шт.

Выбрано товаров: 14