Запчасти Komatsu 2D94-2D ГЛУШИТЕЛЬ(№-) ГОЛОВКА ЦИЛИНДРОВ

Схема запчастей Komatsu 2D94-2D - ГЛУШИТЕЛЬ(№-) ГОЛОВКА ЦИЛИНДРОВ
FIT
1:1
100%

Артикул

Название

Примечание

Количество

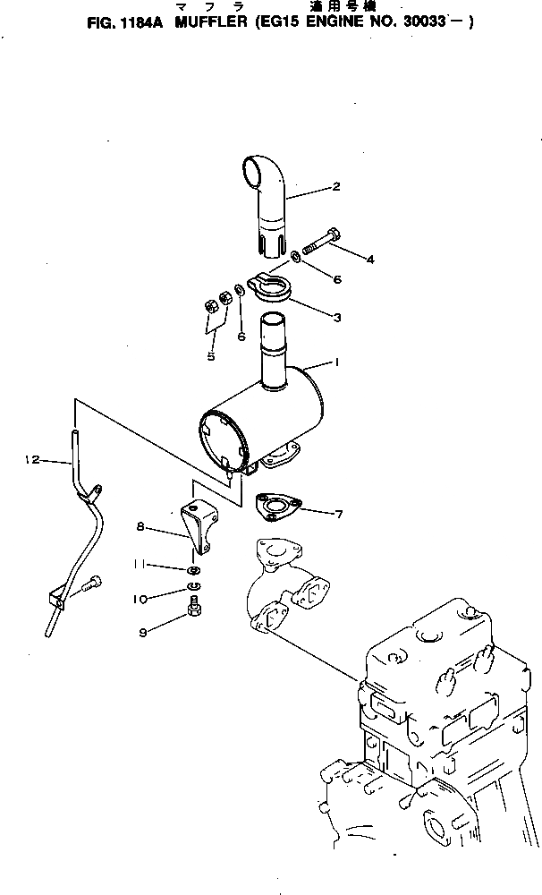
1

6142-12-5513

MUFFLER

SN: 30033-UP

1шт.

2

6991-11-5740

PIPE,EXHAUST

SN: 30033-UP

1шт.

3

6140-11-5741

CLAMP

SN: 20003-UP

1шт.

4

01010-30855

BOLT

SN: 20003-UP

1шт.

5

01580-20806

NUT

SN: 20003-UP

2шт.

6

01640-20816

WASHER

SN: 20003-UP

2шт.

7

6142-11-5820

GASKET (K1)

SN: 20003-UP

1шт.

8

6142-12-5910

BRACKET

SN: 20071-UP

1шт.

9

01010-31025

BOLT

SN: 20071-UP

1шт.

10

01602-01030

WASHER,SPRING

SN: 20071-UP

1шт.

11

01643-31032

WASHER

SN: 20071-UP

1шт.

12

6142-12-5670

PIPE

SN: 30033-UP

1шт.

Выбрано товаров: 12