Запчасти Komatsu 2D94-2E ПРИВОД КРЫШКАAND ПЛАСТИНА БЛОК ЦИЛИНДРОВ

Схема запчастей Komatsu 2D94-2E - ПРИВОД КРЫШКАAND ПЛАСТИНА БЛОК ЦИЛИНДРОВ
FIT
1:1
100%

Артикул

Название

Примечание

Количество

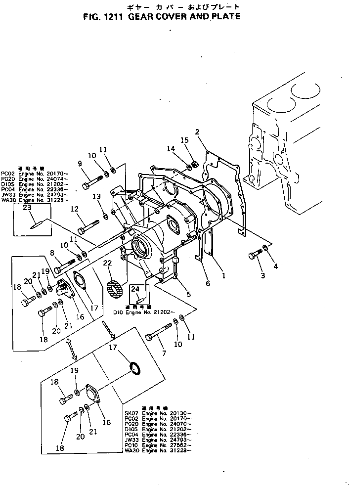
1

6142-22-3210

PLATE,FRONT

SN: 20004-UP

1шт.

2

6142-22-3811

GASKET (K2)

SN: 20004-UP

1шт.

3

01010-30820

BOLT

SN: 20004-UP

2шт.

4

01602-00825

WASHER,SPRING

SN: 20004-UP

2шт.

5

6142-52-1101

OIL PUMP ASS'Y

SN: 24346-UP

1шт.

|5

6142-52-1100

OIL PUMP ASS'Y

SN: 20004-24345

1шт.

6

6142-22-3820

GASKET (K2)

SN: 20004-UP

1шт.

7

6132-11-6460

BOLT

SN: 20004-UP

4шт.

8

01010-30855

BOLT

SN: 20004-UP

1шт.

9

01010-30860

BOLT

SN: 20004-UP

2шт.

10

01602-00825

WASHER,SPRING

SN: 20004-UP

7шт.

11

01641-20812

WASHER

SN: 20004-UP

7шт.

12

01010-30860

BOLT

SN: 20004-UP

1шт.

13

01641-20812

WASHER

SN: 20004-UP

1шт.

14

01602-00825

WASHER,SPRING

SN: 20004-UP

2шт.

15

01580-00806

NUT

SN: 20004-UP

1шт.

16

6142-82-5111

BOX,GEAR

SN: 20374-UP

1шт.

|16

6142-82-5110

BOX,GEAR

SN: 20004-20373

1шт.

17

07000-03050

O-RING (K2)

SN: 20118-UP

1шт.

|17

6142-82-5180

GASKET (K2)

SN: 20004-20117

1шт.

18

01014-30820

BOLT

SN: 20118-UP

2шт.

|18

01010-30620

BOLT

SN: 20004-20117

2шт.

19

07005-00612

GASKET

SN: 20004-UP

1шт.

20

01602-00619

WASHER,SPRING

SN: 20118-UP

2шт.

21

01641-20608

WASHER

SN: 20118-UP

2шт.

22

6142-22-3530

SEAL¤ FRONT (K2)

SN: 20004-UP

1шт.

Выбрано товаров: 26