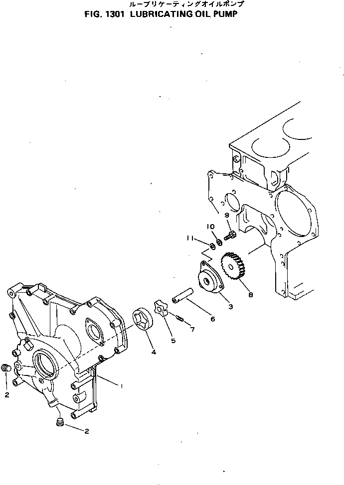
Запчасти Komatsu 2D94-2E СМАЗЫВ. НАСОС СИСТЕМА СМАЗКИ МАСЛ. СИСТЕМА

Схема запчастей Komatsu 2D94-2E - СМАЗЫВ. НАСОС СИСТЕМА СМАЗКИ МАСЛ. СИСТЕМА
FIT
1:1
100%

Артикул

Название

Примечание

Количество

|1

6142-52-1101

OIL PUMP ASS'Y

SN: 24346-UP

1шт.

|1

0

OIL PUMP ASS'Y

SN: 20004-24345

1шт.

|$$3

(6142-52-1101{01010-30825(2))}

-1шт.

1

6142-22-3111

COVER

SN: 24346-UP

1шт.

|1

6142-22-3110

COVER

SN: 20004-24345

1шт.

2

07043-50312

PLUG

SN: 20004-UP

2шт.

3

6142-52-1120

COVER

SN: 20004-UP

1шт.

4

6142-52-1310

ROTOR,OUTER

SN: 20004-UP

1шт.

|5

6142-52-1300

INNER ROTOR ASS'Y

SN: 20004-UP

1шт.

5

0

ROTOR

SN: 20004-UP

1шт.

6

0

SHAFT

SN: 20004-UP

1шт.

7

6142-52-1350

PIN

SN: 20004-UP

1шт.

8

6142-52-1430

GEAR,DRIVE

SN: 20004-UP

1шт.

9

01010-30620

BOLT

SN: 20004-UP

3шт.

10

01602-00619

WASHER,SPRING

SN: 20004-UP

3шт.

11

01641-20608

WASHER

SN: 20004-UP

3шт.

Выбрано товаров: 0