Запчасти Komatsu 2D94-2E ТОПЛ. НАСОС (/) ТОПЛИВН. СИСТЕМА

Схема запчастей Komatsu 2D94-2E - ТОПЛ. НАСОС (/) ТОПЛИВН. СИСТЕМА
FIT
1:1
100%

Артикул

Название

Примечание

Количество

|1

6142-75-1205

INJECTION PUMP ASS'Y

SN: 30039-UP

1шт.

|1

6142-75-1204

INJECTION PUMP ASS'Y

SN: 23394-30038

1шт.

|1

6142-75-1202

INJECTION PUMP ASS'Y

SN: 23069-23393

1шт.

|1

0

INJECTION PUMP ASS'Y

SN: 20071-23068

1шт.

|1

0

INJECTION PUMP ASS'Y

SN: 20004-20070

1шт.

|1

DK105248-0170

FEED PUMP ASS'Y

SN: 20071-UP

1шт.

|1

DK105248-0140

FEED PUMP ASS'Y

SN: 20004-20070

1шт.

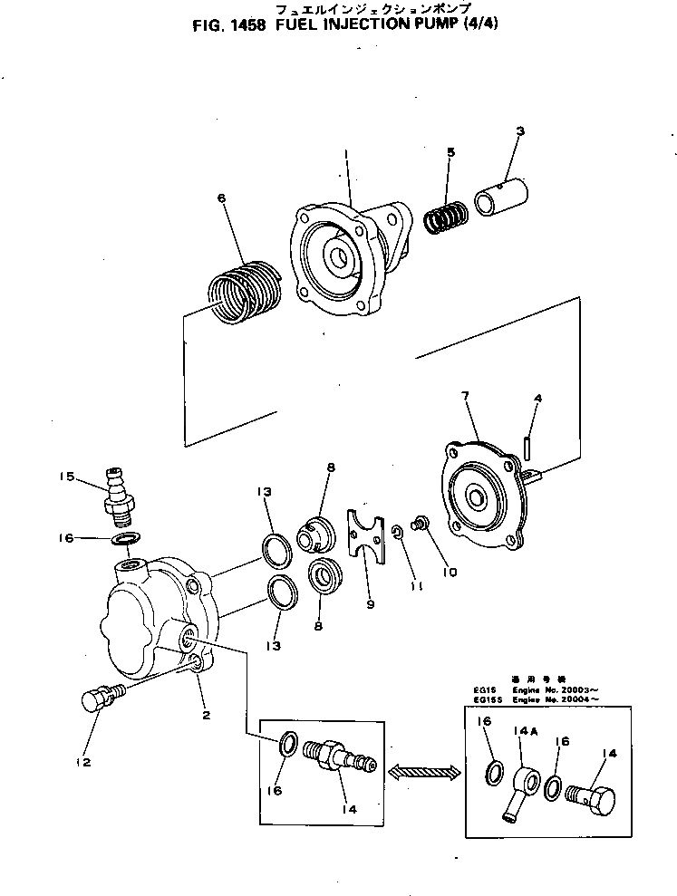
1

DK152004-0200

HOUSING

SN: 20004-UP

1шт.

2

DK152020-1200

COVER

SN: 20004-UP

1шт.

3

DK152111-1700

TAPPET

SN: 20004-UP

1шт.

4

DK029403-0240

PIN

SN: 20004-UP

1шт.

5

DK152110-1000

SPRING

SN: 20004-UP

1шт.

6

DK152133-0100

SPRING

SN: 20004-UP

1шт.

7

DK152130-0020

DIAPHRAGM

SN: 20004-UP

1шт.

8

DK152119-0020

VALVE,CHECK

SN: 20004-UP

2шт.

9

DK152140-0200

HOLDER

SN: 20004-UP

1шт.

10

DK020104-0940

BOLT

SN: 20004-UP

2шт.

11

DK014110-4440

WASHER,SPRING

SN: 20004-UP

2шт.

12

DK029010-5210

BOLT

SN: 20004-UP

4шт.

13

DK029341-4070

GASKET

SN: 20004-UP

2шт.

14

DK029730-8380

BOLT,EYE

SN: 20071-UP

1шт.

|14

DK029720-8060

JOINT

SN: 20004-20070

1шт.

14A

DK139808-0100

EYE

SN: 20071-UP

1шт.

15

DK029720-8050

JOINT

SN: 20004-UP

1шт.

16

DK029340-8110

GASKET

SN: 20071-UP

3шт.

|16

DK029340-8110

GASKET

SN: 20004-20070

2шт.

Выбрано товаров: 26