Запчасти Komatsu 2D94-2E СТАРТЕР(№9-) ОХЛАЖД-Е И ЭЛЕКТРИКАS

Схема запчастей Komatsu 2D94-2E - СТАРТЕР(№9-) ОХЛАЖД-Е И ЭЛЕКТРИКАS
FIT
1:1
100%

Артикул

Название

Примечание

Количество

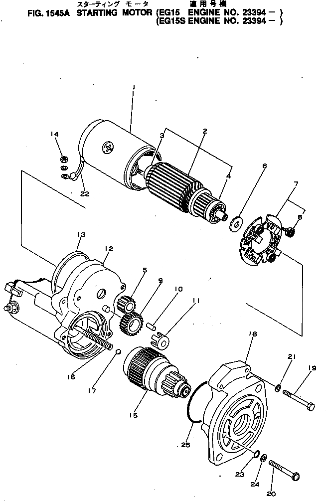
|1

600-813-1570

STARTING MOTOR A.

SN: 23394-UP

1шт.

1

ND028100-2540

YOKE

SN: 23394-UP

1шт.

2

ND028200-1511

ARMATURE ASS'Y

SN: 23394-UP

1шт.

3

ND949100-1360

BEARING

SN: 23394-UP

1шт.

4

ND949100-1750

BEARING

SN: 23393-UP

1шт.

5

ND028371-1410

PINION

SN: 23394-UP

1шт.

6

ND949020-0650

WASHER

SN: 23394-UP

1шт.

7

ND028510-0441

BRUSH HOLDER ASS'Y

SN: 23394-UP

1шт.

8

ND949173-0461

SPRING

SN: 23394-UP

4шт.

9

ND028371-1420

PINION

SN: 23394-UP

1шт.

10

ND028306-0061

ROLLER

SN: 23394-UP

5шт.

11

ND028306-0011

RETAINER

SN: 23394-UP

1шт.

12

ND053400-4310

SWITCH,MAGNET

SN: 23394-UP

1шт.

13

ND949062-1010

PACKING

SN: 23394-UP

1шт.

14

ND949056-1370

NUT

SN: 23394-UP

1шт.

15

ND028300-2180

CLUTCH

SN: 23394-UP

1шт.

16

ND949170-3380

SPRING

SN: 23994-UP

1шт.

17

ND949120-0240

BALL

SN: 23394-UP

1шт.

18

ND028401-6270

HOUSING

SN: 23394-UP

1шт.

19

ND949042-1800

BOLT

SN: 23394-UP

2шт.

20

ND949007-1720

SCREW

SN: 23394-UP

2шт.

21

ND90258-06001

WASHER,SPRING

SN: 23394-UP

2шт.

22

ND949340-0660

CAP

SN: 23394-UP

1шт.

23

ND90801-10060

O-RING

SN: 23394-UP

2шт.

24

ND90200-06241

WASHER

SN: 23394-UP

2шт.

25

ND90801-20420

O-RING

SN: 23394-UP

1шт.

Выбрано товаров: 26