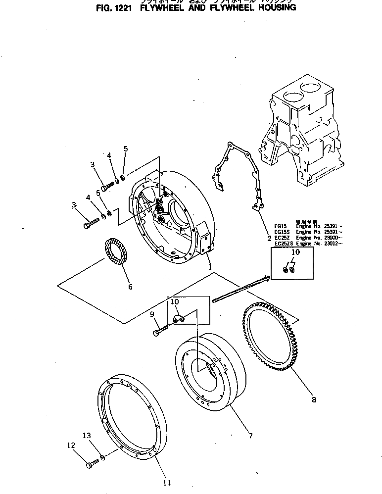
Запчасти Komatsu 2D94-2F МАХОВИК И КАРТЕР МАХОВИКА БЛОК ЦИЛИНДРОВ

Схема запчастей Komatsu 2D94-2F - МАХОВИК И КАРТЕР МАХОВИКА БЛОК ЦИЛИНДРОВ
FIT
1:1
100%

Артикул

Название

Примечание

Количество

1

6142-25-4110

HOUSING,FLYWHEEL

SN: 23000-UP

1шт.

2

6142-22-4810

GASKET (K2)

SN: 23000-UP

1шт.

3

01010-31035

BOLT

SN: 23000-UP

10шт.

4

01602-01030

WASHER,SPRING

SN: 23000-UP

10шт.

5

01641-21016

WASHER

SN: 23000-UP

10шт.

6

6142-22-4231

SEAL¤ REAR (K2)

SN: 23000-UP

1шт.

|7

6142-32-1901

FLYWHEEL ASS'Y

SN: 23000-UP

1шт.

7

0

FLYWHEEL

SN: 23000-UP

1шт.

8

0

GEAR,RING

SN: 23000-UP

1шт.

9

01050-31230

BOLT

SN: 23000-UP

6шт.

10

6142-32-1360

WASHER

SN: 23000-UP

6шт.

Выбрано товаров: 11