Запчасти Komatsu 2D94-2G ГОЛОВКА ЦИЛИНДРОВ ГОЛОВКА ЦИЛИНДРОВ

Схема запчастей Komatsu 2D94-2G - ГОЛОВКА ЦИЛИНДРОВ ГОЛОВКА ЦИЛИНДРОВ
FIT
1:1
100%

Артикул

Название

Примечание

Количество

|$0

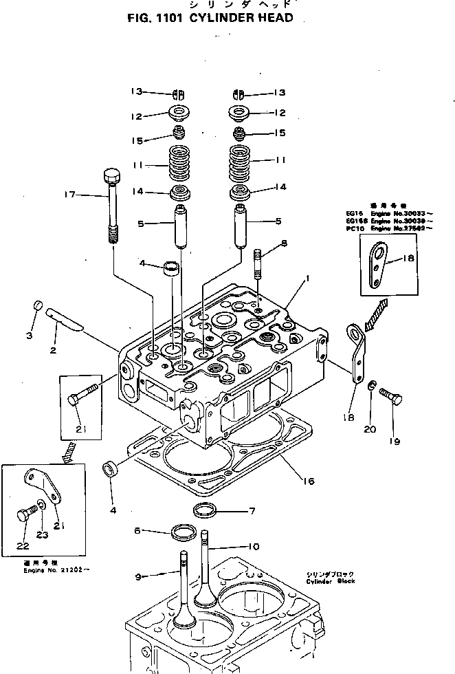
6142-12-1012

CYLINDER HEAD A.,WITH VALVE

SN: 23000-UP

1шт.

|$1

6142-12-1102

CYLINDER HEAD A.,VALVE LESS

SN: 23000-UP

1шт.

1

0

HEAD,CYLINDER

SN: 29233-UP

1шт.

1

0

HEAD,CYLINDER

SN: 23000-29232

1шт.

2

6142-12-1140

PIPE

SN: 23000-UP

2шт.

3

07046-41410

PLUG

SN: 30530-UP

2шт.

3

0

PLUG

SN: 23000-30529

2шт.

4

07046-42516

PLUG

SN: 30530-UP

9шт.

4

0

PLUG

SN: 23000-30529

9шт.

5

6142-11-1310

GUIDE,VALVE

SN: 23000-UP

4шт.

6

6142-12-1430

SEAT,INTAKE (STD)

SN: 23000-UP

2шт.

6

6142-19-1430

SEAT, 0.25MM (OS)

SN: 23000-UP

2шт.

6

6142-18-1430

SEAT, 0.50MM (OS)

SN: 23000-UP

2шт.

7

6142-12-1440

SEAT,EXHAUST (STD)

SN: 23000-UP

2шт.

7

6142-19-1440

SEAT, 0.25MM (OS)

SN: 23000-UP

2шт.

7

6142-18-1440

SEAT, 0.50MM (OS)

SN: 23000-UP

2шт.

8

6142-11-8120

STUD

SN: 23000-UP

2шт.

9

6140-41-4111

VALVE,INTAKE

SN: 23000-UP

2шт.

10

6142-42-4210

VALVE,EXHAUST

SN: 23000-UP

2шт.

11

6140-41-4410

SPRING,VALVE

SN: 23000-UP

4шт.

12

6140-41-4511

SEAT,SPRING

SN: 23000-UP

4шт.

13

6140-41-4520

COTTER

SN: 23000-UP

8шт.

14

6140-41-4530

ROTATOR

SN: 23000-UP

4шт.

15

6140-41-4540

SEAL,VALVE (K1)

SN: 23000-UP

4шт.

16

6142-12-1810

GASKET,HEAD (K1)

SN: 23000-UP

1шт.

17

6142-11-1610

BOLT,HEAD

SN: 23000-UP

9шт.

18

6142-11-8211

HANGER

SN: 23000-UP

1шт.

19

01010-30816

BOLT

SN: 23000-UP

2шт.

20

01602-00825

WASHER,SPRING

SN: 23000-UP

2шт.

21

6142-11-8221

HOOK

SN: 23000-UP

1шт.

22

01010-31220

BOLT

SN: 23000-UP

1шт.

23

01602-01236

WASHER,SPRING

SN: 23000-UP

1шт.

Выбрано товаров: 32